二、故障检修
1.检修资料
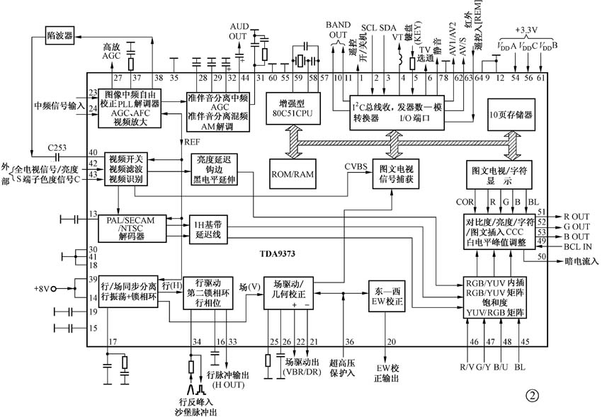
本文给出超级芯片TDA9373内部电路方框图(见图2),图中标出各引脚功能代号、信号出/入流向,并又以表格形式说明各引脚功能、电压、电阻测试数据,同时给出TDA9373外围使用的晶体管型号、作用、重点应用参数及代换型号。这为TDA9373超级芯片彩电提供了基本检修资料,对维修人员具有很好的参考价值。

(1) TDA9373内部电路
TDA9373内部电路主要有:微处理器(CPU)、图像中放电路、伴音中放电路、行/场扫描小信号处理电路、彩色解码电路、伴音滤波电路、伴音自动识别电路、亮度分析电路、高压跟踪和过压保护电路等。它具有I2C总线控制功能,同时还具有东西[EW]校正和暗平衡自动调整功能,见图2。
(2) TDA9373引脚功能及维修数据
TDA9373超级芯片各引脚功能及维修数据见表1。
(3) TDA9373外围晶体管型号及维修数据
TDA9373外围使用的晶体管型号、作用、重点应用参数及代换型号见表2。

2. I 2C总线调整
TDA9373超级芯片具有I 2C总线调整功能,经外部传输控制一些集成电路。现把进入维修状态操作方法与调整数据作一介绍。
(1) 进入维修状态操作方法
正常开机后,依次按动遥控器的静音、屏显、-/——、屏显与静音组合键即可进入维修状态。
进入维修状态后,按数字键0~7键在维修菜单中快速选择项目。
按动P+/-(CH+/CH-)键选择出调整项目;按动VOL+/-键调整当前项目的数据大小;按MUTE键,静音/不静音切换;按屏显退出键,退出维修菜单。按数字键0,进行帘栅电压调整,调整加速极,使屏幕显示一条稍亮的横线。
(2) I 2C总线调整数据
① 按数字键1,进入维修菜单一,调整项目为几何失真,见表3。
② 按数字键2,进入维修菜单二,调整项目为几何失真,见表4。

③ 按数字键3,进入维修菜单三,调整项目为图像调整,见表5。

④ 按数字键4,进入维修菜单四,调整项目见表6。

⑤ 按数字键5,进入维修菜单五,调整项目为图像模式模拟量,见表7。
⑥ 按数字键6,进入维修菜单六,调整项目为图像模式模拟量,见表8。
⑦ 按数字键7,进入维修菜单七,调整项目为功能选项,见表9。
3.检修思路
(1) 该超级芯片彩电其主芯片TDA9373工作电压(含存储电路)全部由副电源N804〔KA7630〕输出的+8V、+5V、+3.3V电压供给,所以A点(见图1)15.8V电压(有的同类机为+12.7V)正常与否,是整机是否正常工作的关键点。在检修各类故障时,应首先认真检测A点、A①点、A②点、A③点各点供电电压是否正常且稳定,这是该超级芯片单片机与常规遥控彩电的不同之处。
(2) 在常规遥控彩电中,微处理器的工作电压多为+5V供电,而TDA9373超级芯片内的微处理器电路为+3.3V供电。这就意味着工作电压越低,要求其供电电压的波动范围就越小。大量的维修实践表明,有时CPU供电电压下限值已接近临界状态,使控制系统往往出现某种莫名其妙的怪故障,常常使维修经验欠足者无从下手。其实正是由于CPU供电电压本来就比较低,允许波动范围很小,我们习惯于用“差不多”的维修思路去分析和看待这一现象,结果往往使维修陷入困境。所以,提醒同行们在维修时切莫忽视这一点。
4.检修实例
(1) 控制功能异常
这主要指控制功能异常既无规律可寻,又非某单项控制功能不良之类的故障。在检修此类故障时,首先确认供电无问题的前提下,一是查N201(TDA9373)外接的X01(12MHz)是否不良或漏电;二查⑤脚外接的本机键盘控制电路,其第二项应作为细查重点。由于本机键不良或漏电的随意性,所以往往无规律可寻。判断是否本机键不良或漏电时,可拔下接插件TJC3-2Y/CNB01后,用遥控器进行各项功能操作,若一切正常,则可以基本肯定故障在本机按键或键盘电路中。
(2) 接收电视节目异常或不良
接收电视节目异常或不良,主要指某频段收不到台,或在某频段高端或低端收不到台,或是某频段漏台等故障。
当故障现象为收不到电视节目时,正常情况下,应注意检测以下4点:
① 在N201④脚与地端各焊一根导线接于万用表10V直流挡,然后进入自动搜台过程。正常情况下,④脚直流电压应从0V至4.5V变化三次,即表明④脚调谐电压输出正常。
② 测DZ201(KA33V)稳压二极管,正常时DZ201负端对地应用稳定的+33V直流电压。
③ 测高频调谐器②脚(VT端子)电压,在②脚对地各焊一根导线接于万用表50V直流挡,然后让机器进入自动搜台过程,在全部搜索过程中,②脚电压应从0V~30V变化三次,表明VT端子调谐电压正常。否则,应检查C103(0.33μF)是否击穿或漏电;V201(KSC815)是否损坏或性能不良;C203、C204是否其中有击穿或漏电等。
④ 若以上各点电压测试均正常,应查N101(M9911A)③脚电压,正常时应为+9V左右。否则应查DZ101(MTZJ9.1B)、C108(42μF)是否不良或击穿;R101(24Ω)是否开路或一端脱焊。必要时可代换M9911A一试。
(3) 频段转换异常
该故障应重点测N201(TDA9373)⑩、电压,看电压在相应频段时是否正常并分别在V202、V203、V204(均为KSR1010)集电极对地焊一根导线接于万用表50V挡,让机器进入自动搜索过程。正常时,各点电压应从0~30V平稳变化一个全过程,否则,应查相应频段的控制电路元件。
(4) 无图、无声故障
在屏幕正常发亮,各供电电压均正常的前提下,有条件时,可输入AV信号试机。若图声正常时,可从N201注入人体感应信号,看屏幕是否出现雪花和条纹干抗,并细听是否有干扰噪音。若有可改变信号注入点,即从N201注入人体感应信号,看、听干扰噪波和噪声是否正常,若基本无反应,表明故障在N201(TDA9373)至之间的信号通路中。此时应重点查易损的三极管V208、V209、V210、V211和易击穿漏电的Z203、Z204(4.5MHz/5.5MHz/6.0MHz/6.5MHz)。若以上电路元件均无异常时,可改从N201注入较强的人体干扰信号,正常情况下,屏幕应有明显的干扰条纹和雪花点,否则N201(TDA9373)有损坏和不良的可能。
(5) 有图、无声故障
若图像正常,只是无伴音时,故障较多发生在N701(TDA9860)之后的音频电路中。此时可通过注入人体信号法快速作出判断。从C706电容右端注入人体感应信号,正常时应有明显的干扰噪音,否则TDA9860之后的音频电路有故障。若注入信号后噪音正常,可从N201(TDA9373)的注入人体感应信号,正常时也应有明显的噪声,否则表明故障在TDA9373至TDA9860③、⑤脚之间的音频电路通道中。此时应重点查V213(KSC815)及其外围元件,一般能很快排除故障。
(周彦芳)