R-9701是德生公司在第一代短波王R-9700的基础上优化而成的第二代二次变频收音机。该款收音机重量轻(仅重150g)、体积小(115mm×75 mm×29mm),可方便地放进衣服口袋,俗称“小短波王”。
该机设有l个MW中波波段、7个短波波段(SWl~SW7,5.90~18.10MHz)、1个FM调频波段共9个波段。与第一代机型R-9700相比,该机内瓷片电容、电阻采用了贴片元件和贴片工艺(SMT)生产,并用双稳态电路取代了由逻辑译码集成电路74HCl38组成的波段选择电路,取消了电视伴音和易受外界干扰的4.65~5.15MHz波段和电台极少的21.40~21.85MHz两个SW波段,且FM波段改为单声道接收。
该机电路主要由FM/AM转换电路、FM电路、AM电路(包括中波电路以及短波电路两部分)、功放电路等组成。下面介绍其工作原理。
一、FM/AM转换电路
德生R-9701收音机的主电路如图1所示(图中元件符号同原厂图纸)。

由图1可以看出,该机FM/AM转换电路与以往的9700电路有很大差别:以往的9700FM/AM转换电路采用了电子开关电路74HC138,而该机FM/AM转换电路则采用了由Q6、Q7等分立元件组成的双稳态电子波段切换开关。
开启电源开关S1,整机电源被接通。在开机的瞬间,C10两端的电压不能突变,C10上端(即Q7基极)为低电平,Q7截止,+3V电源电压通过R13、R17、R9,使Q6的基极为高电平,于是Q6导通。由于Q6的导通,其集电极上的低电平一方面使Q4(9015)导通,ICl的输入高电平,集成电路内部AM/FM电子切换开关使ICl工作在FM状态。另一方面,Q6集电极的低电平使Q7保持截止状态。与此同时,Q6集电极的低电平使绿色指示灯LED2(FM LED)点亮,指示收音机当前处于调频接收状态。
在FM状态按动电子波段选择开关“AM”时,即相当于给Q6基极一个人为的低电平,于是Q6截止。Q6集电极的高电平使LED2(FM LED)熄灭,同时其高电平也使Q4截止,ICl的为低电平,集成电路内部FM/AM转换电子开关电路启动,ICl自动工作在调幅波段。同时Q6集电极的高电平又使Q7由截止状态翻转为导通状态,红色发光二极管LED1(AM LED)点亮,指示收音机当前处于调幅接收状态。
在AM状态按动电子波段开关“FM”时,相当于给Q7基极一个低电平信号,收音机则由AM状态切换到FM接收状态,其工作流程与开机时的工作流程一致,读者可以参考前面的介绍进行分析。
二、FM电路
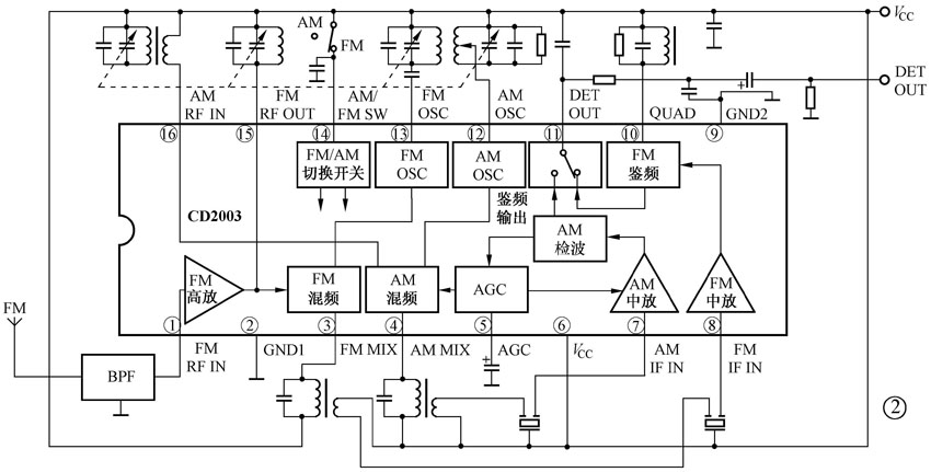
该机解码电路采用了内含AM混频、本振、中放、检波及FM高放、混频、本振、中放、鉴频功能的塑封双列直插式单片AM/FM收音集成电路CD2003。CD2003与东芝公司生产的单片收音机电路TA8164功能完全一样,可以直接互换,该电路在供电电压为1.8~7V时均能稳定地工作。TA8164的详细资料可以到东芝公司网站(http://www.toshiba.com/)浏览或者到http://anklab2.pirit.info/Reference/Micro/PDF/ta8164.pdf下载PDF资料。CD2003内部电路如图2所示,CD2003各引脚功能与测试数据如表1所示。

收音机工作在FM状态时,拉杆天线ANT接收到的FM高频信号经耦合电容C0、带通滤波器L1、耦合电容C5加到ICl高放输入端①脚,经IC1高频放大后的信号和IC1的所接L4、可变电容CF-1、C8组成的调谐回路调谐出调频电台信号,送到FM混频电路。IC1的所接C23、C24、CF-2和L5以及IC1内部电路共同组成了FM本振回路,调谐出的调频电台信号与本振信号混频后产生的10.7MHz中频信号由ICl的③脚输出,经F1选频后送入IC1⑧脚进行FM中频放大,FM中频信号经ICl多级放大后送入FM鉴频电路进行鉴频,鉴频输出的音频信号经内部AM/FM电子开关切换后,从IC1的输出音频信号至功放电路。输出的音频信号同时加到由R8、C15、C25组成的π形滤波器,得到一个直流控制电压,该直流控制电压经过R7限流后加到变容二极管D2左端,对收音机进行AFC控制(自动频率控制),保证接收信号的稳定。
当调谐准确且接收到的信号足够强时,信号经内部AGC放大后从⑤脚输出一个高电平调谐指示信号,Q5导通,红色的LED3(TUN LED)点亮,作为调谐指示灯。反之ICl⑤脚输出低电平,Q5截止,TUN LED熄灭。
三、中波(MW)接收电路
当收音机工作在MW波段(中波)时,Q6集电极的高电平使FM LED熄灭,同时其高电平也使Q4截止,ICl的内部电子开关促使ICl自动工作在调幅波段。Q6集电极的高电平又使Q7由截止翻转为导通,AM LED点亮。这时如果波段开关打在MW波段,短波波段的第一本振管Q2的基极信号经过波段开关S1-2短路到地,Q2截止。这时Q3截止,Q7集电极的低电平使Q8导通。而此时流过R22上的电流(+3V电压→Q8集电极→R22→R3→R1→S1-2→地)小于0.7mA,故R22上的电压降小于0.7V,所以Q3截止,进而Q10、D1、Q1截止。MW信号经过中波磁棒天线LA、LB、可变电容CA-1调谐后调谐出中波信号,中波信号经R21送入IC1的AM高放端进行放大,放大后的AM信号直接送入IC内部混频器进行混频。IC1的内部电路通过外接的R6→波段开关S1-3→S1-4后,与MW本振线圈T7、可变电容CA-2共同组成MW波段本振电路。产生的本振信号在IC1内部直接加到混频电路,与调谐得出的MW信号混频后产生455kHz中频信号并由IC1④脚输出。此信号经三端陶瓷滤波器F2选频、Q9补偿放大以及F3再次选频后送入IC1中频信号输入端⑦脚。在本机中,F2、F3采用串联方式,可以使455kHz的中频通带特性更理想,有效地降低了通带损耗,提高稳定性。由于三端陶瓷滤波器具有一定的插入损耗,故用Q9对F2选频后的信号进行放大,以补偿F2、F3的插入损耗。
送入IC1⑦脚的中频信号,经过IC1内部的AM中频放大、检波、音频预放大后得到音频信号,该音频信号通过内部电子开关选通后从IC1的输出,送入后级功率放大电路进行功率放大后推动机内扬声器或外接耳机发声。
四、短波(SW)接收电路
本机在SW波段采用了二次变频电路,与传统形式的SW波段接收电路有一定差异。无论波段开关S1-1~S1-4置于SWl~SW7的任一波段时,MW波段本振线圈T7均被断开,Q2基极都不会被短路到地,进而使Q3导通,Q1、Q10和D1因此获得偏置电压进入正常工作状态。Q1导通后,Q9的发射极被直接接地,提高Q9在SW波段的增益。D1的导通使MW调谐回路被短路,使MW信号不对SW波段造成干扰。
在SW波段时,拉杆天线ANT接收到的SW高频信号经L1耦合至波段开关S1-1并接通所对应波段的选频线圈T1~T5进行选频,选频后的信号由L3、C21耦合至场效应管Q11(2SK544)的G极。Q2为SW波段第一本振振荡管,由Q2、C2、C3、L2以及波段开关S1-2接通所对应波段的晶振X1~X7共同组成第一本振级,产生出SW1~SW7波段所需的本振信号。混频管Q11采用了输入阻抗高、噪声低、动态范围大的场效应管,基本克服了以往SW接收机噪声大、易过载等缺点,还使整机的灵敏度、选择性大大改善。
从天线接收到的SW高频信号和第一本振管Q2输出的本振信号一起送入混频级Q11的S极,经Q11和T9组成的第一混频级混频、中频变压器T9和宽带陶瓷滤波器F4选频后,得到10.7±0.25MHz的宽带第一中频信号,送至IC1的进行放大,放大后的第一中频信号送至内部混频电路。
T8、C18、CA-2等组成第二本振级,本振信号经波段开关S1-3、R6送入ICl的,与第一中频信号进行混频,混频后得到455kHz的第二中频信号。第二中频信号从ICl④脚输出,此后的工作过程与AM基本相同。由于第一中频的带宽为0.5MHz,而本机每个SW波段的频率范围均在0.5MHz以内,所以第二本振的可调范围为9.995~10.495MHz,本机SW波段调谐刻度也由第二本振可变电容旋转变化决定。
虽然该机二次变频电路使用了LC回路,有微小的频偏,但由于短波段的第一次变频使用了石英晶体,再加上第一混频级采用了高输入阻抗、噪声低的场效应管,因此,该机SW波段的频率漂移、灵敏度、选择性和抗镜像干扰等指标较普通机型均有很大的改善。
IC1⑤脚外接AGC滤波电容C15,其内部的AGC电路有3个功能:(1)输出高放AGC电压至AM混频放大器,控制混频增益。(2)输出中频AGC电压至AM中放,控制中放增益。(3)根据AM/FM检波电平输出调谐电压至调谐指示电路。接收信号越强,⑤脚输出电平越高,当ICl⑤脚输出的电压能使Q5导通时(即接收信号强度达一定时),发光二极管LED3导通发光并作为本机调谐指示准确的信号。
五、功放电路
该机功率放大电路IC2采用了东芝公司生产的TA7376P塑封单列直插式立体声功放集成电路。该电路工作电压宽(1.8~6V)、外围电路简单。在不同的工作条件下(不同的阻抗扬声器以及各种工作电压)TA7376P均可适应,此时,影响的只是输出功率的大小,而对其他指标影响不大,如图3所示。另外,在低电压供电、输入大信号的情况下,TA7376P还具有圆滑的输出波形,比一般低电压同类型集成电路有更大的动态范围(如图4所示),使输入信号过大引起的失真大为减小,较好地解决了低电压收音机功放电路失真较大的问题。关于TA7376的详细资料可以到东芝公司网站(http://www.toshiba.com/)浏览或者到http://www.21icsearch.com/searchpdf/open-file.asp?id=36567&filename=toshiba/e003406.pdf下载。TA7376P各引脚功能与测试数据如表2所示。
本机功放电路如图5所示。ICl的输出的音频信号经R33、C31耦合,再由音量电位器RP调控后送入音频功放集成电路IC2的①脚进行功率放大,放大后的信号从IC2的③、⑥脚输出推动机内扬声器或外接耳机发声。由于本机FM部分没有立体声解码电路,所以本机省去了OTL与BTL转换电路,无论使用机内扬声器或外接耳机,IC2均工作在BTL输出状态,使得输出功率成倍增大。需要说明的是,在R-9701的部分产品中,厂家还采用了索尼公司生产的贴片式CXAl622M作功放电路,其电路构成以及原理与R9700功放基本相同,只是电源电路中将稳压管VD5取消,故在此不再叙述其工作原理,有兴趣的读者可以参考本刊以前的文章。本机晶体管各引脚测试数据如表3所示。

(赵理科)