近年来,市场上推出的多功能多用途的智能型频谱分析仪,不仅可用来对各种遥控器、无绳电话、有线电视及通信机等无线、有线系统进行故障检修、测试及信号频率的分析、比较,而且可用来对各种手机射频电路、基带信号、本振信号、中频信号、发射与接收信号的检测及手机不能入网等故障点的确定,还能进行电磁兼容测试(EMC),检测各种电子设备发射有害电磁波的功能。
本文向读者介绍一款常见的安泰(ATTEN)AT5010型频谱分析仪,它采用了德国技术,除了应有的功能外,还具有一个独特的新颖功能,即能从耳机(PHONE)插孔中输出AM/FM检波信号,可用耳机监听,用以识别噪声施加影响的广播信号,其外形与面板结构见图1。

一、功能操作说明
1.电源开关(POWER)键 按下开关键为ON(通)状态,仪器通电工作,待预热3分钟后方可进行测试。
2.轨迹调整(TR)钮 通过内装电位器,可调整水平扫描线与水平刻度线的轨迹,使其基本上保持对齐,以防止地球磁场对水平扫描线的影响。
3.频显指示灯 当中频带宽为20kHz或视频滤波器带宽为4kHz时,会导致扫频范围超标并使幅度降低。若幅度值不正常,该频显LED指示灯点亮,表明测量达不到正确要求。可采取减小扫频宽度或不用视频滤波器来实现。
4.频率带宽(BAND WIDTH)选择键 有中频带宽20kHz和400kHz两种选择方式。当按下此键为20kHz时,能分隔频率较近的谱线,可使选择性提高,噪声电平降低。若选择不当,扫频宽度过宽,会造成信号幅度降低,使频显LED指示灯点亮,表示测量不正确,应重新选择频带宽度测量。
5.中心频率细调(FINE)钮 用于细调屏幕水平中心处的频率(即中心频率)。
6.视频滤波器(VIDEO FILTER)选择键 该滤波器带宽为4kHz。按下此键,可使平均噪声电平恰好高出小信号谱线,便于从中观察分析。
7.中心频率粗调(CENTER FREO)钮 配合细调旋钮,用于中心频率的调节,使之处于屏幕水平中心处。
8.Y轴位移(Y-POS)调节钮 主要用于射速垂直方向位移的调节。
9.同轴电缆输入(INPUT50Ω)插口 当最大输入衰减40dB时,输入电压可达到+20dBm;但不用于输入衰减时,最大输入电压不允许DC25V和AC10dBm。
10.输入衰减器(ATTN)键 该组键共有4个10dB衰减器,每按下一键,即衰减器接入10dB。主要用于测量和显示频率范围的任何谱线。
11.扫频宽度(SCANWIDTH)选择键 主要用于水平轴每格扫频宽度的调节。扫频宽度是以每格为MHz显示,即代表水平线每格的宽度;中心频率是指在水平轴心垂直刻线处的频率。例如:扫频宽度设在100MHz/格,中心频率设在500MHz时,屏幕显示的频率是以每格100MHz伸展到右边,则右边为(500MHz+100MHz×5)=1000MHz。而左边的频率则降低,其刻线为“0Hz”,即看到的是一条“0频率”谱线,也称作为“镜频”。
12.标记频率(MARKER)调节钮 它和旁边的“标记按键(ON OFF)”配合使用。当按键处于ON(通)状态时,标记(MK)指示灯亮,在屏幕上表现为一个尖峰;按键为OFF(断)状态时,中心频率(CF)指示灯亮,屏幕显示中心频率。
13.聚焦(FOCUS)调节钮 用于频谱曲线或光点清晰度的调节。
14.X轴位移(X-POS)调节钮 主要用于射速水平方向位移的调节。
15.水平幅度(X-AMPL) 用于水平幅度的调整。
16.耳机监听(PHONE) 当频谱仪对某一谱线调谐正确时,内置AM/FM解调器可将音频信号拾取出来,适用于阻抗大于16Ω的耳机监听。
17.音量调节(VOL)钮 用于调节耳机监听的音量。
18.频点输出探头(PROBE)接口端 用于驳接扬声器或作手机频点寻迹器检修故障点用。
19.频谱显示屏 用于显示频标所在位置的频率谱线值,以便进行观察和分析。
20.亮度调节(INTENS)钮 与聚焦旋钮配合使用,用于光点亮暗的调节,以提高频谱曲线的清晰度。
二、具体应用与典型维修实例
1.诺基亚8110型数字手机无网络信号
拆开手机加入电源,用探头电缆线插入频谱分析仪“频点输出(PROBE)端口”,将频点设置在13MHz,然后用频点测13MHz中频滤波器(z551)输入端,发现无13MHz中频信号;再将频点设置在71MHz,测71MHz中频滤波器(z541)输出端,无71MHz中频信号输出,但测z 541输入端有71MHz中频信号输入,其正常波形见图2所示,而z541输出端无信号,说明z541内部存在开路性故障。用热风枪对着z541吹上几遍,用镊子将其拔出,换上同型号的中频滤波器,回过头先测z551输出端有13MHz中频信号。重新装好手机试机,故障排除。
小结:
z541和z551分别是射频接收电路中的一中频和二中频陶瓷滤波器,13MHz是所有手机共同的关键频率点与测试点,只要其中一个中频滤波器出现故障,即造成无信号。尤其是摔过的机子更易出现这类故障,在检修时值得注意。
2.西门子S6型数字手机能够开机,不能入网
开机后利用菜单功能让手机进入手动搜索,但不能找到网络,说明射频接收电路存在故障。把频谱分析仪的频点设置在246MHz,将“扫描带宽钮”调至“零扫描”,用频谱分析仪探针点触中频声表面滤波器z403输入端,发现无中频信号;再把频点设置在492MHz,用探针点触接收机N401的,测N401内部的二本振频率492MHz,结果无二本振信号;最后用万用表测N401的①、的工作电压约为4V,均属正常,说明N401内部发生开路性故障,更换N401后,故障排除。
小结:
由于N401不能产生492MHz的二本振频率,所以不能与接收外来的高频信号共同到达混频器产生出新的246MHz的中频信号,这是造成手机不能入网的主要原因。维修人员应因势利导,根据故障点顺藤摸瓜予以排除。
3.爱立信T18SC数字手机无网络信号和场强指示
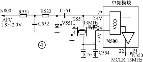
给手机加电,将同轴高频电缆输入线插入“电缆输入(INPUT 50Ω)”插口,用频谱仪输入探头测其接收一、二中频放大器,在屏显上观察到中频信号上附带一种调制寄生波,如图3所示;再测试其后级电路均属正常,故怀疑13MHz晶振B551损坏。用频率计测中频模块N500的输出的射频时基时钟频率发生了频偏,为12.99987MHz。根据维修经验证实,若手机基准频率偏差大于100Hz,将导致手机无信号或中途断话故障。用频率计测N500或时,13MHz晶振频率应该为12.9999XMHz或13.0000XMHz属于正常,即小数点后4位数为4个9或4个0,第5位的“X”为任意跳变的数,可证明13MHz晶振为良好。更换B551,再测仍发生频偏,说明故障并非在B551。电路如图4所示。用万用表测N500为3.2V左右正常,但测仅为0.8V左右(正常应为2.4V), 又怀疑是多模转换器N800紛{6}脚送出的AFC电压不正常引起13MHz基准频率不准。于是将R522拆除,开机测AFC电压仍很低;再拆除R551,测AFC电压上升至1.8~2V,恢复正常,表明AFC电压不正常并非是N800引起。根据电路原理分析,是由于C552电容存在漏电所致。更换C552,重新装上R551、R552,开机测13MHz频率已恢复正常。再用频谱分析仪测中频信号不再有调制寄生波产生,故障彻底排除。


(刘明清 刘苏华 )