目前医院使用的病房呼叫系统大多为单线式呼叫系统,该系统安装繁琐且维修不便。本文介绍的呼叫系统是利用电力线载波技术进行呼叫,电力线载波技术具有不受距离限制(在同一变压器范围内),信号传输稳定,安装维护简便,价格低廉等优点。
本电路主要由载波编码电路、载波发送电路、接收译码电路三部分组成,下面介绍其工作原理。
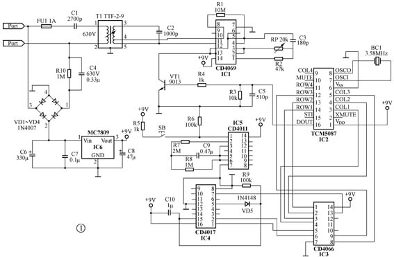
1.载波编码电路
载波编码电路包括时钟振荡电路、地址选择电路和DTMF编码电路。其作用是在某一房间出现病情时,循环产生预先设定的本地地址码,由调制电路调制后,通过电力线向外发送,电路如图1所示。

二输入端四与非门IC5(CD4011)中的两个与非门组成时钟振荡器。IC5①脚为控制端,加高电平或正脉冲时振荡器起振工作。平时①脚被R6下拉为低电平,振荡器处于停振准备状态。SB为病人呼叫按钮,当闭合开关SB后,R5和R6对9V电源分压,为①脚加上高电平,使振荡电路起振。
地址选择电路由IC4、IC3组成,IC4为十进制计数器/译码输出脉冲分配集成电路CD4017,本电路只使用Q1、Q3和Q5控制输出端来控制模拟开关的通断,Q6输出端经二极管VD5接清零复位端,当Q6处于高电平时清零输出状态,以便下一次计数。C10和R9组成自动复位电路,每次接通电源时,为CR端提供一个由高电平变为低电平的复位清零信号。IC3为双向四模拟开关集成电路CD4066,开关两端接DTMF编码电路,当其处于不同的行、列线时,可以代替键盘上不同按键的功能。IC3的控制端加高电平时内部电子开关导通,具体哪个开关导通及何时导通由CD4017的Q1、Q3和Q6端输出高电平的时序来控制。
IC2为DTMF发号集成电路TCM5087,它可以用TP5087、MT88770、S2559E/F替换。当IC3中的模拟开关导通时,就相当于按下键盘号码键,从IC2输出DTMF信号。R3为负载电阻,C5用于滤除杂波信号,提高电路可靠性,BC1为3.58MHz晶振,为IC2提供外接时钟信号。
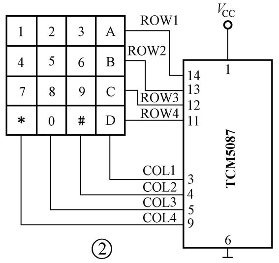
关于地址码的编辑可以参看图2,该电路可以编出000~999组本地分机地址码,图1只画了一个分机所需的电路。

2.载波发送电路
载波调制发送电路中的IC1采用了六反相驱动器CD4069,其中的两个反相器组成振荡器,输出频率可由RP调整,这里调整为200kHz,作为载波频率。晶体管VT1为调制管。IC2输出的DTMF信号经R4加至VT1的基极,在集电极与200kHz载波信号混合调制后,再由IC1中的其余四个反相放大器放大,送至选频变压器T1,由次级输出,并经 C1耦合至电力线。
220V交流电经R10和C4降压,VD1~VD4桥式整流、三端稳压器IC6稳压后为发送系统提供9V工作电源。C6~C8为滤波电容。
3.接收译码电路
接收译码电路如图3所示,它由解调、DTMF译码、锁存、地址显示及声报警电路组成。接收解调电路主要由中频变压器和六反相放大器构成,编码电路发送的DTMF编码载波信号经电容C20耦合、中频变压器T2选出200kHz的载频信号,由C12将信号传送至IC7反相放大后,由R14和C15组成的200kHz的陷波电路滤除载频,取出的DTMF音频信号经C14耦合后,再进行两级放大送至译码电路IC8进行译码。R12和R13将音频放大器IC7⑩脚偏置为电源电压的一半,以便在单电源下放大音频信号。C13为高频补偿电容。
DTMF译码器IC8使用MC145436,可以用TC35304、204CP、H204等型号直接代换。这种译码器可以将DTMF信号变换成8421码。
IC8的⑦脚输入的DTMF信号首先被滤除拨号音,以防止电路产生误动作,然后进入前置放大。信号放大后进入双音频滤波器,双音频滤波器是由开关电容构成的带通滤波器,可以有效地将DTMF信号中的高、低音频信号分开。高、低音频信号经过零点交叉检测器变为方波信号,再经过高、低频滤波器和幅度检测器后送到输出译码及定时电路。译码和定时电路采用对输入DTMF信号进行计数的方式来确定DTMF信号的频率,并与标准信号进行比较。比较过程是一套复杂的数字平均算法,同时对DTMF信号偏差一定的容差范围,因而提高了抗干扰能力。
当检测到一对有效的DTMF信号时,数据有效输出端变为高电平,译码电路将DTMF转换成8421码送至寄存器IC11、IC12、IC13。
地址显示电路包括锁存器、锁存控制器、显示译码器及数码管。这里采用4线七段锁存/译码/驱动器CC14495,其所需的CP脉冲由锁存控制器CD4017提供。CD4017所需的时钟脉冲由MC145436的DV端提供,在编码电路中一个DTMF信号要连续发送两次,而译码器MC145436则在收到一对相同的DTMF信号并确认信号无误后,才将信号转换成8421码。同时其DV端输出一个正脉冲,DV端输出的正脉冲一方面触发声报警,一方面触发CC14495。DV端输出第一个脉冲使4017计一次数,Q1端驱动IC11译码输出第一个地址码“9”,Q2端驱动IC12显示“5”,Q3端驱动IC13显示“1”。
声报警电路使用语音集成电路。IC14为KD-9300型语音片,IC14在接到报警信号后,经过VT2放大推动扬声器发出报警声。
220V交流电经过变压器T3降压、VD6~VD9整流后由IC15稳压,为接收电路提供电源,C17~C19为滤波电容。
元器件参数在图1~图3中已经标出,电阻均为1/8W碳膜电阻,数码管为共阳极LED显示管。T1、T2选用465kHz中频变压器,型号为TTF-2-9。C1、C4和C20要选用优质电容,耐压一般不小于630V,其他电容可以使用普通电容。
调试时T2的选频频率必须与T1一致。可以使用示波器,先调节RP使发送电路的载波振荡器的频率在200kHz,然后调节T1磁心使输出信号幅度最大。再为接收电路加200kHz载波信号,并调节T2磁芯,使接收电路输出最大即可。若选频略大于200kHz,只要T1、T2选频一致,并不影响使用。其余电路只要安装正确即可正常工作。
本文所用MC145436的详细资料见本期配刊光盘中的“本期元器件资料”文件夹。
(吴庆州)