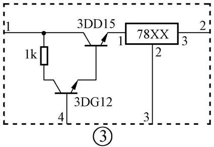
PQ系列四端稳压器是SHARP(夏普)公司生产的一种新型的稳压集成电路,其稳压值与普通三端稳压器相同,后缀的“XX”代表稳压值,后缀名与稳压值对应关系如附表所示。PQ系列四端稳压器内部电路框图如图1所示。这种稳压器有4个引脚,其中3个引脚的功能与普通三端稳压器相似,另外一个引脚(④脚)是控制端,当该脚接高电平或者悬空时,稳压器正常输出;当该脚为低电平时,稳压器输出关断,输出电压为零。PQ系列四端稳压器典型应用电路如图2所示。若该系列稳压器损坏后没有同型号产品替换时,可以采用普通三端稳压器按照图3的电路来代换,效果也很好。




PQ系列四端稳压器的详细资料见本期配刊光盘中的“本期元器件资料”文件夹。
(武红民)