在555定时器外部配上适当的阻容元件,就可以组成脉冲产生与整形电路,应用十分灵活。本文介绍一种采用555定时器组成的水位控制系统。
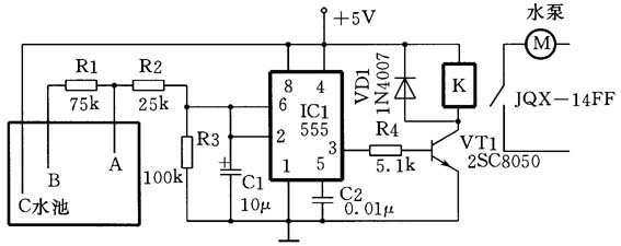
此系统的电路原理图如附图所示。电路中555定时器(IC1)构成施密特触发器完成整个水位控制功能。具体工作原理如下。
附图中A、B、C是三个电极检测点。当水位高于水位线A时,水泵停机,停止给水池加水;水位低于水位线B时,水泵工作,给水池加水。C电极是最低水位检测点,它连接于电源Vcc,当水位低于水位线B时, C与B点不导通,导致IC1②、⑥脚电位V2=V6=0,555定时器③脚输出高电平,VT1导通,继电器吸合,水泵给水池加水。
当水位到达B点时,由于C、B两点在水的作用下被短路,使V2=V6=R3/(R2+R3+R1)×Vcc=1/2Vcc,1/3Vcc<V2=V6=1/2Vcc<2/3 Vcc,此时,IC1输出端③脚维持高电平不变,水泵继续给水池加水。
当水位到达A点时,C、B、A三点被短路,使V2=V6=R3/(R2+R3)Vcc=4/5Vcc>2/3Vcc,IC1③脚输出低电平,VT1截止,继电器断开,水泵停止给水池加水。
同理,当水位下降,但还高于B点时,此时V2=V6=1/2Vcc >1/3Vcc,水泵仍然停止工作,只有水位低于B点时,此时V2=V6=0V<1/3Vcc,定时器才输出高电平,VT1导通,继电器吸合,水泵开始向水池加水。如此循环往复使水池中的水位保持在B、A之间。

图中继电器K的型号为JQX-14FF,如果需要控制大功率的水泵,则根据需要选择其他型号的继电器,其他元器件参数可参见附图。
(刘玉兰 刘建民)