单片机开发中除必要的硬件外,还离不开软件,我们写的汇编语言源程序要变为CPU可以执行的机器码有两种方法,一种是手工汇编,另一种是机器汇编,目前已极少使用手工汇编的方法了,机器汇编是通过汇编软件将源程序变为机器码。用于MCS-51单片机的汇编软件有早期的A51,随着单片机开发技术的不断发展,从普遍使用汇编语言到逐渐使用高级语言开发,单片机的开发软件也在不断发展,Keil软件是目前最流行开发MCS-51系列单片机的软件,这从近年来各仿真机厂商纷纷宣布全面支持Keil即可看出。Keil提供了包括C编译器、宏汇编、连接器、库管理和一个功能强大的仿真调试器等在内的完整开发方案,通过一个集成开发环境(UVision)将这些部分组合在一起。运行Keil软件需要Pentium或以上的CPU,16MB或更多内存,20M以上空闲的硬盘空间,WIN98、NT、2000、XP等操作系统。掌握这一软件的使用对于使用51系列单片机的爱好者来说十分必要,如果你使用C语言编程,那么Keil几乎就是你的不二之选(目前在国内你只能买到该软件,而你买的仿真机也很可能只支持该软件),即使不使用C语言而仅用汇编语言编程,其方便易用的集成环境、强大的软件仿真调试工具也会令你事半功倍。本系列文章将直接从Keil工程文件的建立开始向读者介绍Keil软件的一些基本使用方法。关于Keil软件的获取和安装方法,读者可通过网络进行了解,Keil软件开发公司的网站为www.keil.com。/
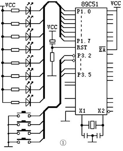
在本文中,我们将学习Keil软件如何输入源程序,建立工程、对工程进行详细的设置,以及如何将源程序变为目标代码。图1所示电路图使用AT89C51单片机作为主芯片,这种单片机属于MCS-51系列,其内部有4K的FLASH ROM,可以反复擦写,非常适于做实验。AT89C51的P1引脚上接8个发光二极管,P3.2~P3.4引脚上接4个按钮开关。
一、Keil工程的建立
首先启动Keil软件的集成开发环境,这里假设读者已正确安装了该软件,可以从桌面上直接双击UVision的图标以启动该软件。
UVison启动后,程序窗口的左边有一个工程管理窗口,该窗口有3个标签,分别是Files、Regs和Books,这3个标签页分别显示当前项目的文件结构、CPU的寄存器及部分特殊功能寄存器的值(调试时才出现)和所选CPU的附加说明文件,如果是第一次启动Keil,那么这3个标签页全是空的。

1.源文件的建立
使用菜单“File->New”或者点击工具栏的新建文件按钮,即可在项目窗口的右侧打开一个新的文本编缉窗口,在该窗口中输入以下汇编语言源程序,任务是让接在P1引脚上的发光二极管依次循环点亮。
MOV A,#0FEH
MAIN: MOV P1,A
RL A
LCALL DELAY
AJMP MAIN
DELAY:MOV R7,#255
D1: MOV R6,#255
D2: DJNZ R6,$
DJNZ R7,D1
RET
END
保存该文件,注意必须加上扩展名(汇编语言源程序一般用asm或a51为扩展名),这里假定将文件保存为ex-am1.asm。
需要说明的是,源文件就是一般的文本文件,不一定使用Keil软件编写,可以使用任意文本编缉器编写,而且,Keil的编缉器对汉字的支持不好,建议使用UltraEdit之类的编缉软件进行源程序的输入。关于UltraEdit软件的使用和获取信息,读者可到www.hongen.com/pc/tools/filetool/txtedit/uledit/uled-it01.htm上了解。
2.建立工程文件
在项目开发中,并不是仅有一个源程序就行了,还要为这个项目选择CPU(Keil支持数百种CPU,而这些CPU的特性并不完全相同),确定编译、汇编、连接的参数,指定调试的方式,有一些项目还会有多个文件组成等。为管理和使用方便,Keil使用工程(Project)这一概念,将这些参数设置和所需的所有文件都加在一个工程中,只能对工程而不能对单一的源程序进行编译(汇编)和连接等操作,下面我们就一步一步地来建立工程。
点击“Project->New Project…”菜单,出现一个对话框,要求给将要建立的工程起一个名字,你可以在编缉框中输入一个名字(设为exam1),不需要扩展名。点击“保存”按钮,出现第二个对话框,如图2所示,这个对话框要求选择目标CPU(即你所用芯片的型号),Keil支持的CPU很多,我们选择Atmel公司的AT89C51芯片。点击Atmel前面的“+”号,展开该层,点击其中的89C51,然后再点击“确定”按钮,回到主界面,此时,在工程窗口的文件页中,出现了“Target 1”,前面有“+”号,点击“+”号展开,可以看到下一层的“Source Group1”。这时的工程还是一个空的工程,里面什么文件也没有,需要把刚才编写好的源程序加入,点击“Source Group1”使其反白显示,然后点击鼠标右键,出现一个下拉菜单,如图3所示。选中其中的“Add file to Group Source Group1”,出现一个对话框,要求寻找源文件。注意,该对话框下面的“文件类型”默认为C source file(*.c),也就是以C为扩展名的文件,而我们的文件是以asm为扩展名的,所以在列表框中找不到exam1.asm,要将文件类型改掉。点击对话框中“文件类型”后的下拉列表,找到并选中“Asm Source File(?鄢.a51,?鄢.asm)”,这样在列表框中就可以找到exam1.asm文件了。

双击exam1.asm文件,将文件加入项目。在文件加入项目后,该对话框并不消失,等待继续加入其他文件,但初学时常会误认为操作没有成功而再次双击同一文件,这时会出现如图4所示的对话框,提示你所选文件已在列表中,此时应点击“确定”,返回前一对话框,然后点击“Close”即可返回主界面,返回后,点击“Source Group 1”前的加号,会发现exam1.asm文件已在其中。双击文件名,即可打开该源程序。

二、工程的详细设置
工程建立好以后,还要对工程进行进一步的设置,以满足要求。
首先点击左边Project窗口的Target 1,然后使用菜单“Project->Option for target ‘target1’”即出现对工程设置的对话框,这个对话框非常复杂,共有8个页面,要全部搞清可不容易,好在绝大部分设置项取默认值就行了。
设置对话框中的Target页面,如图5所示,Xtal后面的数值是晶振频率值,默认值是所选目标CPU的最高可用频率值,对于我们所选的AT89C51而言是24M。该数值与最终产生的目标代码无关,仅用于软件模拟调试时显示程序执行时间。正确设置该数值可使显示时间与实际所用时间一致,一般将其设置成与你的硬件所用晶振频率相同,如果没必要了解程序执行的时间,也可以不设,这里设置为12。

Memory Model用于设置RAM使用情况,有3个选择项,Small 是所有变量都在单片机的内部RAM中;Compact是可以使用一页外部扩展RAM,而Larget 则是可以使用全部外部的扩展RAM。Code Model用于设置ROM空间的使用,同样也有3个选择项,即Small模式,只用低于2K的程序空间;Compact模式,单个函数的代码量不能超过2K,整个程序可以使用64K程序空间;Larget模式,可用全部64K空间。Use on-chip ROM选择项,确认是否仅使用片内ROM(注意:选中该项并不会影响最终生成的目标代码量);Operating项是操作系统选择,Keil提供了两种操作系统:Rtx tiny和Rtx full,关于操作系统是另外一个很大的话题了,通常我们不使用任何操作系统,即使用该项的默认值:None(不使用任何操作系统);Off Chip Code memory用以确定系统扩展ROM的地址范围,Off Chip xData memory组用于确定系统扩展RAM的地址范围,这些选择项必须根据所用硬件来决定,由于该例是单片应用,未进行任何扩展,所以均不重新选择,按默认值设置。
设置对话框中的OutPut页面,如图6所示。这里面也有多个选择项,其中Creat Hex file用于生成可执行代码文件(可以用编程器写入单片机芯片的Hex格式文件,文件的扩展名为.hex),默认情况下该项未被选中,如果要写片做硬件实验,就必须选中该项,这一点是初学者易疏忽的,应特别注意。选中De-bug information将会产生调试信息,这些信息用于调试,如果需要对程序进行调试,应当选中该项。Browse information是产生浏览信息,该信息可以用菜单view->Browse来查看,这里取默认值。按钮“Select Folder for objects”是用来选择最终的目标文件所在的文件夹,默认是与工程文件在同一个文件夹中。Name of Executable用于指定最终生成的目标文件的名字,默认与工程的名字相同,这两项一般不需要更改。

工程设置对话框中的其他各页面与C51编译选项、A51的汇编选项、BL51连接器的连接选项等用法有关,这里均取默认值,不作任何修改。以下仅对一些有关页面中常用的选项作一个简单介绍。
Listing标签页用于调整生成的列表文件选项。在汇编或编译完成后将产生(*.lst)的列表文件,在连接完成后也将产生(*.m51)的列表文件,该页用于对列表文件的内容和形式进行细致的调节,其中比较常用的选项是“C Com-pile Listing”下的“Assamble Code”项,选中该项可以在列表文件中生成C语言源程序所对应的汇编代码。
C51标签页用于对Keil的C51编译器的编译过程进行控制,其中比较常用的是“Code Optimization”组,如图7所示,该组中Level是优化等级,C51在对源程序进行编译时,可以对代码多至9级优化,默认使用第8级,一般不必修改,如果在编译中出现一些问题,可以降低优化级别试一试。Emphasis是选择编译优先方式,第一项是代码量优化(最终生成的代码量小),第二项是速度优先(最终生成的代码速度快),第三项是缺省。默认的是速度优先,可根据需要更改。
设置完成后按确认返回主界面,工程文件就建立、设置完毕了。
三、编译、连接
在设置好工程后,即可进行编译、连接。选择菜单Project->Build target,对当前工程进行连接,如果当前文件已修改,软件会先对该文件进行编译,然后再连接以产生目标代码。如果选择Re-build All target files将会对当前工程中的所有文件重新进行编译,然后再连接,确保最终产生的目标代码是最新的,而Translate...项则仅对该文件进行编译,不进行连接。
以上操作也可以通过工具栏按钮直接进行。图8是有关编译、设置的工具栏按钮,从左到右分别是:编译、编译连接、全部重建、停止编译和对工程进行设置。
编译过程中的信息将出现在输出窗口中的Build页中,如果源程序中有语法错误,会有错误报告出现,双击该行,可以定位到出错的位置,对源程序反复修改之后,最终会得到如图9所示的结果,提示获得了名为exam1.hex的文件,该文件即可被编程器读入并写到芯片中,同时还产生了一些其他相关的文件,可被用于Keil的仿真与调试,这时可以进入下一步的调试工作。
(周坚)