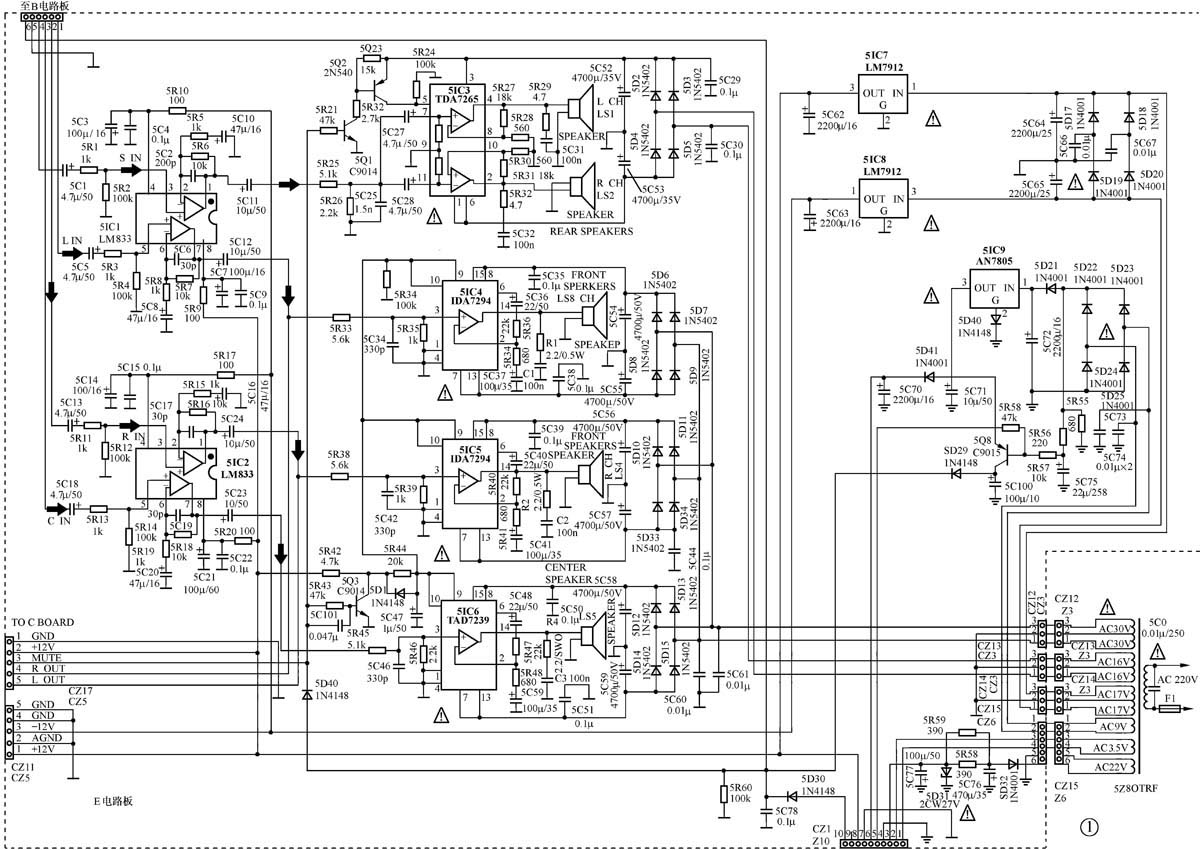
TDA7294和TDA7265是两种在许多组合音响和电脑多媒体音响装置中被广泛应用的音频功率放大集成电路。本文主要以新科HG-5300型机的应用电路为例来介绍这两种集成器件。请看图1所示的新科HG-5300型机的音频功放电路, 其中的TDA7294共用了3片,分别作音响的左、右、中置声道的功放(注:第1期的图1所标有误,5IC6应为TDA7294)。TDA7265用一片,作音响的环绕声功放。

1.音频功率放大集成电路TDA7294
TDA7294是一种电源电压范围宽、输出功率大及失真率低的音频功率放大集成电路。其最大电源电压为±50V,最高输出功率≥100W(音乐功率,V= ±38V、R=8Ω、d=10%),额定输出功率=70W(V=±35V、R=8Ω、d=0.5%),输出峰值电流最大为10A。有关TDA7294的详细资料请参见本刊第3期11页上的《功放集成电路》一文和本刊2002年合订本(上)的附录资料。
该集成电路具有静噪(MUTE)和待机(STAND-BY)功能。静噪和待机功能由CPU(2IC1——μPD78042A)的MUTE端()电平控制。如图2所示,当电源刚开启时,CPU的MUTE端输出短暂的高电平,此时5Q3导通,输出低电平通过5R44加到TDA7294的⑨脚和⑩脚 (STAND-BY和MUTE端),TDA7294处于待命状态。经过短暂时间后,前级放大器电路工作正常后,CPU的输出低电平,此时5Q3截止,5C47充电至3V、5V高电平,加至TDA7294的⑨脚和⑩脚,使TDA7294正常工作。这样就避免了可能出现的开机噪声。当关闭电源时,5C75上的电压经5R55、5R56对地迅即放电,使5Q8由截止转为导通,输出5V电压经5D29等加到5Q3基极,于是5Q3导通,送出低电平加至TDA7294的⑨脚、⑩脚,使功放电路迅速进入待机和关机状态,从而防止了关机噪音的发生。TDA7294各引脚功能及实测数据如表1所示。

(王德沅)