TDA9373超级芯片近两年来先后被海尔、海信彩色电视机采用,推出新型超级芯片彩电(UOC机芯)。海尔系列彩电有:HP-2969U/HP-2969N/2978A-PD/2978D-T/HP-2969A/29T3A-P/HP-2988N/29F3A-P/29F8D-T/29TE等。海信彩电有TC-2977等。本文以海尔29F3A-P超级芯片彩电介绍其工作原理及检修。海信TC-2977彩电与海尔系列彩电相似,只是主芯片外围根据功能设置不同而略有差异,因此在检修TC-2977时,可参照海尔29F3A-P机资料进行。
一、TDA9373超级芯片在海尔29F3A-P彩电应用电路原理
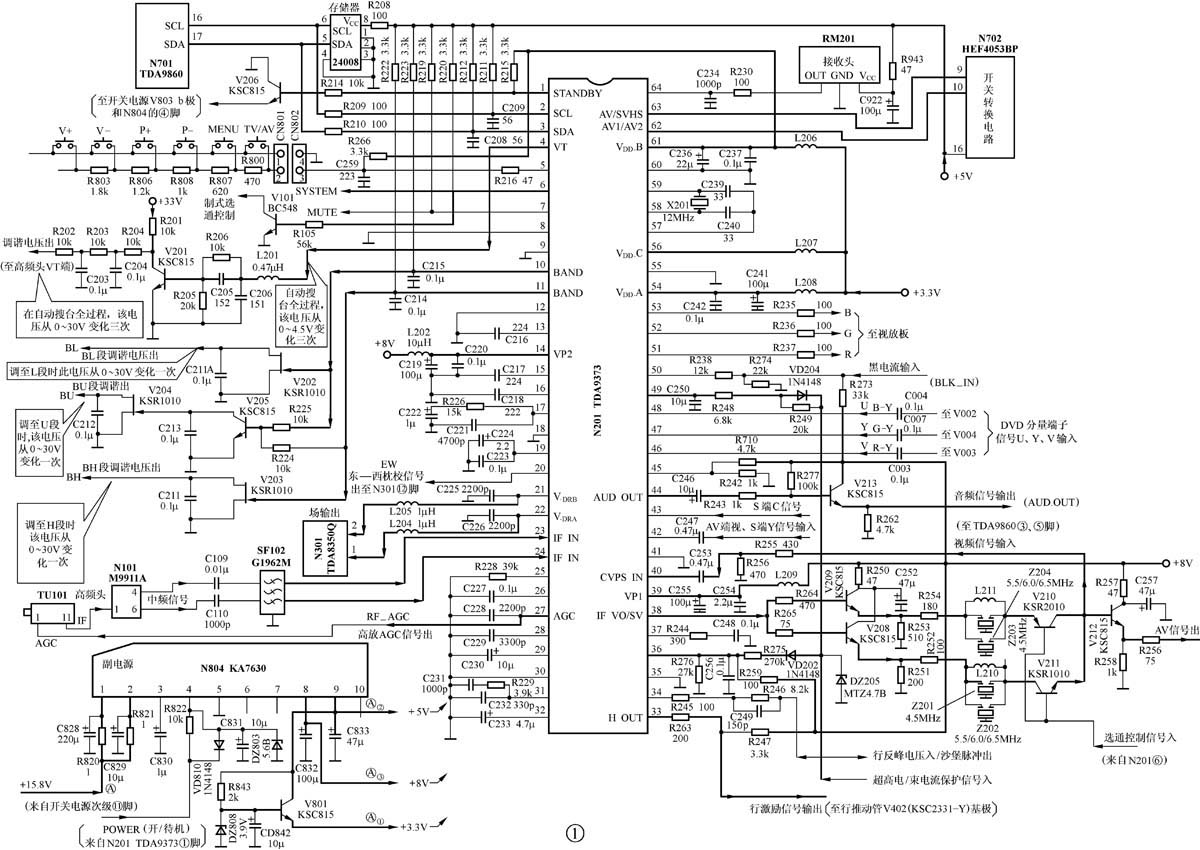
TDA9373在海尔29F3A-P彩电中的应用电路如图1所示。

从天线接收到的(或从有线电视引入线馈入)高频电视信号进入高频调谐器TU101(ENV59D69FIE或TECC7949),该信号在高频调谐器内部通过调谐选台、信号放大、混频等处理后,从TU101的(IF)输出338MHz的图像中频信号和31.5MHz的伴音中频信号。该中频信号送至N101(M9911A)的①脚,在其内部进行中频放大,以补偿声表面滤波器的输入损耗。放大后的中频信号从④、⑥脚输出并通过C109、C110进入声表面滤波器SF102(G1962M),本机声表面滤波器SF102可根据不同制式选择采用单端输入还是双端输入方式,单端或双端输入是由N201(TDA9373)⑥脚通过V101(BC548C)来控制的。在D/K、B/C、I制式时信号为单路输入;在M制式时信号为双路输入。声表面滤波器SF102(G1962M)单路输入时为宽带滤波,适合D/K、B/C、I制伴音信号;双路输入时为窄带滤波,适合M制式伴音信号。经声表面滤波器对伴音载频深幅陷波后的中频电视信号被送往TDA9373(N201)的。同时,由I2C总线控制输出的高放AGC电压从N201的输出,送至高频调谐器TU101的①脚(AGC端子),以控制高频调谐器的增益。
电视中频信号进入N201(TDA9373)内部,经IC内部一系列电路处理后从该IC输出视频彩色电视信号,经三极管射极跟随器V208(KSC815)和V209(KSC815)射随后,分为两路分别送入由Z201(5.5MHz、Z202(5.5/6.0/6.5MHz)、Z203(4.5MHz)、Z204(5.5/6.0/6.5MHz)等组成的陷波器。全电视信号再由V210(KSR2010)和V211(KSR1010)进行选通,V210、V211在此主要起开关作用。当N201的⑥脚输出高电平时(非伴音4.5MHz),V211导通,视频信号通过陷波器Z201和Z202通道;当N201⑥脚输出低电平时(伴音4.5MHz),V211截止,V210导通,伴音中频信号通过陷波器Z203和Z204通道。全电视信号经陷波器滤波后得到视频信号,其中一路视频信号通过R255、R256调整幅度后经C253送入N201的;另一路经三极管射随器V212(KSC815)射随放大后,从射极经R258输出,用于AV输出。
AV端子的视频信号和S端子的Y信号经通道模拟开关电路N702(HEF4053BP)选通后送入N201(TDA9373)的;S端子的C信号送入N201的。AV1、AV2视频信号和“S”端子Y信号的选通是靠N201(TDA9373)的紝{6}、紞{6}脚控制N702(HEF4053BP)来实现的。
DVD分量端子U、Y、V信号分别经电容C001(10μF)、C006(10μF)耦合,再经三极管V002(KSC815)、V004(KSC815)、V003(KSC815)放大后,最后通过电容C003(0.1μF)、C007(0.1μF)、C004(0.1μF)送到N201的。有些同类机中此功能未设置,为空脚,用作ABL。
经N201(TDA9373)处理后的音频信号从输出,经C246、R243送到V213(KSC815)基极,经V213射随器放大后,加到音效处理电路N701(TDA9860)的③、⑤脚,经音效处理后送至后级功放电路。
经几何处理后的正、负极性场锯齿波信号从N201(TDA9373)的输出至场输出电路N301(TDA8350Q)的①、②脚。N201的外接电阻R228、外接电容C227为场锯齿波形成元件。
本机行振荡电路在N201(TDA9373)内部,因此不需要外接行振荡元器件,振荡频率受PH-1检测器控制。包含复合同步的亮度信号送到N201内部同步分离电路,分离出行同步脉冲和场同步脉冲,其中行同步脉冲信号送至PH-1检测器。PH-1检测器的作用是使行振荡频率与输入信号的频率保持同步。N201外接的C221、R226及C222为PH-1锁相环路滤波器。经PH-1检测器校正的行振荡信号送至PH-2检测器,PH-2检测器的作用是稳定和控制输出的行激励脉冲的相位,保证行线性和行中心稳定不变。外接的电容C218为PH-2检测器滤波电容。行激励信号从N201的输出送至行推动管V402(KSC2331-Y)的基极,再经行输出功率管V403(2SD1887)开关放大后推动行偏转激励产生磁场。东西(E-W)几何校正信号从N201的输出,送至场输出电路N301(TDA8350Q)的,经整形后,由N301输出,经三极管V401(KSA614Y)放大后,通过C403(22μF)、L401(1μH)波形处理,加到行扫描电路,进行东西方向的几何校正。
视频R、G、B信号分别从N201(TDA9373)的输出,经电阻R237、R236、R235送至接插件CN503后送至视放板的视频放大电路N501(TDA6107Q)进行放大。由N501⑤脚输出的暗平衡检测电压回送到TDA9373(N201)的,对图像的暗平衡进行调整。白平衡的调整是由I2C总线控制N201的R、G、B三基色的输出而完成的。
整机工作供电情况:电源开关变压器⑧脚输出经VD805整流、C816滤波后,输出+130V直流电压供行输出电路工作;从输出经VD807整流、C820滤波后,输出+150V直流电压为伴音功放电路供电;输出经VD804整流、C818滤波输出的+12V(本机为15.8V)直流电压,为副电源电路N804(KA7630)供电。由副电源N804稳压后从⑧脚输出 +8V直流电压为N201(TDA9373)的解码电路供电;由N804副电源⑨脚输出的+5V直流电压为存储器(KS24C08)供电;+5V同时经R843、三极管V801、稳压二极管ZD808、电容CD804等组成的稳压电路二次稳压后,输出+3.3V稳定的直流电压为N201(TDA9373)内微处理器(CPU)供电。
(周彦芳)