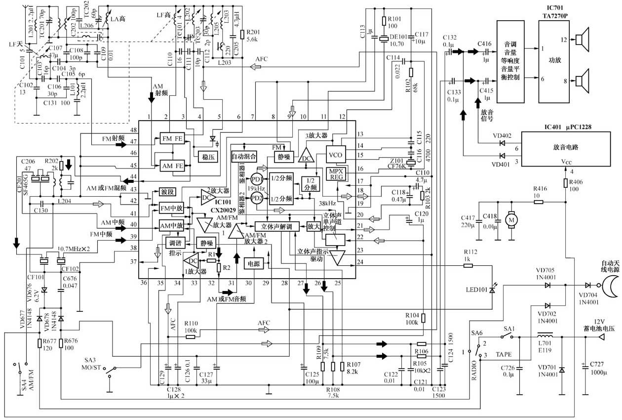
天宝TB-860型高级汽车音响收音电路如附图所示,主要由一块单片收音集成电路CX20029构成。
电路工作原理
CX20029由日本索尼公司生产,是一块具有调频、调幅、高放、混频、调频调幅中放、检波鉴频、调频调幅输出以及调频立体声复合信号的解调输出等多功能的单片收音集成电路。该IC的外形尺寸为12mm×12mm,采用48脚四方扁形封装结构,其内电路方框图如附图所示,各引脚功能如附表所示。
2. 收音电路供电
收音电路的供电是由SA6开关提供的,该开关设置在立体声全自动返带机芯下面,是一种微动开关。当向盒仓内插入磁带后,SA6微动开关由机芯机械机构带动使其②与③触点接通,蓄电池12VDC电压经L701、C727滤除干扰→SA1电源开关→SA6②与③闭合的触点→R677→由VD677与VD676组成的稳压电路稳压为约8V后,使放音电路(放音电机M、放音前置放大集成电路IC401)得电工作,整机处于放音状态;当弹出磁带盒时,机芯机构带动SA6开关使其②与③触点断开,而①与②触点接通。这样,从SA6①触点输出的12V DC电压经R676加到由VD678与VD676组成的稳压电路稳压为约8V加到IC101的和立体声指示发光二极管LED101正极,从而使放音电路失电,收音电路得电,整机处于收音状态。
3. AM(调幅)收音电路
(1)波段转换
波段转换是由IC101(CX20029)外接的AM/FM波段选择开关SA4来控制的。由该开关控制是接地或不接地(悬空),进而通过IC内部的AM/FM直流转换电路的控制,来选择工作状态。当AM/FM波段开关SA4接通,使IC101接地时,整机处于AM波段收音状态。
(2)高频信号处理
从天线接收到的高频信号,经由L201、C202、L206、LA天线调频选择电感、TC201等组成的调幅输入选频回路选出的526.5kHz~1606.5kHz的高频调幅信号,经CX20029的①脚进入IC内的高放电路,高放电路将该信号放大后送给AM混频器。
CX20029集成电路⑥脚外接调幅本振电路元件,这部分电路由L203、L202、L205、C205、R201、TC203等组成。L205是六联可变电感器中的AM振荡联,其两端并接有补偿电容器TC203,调幅本振电路产生的高于接收电台信号465kHz的振荡信号在IC内也加至混频电路。
在混频电路中,AM高频信号与本振信号进行混频,差拍后的信号从IC的输出。
(3)中频信号处理
从CX20029输出的信号,经由AM中频变压器L204等组成的选频回路,选出465kHz的中频信号,再经465kHz中频陶瓷滤波器CF201(SF465G)进一步选频,然后从IC101进入集成电路内的中频放大电路。经中频放大、AM检波电路检波后得到的音频信号,经IC内的AM/FM公共预音频放大电路1放大后,再经R2从CX20029的输出。
(4)AGC电路
CX20029集成电路外接AGC/AFC滤波电容C128。IC内部AM、FM放大电路1放大的信号另一路经R1(IC内部)加到DC1放大器放大后输出,分别作为AFC或AGC电压提供给有关电路。
从DC1放大器输出的AGC电压分为两路:一路输出IF·AGC(中频自动增益控制)电压去控制AM中放电路;另一路根据调幅和调频检波电平,经静噪电路输出调谐电压至调谐指示电路,用以控制IC101外接的调谐指示发光二极管,但该机这一功能未使用。
(5)音频信号处理
从CX20029输出的音频信号又从进入IC内部,经AM/FM放大器2进行预放大后加至立体声解码电路。由于调幅的音频信号中没有19kHz的导频信号,调幅音频信号可以直接从解码器中取出,故当整机处于调幅波段工作时,从CX20029的输出的仅是两路相同的单声道信号。
4. FM(调频)收音电路
(1)波段转换
当SA4波段开关断开,使CX20029悬空时,整机处于FM波段收音状态。
(2)高频信号处理
天线接收到的高频信号,经由C101、LF天线调频选择电感、C103、C102、C104、C105、C106、L101、C131等组成的调频天线输入电路选出87~108MHz的调频波段信号后,通过CX20029的加至IC内的调频高频放大电路。放大后的信号由②脚外接的可变电感LF高频调频选择电感和C110等组成的高放调谐回路选择出欲接收的高频信号,并送至FM混频电路。
CX20029④脚外接的C111、TC101、L202组成FM本机振荡电路。该电路产生的高出一个10.7MHz的本振信号也加到混频电路。
在混频电路中,高放信号与本振信号进行混频,产生的各种信号(基频、差频、和频)从CX20029输出。
(3)中频信号处理
CX20029外接混频器选频元件CF101、CF102。输出的信号经CF101、CF102(均为10.7MHz)中频陶瓷滤波器两次滤除杂波,取出10.7MHz的中频信号从进入IC内FM中放电路,放大后的信号进入FM鉴频器电路。
CX20029⑨脚外接FM鉴频器谐振晶体DE101,它的中心频率设定在10.7MHz,由此就可以省去鉴频S曲线的调整,使生产安装十分方便。从DE101陶瓷鉴频器外形上的色标可看出,其与CF101、CF102的色标是一致的,说明它们间的频率偏差也是一致的,由此就可以避免频偏不同时所造成的S曲线异常现象。
鉴频器鉴频后输出的音频信号(若是立体声节目则输出复合音频信号),送至AM/FM放大器1进行放大,然后一路经R1送DC1放大器放大输出后作为AFC控制电压;另一路经R2从输出。
在这部分电路中,CX20029的③脚为调频、调幅高频部分的基准电压端;是调频、调幅高频信号处理电路接地线端。
(孙余凯 王五春)
