一、作品设计来源
电子开关和机械式开关相比,具有可实现遥控化、智能化操作等特点,在照明领域应用时节能效果十分显著,尤其是遥控开关具有灵活方便的操作方式,更受使用者青睐。但目前市场上照明用电子开关并不多见,究其原因,是由于机械式开关都是采用两线制连接(如墙壁开关、拉线开关等),而电子开关由于使用常规的电源供电电路设计,造成不能与两线制机械开关完全兼容,目前市场上常见的电子开关产品中,只有单稳态工作模式的产品是兼容两线制的,比如声、光控延时开关、触摸延时开关等,这类产品采用两线制方案设计,在开关打开状态,开关的两个连接线处于导通状态,压降为0,此后开关的导通是靠内部电容器的放电来维持晶闸管继续导通的,延时一定时间后电容放电完毕,开关将自动关闭。这类开关使用中有很大的局限性,仅限于楼道这一场合使用,室内通常使用既能常开、又能常闭的双稳态开关产品,双稳态的电子开关如果采用常规的电源供电电路来设计,就需要采用三线制、四线制连接,与现有的机械开关不能兼容,安装、布线比较复杂,因此设计一种适合两线制电子开关通用的电源供电电路十分必要。
下面首先对电子开关的电路构成以及用常规电源供电电路设计的电子开关不能完全兼容两线制的原因做一个简要的剖析。无论电子开关的控制方式如何,从电路构成来看,都是由电源供电电路、开关状态控制电路以及开关执行电路三大部分构成,其中电源电路通常使用电容降压或电阻降压式整流稳压电路,这两种电路的典型应用分别见图1、图2。
图1所示的电路采用电容降压式供电电路作电源,其特点是供电电路直流输出电流较大,电源效率高。最大输出电流主要取决于降压电容C1的容量,当C1取1μF,输入交流电压220V情况下,该电源的最大直流输出电流可达50mA以上,适用于负载电流及开关驱动电流较大的工作领域。其缺点是用该电源制作的电子开关需要有三个外接导线①、②、③,不能与两线制开关兼容,如果将外接导线②和③连在一起,当作两线制开关使用时,那么电源输入端①和②两端电压在开关导通状态下将下降为0,此时开关不能在导通状态下持续稳定地工作,最终会造成开关自动关闭,所以不能将②和③连在一起当作两线制开关使用,也就是说,这种电容降压式供电电路不适用于两线制电子开关的制作。

图2所示的电路采用电阻降压式供电电路,R1为降压电阻,其特点是直流输出电流很小,只能提供μA 级的输出电流,否则电源效率将很低,适用于负载电流及开关驱动电流都极小的工作领域。另外,由于该电路采用两线制连接,开关在导通状态下VS两端压降为0,电源输入端将被开关元件VS所短路,使电源停止工作,因此这种连接方式的开关不能在导通状态下维持太长的时间,仅适用于开关打开后延时一段时间自动关灯的暂稳态工作领域,而且开关元件只能使用触发电流极小的单向晶闸管,用双向晶闸管或继电器作开关元件就不合适。由此可见,电阻降压式供电电路用于两线制电子开关产品时只能工作于单稳态模式。

由以上分析可见,电子开关要解决两线制兼容问题,首先要解决电源供电电路在开和关两个状态下都能持续工作问题,只有这一问题解决了,电子开关的两线制兼容问题才有可能实现。
二、作品用途
本人设计了一种通用的两线制电子开关电源电路,解决了电子开关的两线制兼容问题,开关在关断状态下电源电路仍能照常工作,该电源具有输出电流大、效率高、应用范围广泛等特点,不仅可用于两线制开关应用领域,而且还适用于两线制调光、调速等领域,并利用该电源制作出了两线制遥控开关。该开关可以直接代换现有的机械式开关产品,实现了人们躺在床上或坐在沙发上也能轻松开、关电灯的愿望。
三、电路图及其他相关的图纸
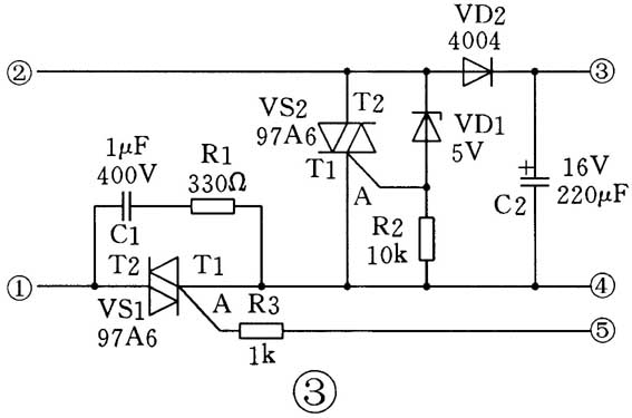
图3是两线制电子开关通用电源电路的工作原理图,该图中①、②为电源输入端,同时又是开关产品的两根外接导线,③ 为直流正电压输出端,④ 为直流负电压输出端,同时又是线路内部公共接地端,⑤ 为开关状态控制端。

图4和图5是该电源的两种不同的应用方法。其中图4为正极输出、负极接地,图5为负极输出、正极接地。
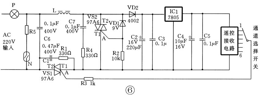
图6为该电源应用于多通道遥控开关的一个具体的应用实例。

图3中电容C1的容量决定该电源输出电流的大小,通常取0.22μF~1μF;稳压管VD1决定输出电压的高低,直流输出电压与稳压管的稳压值相等,C1和VD1应根据实际工作需要选取;VS1、VS2选用1A/400V的双向晶闸管,这样对于开关100W以内的照明电器即可满足需要,对于调速应用的感性负载,比如用作电扇调速器时,VS1、VS2应选用600V或800V的双向晶闸管,对于功率较大的照明电器,应使用3A/600V或以上的双向晶闸管,以保证晶闸管的工作电流能满足负载电器的功率要求。
四、电路的详细工作原理
下面以图3为例说明电源电路的详细工作原理。
图中,晶闸管VS1既是电源电路的一部分,又是电子开关的总电源开关,它的导通与否受电子开关内部的状态控制电路所控制(请参考图4)。在交流电的一个周期内,当输入电压处于① 端为正、② 端为负的半个周期时,电流经①端进入,经过C1、R1(当开关处于导通状态时,电流直接经过VS1的T2极到达T1极)、流经R2、VD1后,由②端流出,同时在R2上产生下正上负的电压降。当R2两端的电压达到晶闸管VS2的触发电压0.7V时,VS2被触发导通,此时电流由VS2的T1电极流入,由T2电极流出,直接到达②端,形成这半个周期的导通回路;当输入电压为②端正、①端为负的半个周期时,在交流电过0的一瞬间,晶闸管VS2必然关闭,此后电流由②端进入,经过VD2、C2、R1、C1(当开关处于导通状态时,电流直接由VS1的T1极到达T2极)后,由①端流出,同时对直流输出端滤波电容C2进行充电,C2两端电压不断升高,当C2两端的电压达到稳压管VD1的反向击穿电压临界值时,VD1开始反向导通,并在R2上产生上正下负的电压降,当该电压再次达到晶闸管VS2的触发电压0.7V时,VS2再次被触发导通,此时电流由VS2的T2电极流入,由T1电极流出,此时C2的充电回路被VS2旁路,旁路电流经VS2、R1、C1(当开关处于导通状态时,电流直接由VS1的T1极到达T2极)后,由①端流出,形成另外半个周期的导通回路。由此可见,在交流电的每一个周期里,都会有电流对C2进行充电,使直流输出端C2两端的电压得以维持,并且C2的充电不受电源总开关VS1状态的影响,无论VS1是开还是关,C2的充电都不会中断,从而保证了开关在关断的情况下电源仍然能够持续稳定地工作。图中稳压管VD1起着稳定输出直流电压的作用。
该电源电路的优点是,直流输出电流较大,效率较高,而且电源开关器件VS1的T1极与直流输出端的公共接地端④共地,能够很方便地通过施加在VS1触发极A上的电压来改变开关VS1的导通状态,从而实现开关控制以及调光、调速等功能。
在图6所示的遥控开关的具体应用中,增加了以下电路:在开关的输入端增加了由R5和氖泡N所组成的状态指示电路,用于指示开关的工作状态,当开关关断时,氖泡N点亮,当开关导通时,氖泡N熄灭;开关的输入端还增加了由C6和L所组成的高频滤波电路,以免本机产生的开关干扰串入电力系统,同时也避免来自电力系统的高频干扰影响本机工作;在VS2两端还增加了由C7和R4所组成的吸收回路,同时降压电容C1和R1又充当了开关器件VS1的吸收回路;另外在直流输出端增加了一个三端集成稳压器IC1,型号为7805,以进一步稳定直流输出电压;同时直流输出端还有两只高频滤波电容C3和C5,以保证供给状态控制电路的直流工作电压更加纯净。由于红外线遥控专用编、解码芯片品种较多,在此对遥控接收电路和遥控发射电路就不再详细介绍。
五、使用方法
遥控接收电路由红外线遥控接收头和6通道红外线遥控专用解码芯片组成,通道选择开关设在电子开关上,可以方便地调节工作信道,如果在同一个房间装有两个以上电子开关时,应将每个电子开关上的通道选择开关设置在不同的通道上,使每个开关的状态可以单独受控,遥控接收电路的6个输出端1~6都工作于双稳态模式。红外线遥控发射器也是6通道的,上面有6个按钮,每个按钮分别对应一个信道,各信道相互独立,可以单独进行遥控开或关,每个信道之间互不影响。使用时将电子开关直接替换原有的机械式开关即可。以开关工作于第一信道为例,按压遥控发射器按钮1,电子开关接收到遥控指令后,遥控接收电路第1输出端跳变为高电平1,该高电平电压通过R3触发VS1,使其导通,白炽灯P点亮;当再次按压遥控器按钮1时,遥控接收电路第1输出端跳变为低电平0,此时开关VS1因失去触发电压而关闭,白炽灯P熄灭。
该电源应用于调速、调光、调温等产品中时,只需将遥控接收电路改为遥控调节电路即可。有关调速、调光等专用的调节芯片品种较多,可根据需要选取合适的芯片设计。
(金海亮 刘爱霞)