本作品是一种环保型照明开关,用于控制室内外照明。由于本作品采用了人性化设计思想,在照明灯的开与关两个过程中,亮度从暗到亮和从亮到暗是一个渐变的过程,改变了传统的照明控制状态,消除了灯的明、暗突变对眼睛造成的不适感,同时大大延长了灯泡的使用寿命。
一、工作原理
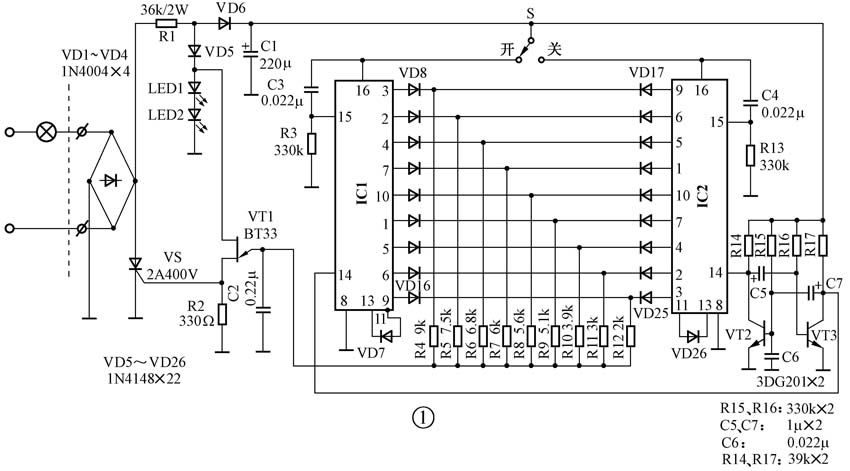
开关电路如图1所示,电路采用二线制,以方便传统照明开关的直接代换。虚线右侧为开关电路,VD1~VD4、晶闸管VS组成交流电的主回路,单结晶体管VT1、R2、C2和控制电阻R4~R13之一组成了典型的晶闸管触发电路,IC1、IC2及其外围元件分别用来实现渐明、渐暗的控制过程。VT2、VT3等组成多谐振荡器,为IC1、IC2提供约2.5Hz的工作脉冲。

IC1控制照明灯的渐亮过程,C3、R3组成复位电路,S控制IC1和IC2的电源,当开关处于“开”的位置时,电源接通,CD4017复位,并开始计数,输出端按③、②、④、⑦、⑩、①、⑤、⑥、⑨、的顺序依次输出高电平,电流通过控制电阻R4~R12逐步加快对C2的充电速度,单结晶体管输出的触发脉冲的相位角随之逐步减少,晶闸管的导通角也相应减小,灯泡上电压逐步增大,亮度由暗变亮,当IC1的出现高电平,通过VD7使计数禁止端也获得高电平,这时CD4017停止计数,高电位保持不变,灯保持最亮状态,完成渐亮的控制过程。
IC2控制照明灯的渐暗过程。当开关处于“关”的位置时,IC2被复位并开始计数,电流通过R12~R4逐步降低了对C2的充电速度,晶闸管导通角逐步增大,灯泡上的电压逐步下降,亮度由明变暗,当出现高电平后,IC2计数被禁止,保持高电位不变,因未接控制电阻,VT1不工作,晶闸管关断,灯泡保持熄灭状态不变,从而完成渐灭的控制过程。
图中VD8~VD25为隔离二极管,LED1、LED2串联给VT1提供约3.8V的稳定电压,此处的稳压值不可过高,否则灯亮后会使电压下降较多,达不到稳压值而使电压变得不稳定。VD5隔离VT1产生的谐波干扰,同时抵消VD6的压降,提高VD6的输出电压。C6用于滤除干扰信号,使振荡器工作稳定。
二、元件选择及安装
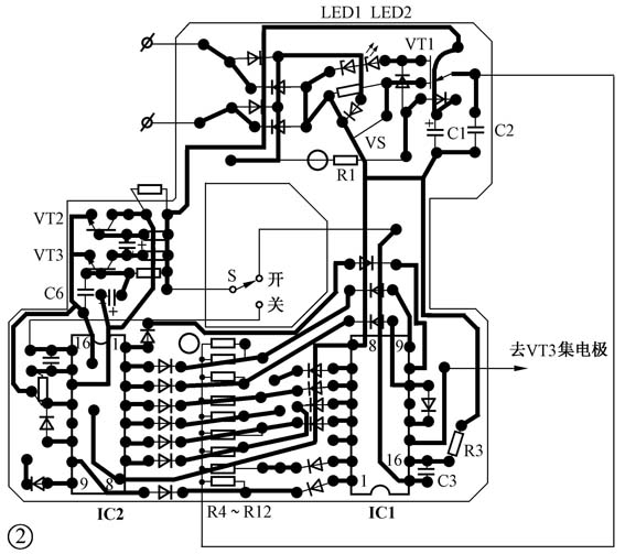
所有元件都是通用元件,无特殊要求。S可利用86型墙壁开关改制,或选用船形开关,装在墙壁开关面板上。取一只墙壁开关芯,改制成接线柱,用双组分胶粘在面板背面。元件装在一块65mm×65mm的线路板上,安装在开关面板的背面。图2是印制线路板图。

三、调试
电路中需要调试的元件是控制电阻R4~R12,其参考阻值见图1,仔细调整,使灯在渐明和渐灭的过程中亮度均匀变化即可。
图中所示元件参数,最大控制功率为200W,增大VD1~VD4和VS的功率,可提高控制功率。需要指出的是,此电路只适用于白炽灯类照明控制,不能用于日光灯。
(车全阔)