一、 作品设计来源
本人因工作之便,管理宾馆电器工作,客房用于采暖及制冷的中央空调没有自动调温系统 ,使用很不方便。所以本人经过设计开发出一套客房中央空调专用调温控制电路。加工一百余套用于本单位,使用二年有余,效果很好,温度控制准确,使用方便。
二、作品用途
本作品专门用于星级宾馆客房内中央空调的温度控制,既能用于制冷又能用于制热,双向控制,控制温度设定后,室内温度上升或下降2℃时,即可启动电机转或停。温度控制范围在15~30℃。
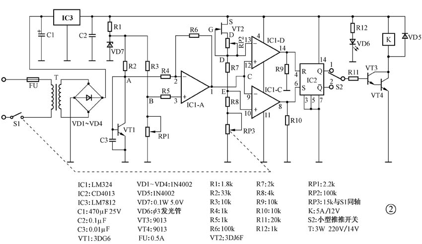
三、电路图
四、电路工作原理
VT1与R2、R3、RP1组成测温电桥。其中VT1是三极管3DG6,利用其发射结作为温度传感器。当工作电流为130μA时其温度系数为-2mV/℃,为稳定VT1的工作电流,从而稳定其温度系数而设置稳压管VD7。夏天,当室内温度升高时,A点电位发生相应变化,每升高1℃,A点下降2mV,经IC1-A放大100倍,C点下降200mV,①脚输出至窗口电路与设定电位进行比较。VT2、RP2、R7、R8、RP3组成恒流源电路,为R7、R8、RP3提供约200μA的恒定工作电流,这样可使D、E之间的压降固定为400mV,不因RP3的改变而改变。因而使得窗口电压D、E之间保持固定的电压差。R8的作用是使RP3调为最小时,能使E点电位保持大于0电位,使得C点变为最小时能够小于E点而使电路翻转。
例如:夏天,设定室内温度为15℃时(这时E点为0.8V、D点1.0V)室内温度较高,C点电位低于设定值E点时,IC1-C的⑧脚为高电位,IC2的S端置位,Q端为高电位,VT3、VT4导通,K吸合,风机工作开始制冷,室内的温度开始下降,随着温度的降低,C点电位开始升高,当高于E点时IC1-C的⑧脚为低电位,IC2的R端没有复位,Q端仍为高电位。随着制冷的进行,C点电位的升高,当高于D点时,IC1-D比较器翻转,由低电位为高电位,R端复位,使IC2翻转,Q端为低电位,Q为高电位,VT3、VT4截止,K释放,风机停转。当温度再次升高时,C点电位开始下降,降至E点电位时,IC1-C又翻转,⑧脚为高电位,S端置位IC2翻转,Q为高电位,风机转动制冷。周而复始电路工作于窗口电压之间。冬天时把S2的动点闭合于IC2的②端时,工作过程正好相反,当室内温度升高时停机,降低时开机。
调试时,把感温头浸在15℃的水中(用较大的水杯,水温变化较小,以利于有足够的时间进行调整)调整RP1,使C点电位在15℃时为0.8V,然后调整RP2使E点电位为0.8V,此时流过R7的电流为200μA,这时左右调整RP1时能听到K的闭合与断开声,证明调试已完成。R7采用精密电阻,以保证调温的准确度,把电路装入86盒内安装在墙上。感温探头装入直径8mm的铜管内,用103胶封闭,安装于风机盘管的入风口处即可。
五、使用方法
使用时,用于夏天制冷时把S2的动点与IC2的①脚闭合。冬天取暖时把S2的动点与IC2的②脚闭合。客人入住时,根据室内温度情况设定温度值,制冷或制热温度超过设定温度时,电路启动。S2安装于面板上有利于冬夏制冷或制热的转换。
(徐洪生)

