当人们在外出旅游途中或野外作业时,适逢手机没电了,又急需与外界联系,身边又找不到220V市电插座进行充电,怎么办?笔者针对这种情况设计制作了一款便携储能式旅行电源,可以把4V直流电变换成220V交流电,虽然功率只有3W,却完全可作为手机、电动剃须刀等小家电的应急充电电源或备用电源,携带使用十分方便。
该电源的电原理如图1~图3所示。实际上,它是一个简易逆变电源,把直流4V逆变为交流220V,频率在55Hz左右,适应手机对充电电源频率的要求(手机充电器适用频率为50Hz~60Hz)。整个电路由逆变电路、充电电路和检测控制电路三部分组成。
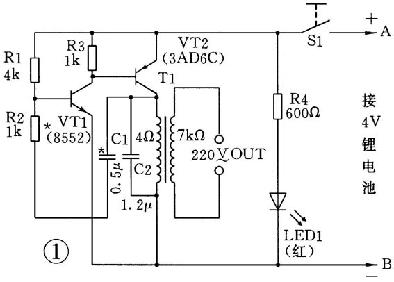
逆变电路是旅行电源的核心,由图1可见,它实际上是一个音频振荡器,利用VT2的间歇通断使音频输出变压器T1的4Ω绕组产生连续交变的脉冲电压,在7kΩ绕组上感应出220V/55Hz的交变电压。C2起高频旁路作用,发光二极管LED1作为通电指示。

充电电路如图2所示。因为本旅行电源的直流电源采用标称电压为4V的可充电锂电池,对充电电路的要求较为严格,所以在设计中选用了变压器降压、整流、稳压充电电路。220V市电经变压器T2降压为9V,进行整流滤波,再经三端集成稳压器7805稳压,VD1和R5限压、限流,输出约4.4V的充电电压。发光二极管LED2用作充电指示灯。制作时注意,三端稳压器7805应加装足够大的散热片。

检测控制电路见图3,它可以直观地显示充电状态,并自动切换充电、停充状态。图中电磁铁M需自制:用Φ0.09的漆包线在Φ6的铁螺钉上乱绕,使线圈的直流电阻为40Ω左右即可。当A端电压(锂电池电压)低于3.8V时,VT3的基极电流较小,VT3截止,与此同时,电磁铁M无电流通过,紧贴在M上的干簧管AG1、AG2不动作,即AG1的触点“1”和触点“2”连通,AG2的触点“1”和触点“2”连通。这时,充电电路的C端经AG1与锂电池正极(即A端)连通,闭合开关S2,即可对锂电池充电,同时双色发光二极管LED3的红灯亮。当A点电压上升到4V后,VT3的基极电流随之增大,VT3导通,电磁铁M通电,干簧管AG1、AG2动作。AG1断开了充电回路,锂电池停止充电;AG2切断了双色发光二极管红灯的电源,接通了绿灯的电源,指示锂电池已充足电。设置检测控制电路的目的,是由于锂电池最大允许电压为4.4V,超过4.4V有可能爆裂而损坏,通过检测电路检测到电池电压为4V时即自动切断充电电路。

使用时,接通逆变电源的开关S1,逆变电路开始工作,LED1亮,向外输出220V交流电压,供手机等小家电作充电电源。对锂电池充电时,接通开关S2,插上市电插头,发光二极管LED2亮,指示充电过程正在进行。充电结束后,断开开关S2,并拔掉市电插头,以避免锂电池电压降至3.8V以下,干簧管AG1常闭触点复位,电池对R5放电。开关S3是检测控制电路的开关,在逆变和充电状态下,应接通S3。
(钟武军)