本文介绍的无线数显温度计(见图1)可以将100m外的温度信号以无线传输的方式送到显示终端进行数字量的温度显示。测量范围为0.2℃~99.9℃。整个装置由温度检测发射部分和接收、温度显示部分组成。其原理框图见图2。图2(a)为温度检测发射部分;图2(b)为接收和温度显示部分。电路原理见图3。在图2(a)中,由IC1作温度检测探头并将温度信号变为电压输出(T/V),送至IC2进行电压-频率(V/F)转换,最后代表温度高低的频率信号经发射模块调制后送出。在图2(b)中,由接收模块接收并处理、分离出对应的代表温度高低的频率信号,并通过一个简单的频率计电路显示对应的温度值。



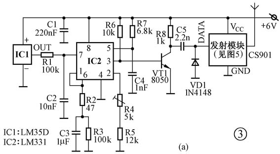
一、 温度检测及发射部分〔见图3(a)〕
1.温度检测和温度—电压(T/V)转换
由IC1(LM35D)组成温度检测和T/V转换部分。IC1(LM35D)为集成温度传感器。当温度在-50℃~+150℃范围变化时,它能以10mV/℃的线性变化输出与摄氏温度成正比的电压信号,实现温度到电压的转换。这里由于采用的是单电源接法,它可以实现0℃~150℃范围的测温,对应的输出电压为0~1.5V。但经实测,在这个电路中能被后面电路所使用的电压为0.2~0.99V。这也决定了这款温度计的测温范围。IC1的工作电压可为4~30V,精度为±1℃。最大线性误差为±0.5℃;静态电流约为80μA。它的特点是无需外围器件,无需调试及校正,使用起来很方便。它的输出电阻很低,约0.1Ω,具有良好的带负载能力。LM35D的外形如塑封三极管(TO-92),见图4。

2.电压—频率(V/F)转换
用IC2(LM331)实现电压—频率(V/F)转换。LM331是广泛采用的一种廉价、精密的电压—频率(V/F)转换专用集成电路。它的主要特点是:V-F变化特性为10Hz/mV,其非线性误差小(0.01%)。电源适应能力强,可使用单5V电源。V-F的转换范围宽(1Hz~100kHz),温度稳定性好,输出负载能力强,能同时兼容CMOS和TTL逻辑电平。将以上两个电路结合起来,我们就可以实现温度到频率的转换。比如,温度为1℃时,LM35D输出电压为1×10mV=10mV,LM331输出频率为10×10=100(Hz)。同样,当环境温度为25.5℃时,LM35D输出电压应为25.5×10=255(mV),此时LM331输出的频率应为255×10=2550(Hz),即2.25kHz。
3.信号发射
为保证发射信号的质量,这里采用性能稳定的成品发射模块(CS901)作为信号发射输出电路(图5)。模块发射频率由VT1的基极和发射极之间的声表谐振器SWA决定,频点为315MHz,频率稳定度较高,环境温度在-25℃~85℃之间变化时,频率漂移近似为3ppm/℃。另外,VT2在这里作数据调制用,这种结构使它可以很方便地和各种固定编码电路、单片机接口,

而不必考虑编码部分电路的工作电压及输出信号幅值的大小。它的工作电压为3~12V,在外接25cm的软天线时,与接收电路CS902配合,控制距离可到100m以上。
由IC2输出的表示温度量的频率信号经C5送到发射模块的VT2进行调制,再通过发射模块向外发射信号。
二、 接收和温度显示部分〔图3(b)〕
1.信号接收
信号接收、处理采用CS902接收模块,内部电路见图6(b)。这是一个超再生接收电路,它与一般的超再生接收电路比较有以下优点:(1) 天线输入端有选频回路,而不依赖1/4波长软天线的选频作用,控制距离较近时可以剪短甚至去掉外接天线。(2) 输出的波形在没有信号时是一条直线,干扰信号只是在这条直线上产生极短暂的针状脉冲,而不像其他超再生接收电路会产生密密的噪声纹波,所以抗干扰能力较强。(3) CS902自身振荡辐射极小,加上电路模块背面网状接地铜箔的屏蔽作用,可以减少模块自身振荡的泄漏和外界干扰信号的侵入。(4) 采用带骨架的铜芯电感将频率调整到315MHz后封固,这与采用可调电容调整接收频率的电路相比,温度、湿度稳定性及抗机械震动性能有极大的改善。提高了此电路的信号接收稳定性和可靠性,保证了整机性能。同时,由于采用模块电路对电路的简化以及电路的制作和调试也带来很大的便利。
2.温度(频率)显示
这部分实际是一个简易的频率计,通过检测接收模块输出的频率信号,来反映测温点的温度值。下面分别介绍几个主要部分的功能和工作原理。
(1) 10分频电路
由前面的分析可知,接收模块收到发射信号后,处理分离出表示温度量的频率信号,经IC1B进行整形处理,然后进入由IC2B构成的10分频电路。为什么要进行10分频处理?前面我们提到,当环境温度在25.5℃时,输出的频率为2550Hz,也就是说在IC1B④脚输出的频率为2550Hz,为简化后面的电路设计,温度显示部分我们采用的是3位显示,最大显示数据为999,同时考虑到一般温度显示精确到0.1℃时就够用,所以这里对输入频率先进行10分频处理,使送入频率计显示的频率为255Hz,配合小数点的选择,此时我们看到的显示就是25.5℃,正好与实际环境温度吻合。
另外,该分频电路工作的条件为:这里我们取计数脉冲由⑩脚(CPE)输入,为下降沿触发有效,另外⑨脚(CP端)需同时保持为低电平“0”状态,电路才会正常工作。因为⑨脚为清零端R;当R端上加高电平“1”或正脉冲时,则计数器各输出端均为低电平“0”状态。
(2) 时钟电路
为简化电路,这里直接从变压器的次级引入频率为50Hz的电网频率信号,经IC1C整形、处理由IC1C的⑩脚输出50Hz的方波信号,再经IC2A进行10分频后得到5Hz的标准信号作为计数控制电路的时钟信号。由于这里的5Hz时钟信号是决定本电路测量精度的关键,所以对于电网频率不很稳定的地区,也可以采用独立的50Hz(或5Hz)时钟源为电路提供计数脉冲。
(3) 计数控制和输出显示电路
这是本电路的核心之一,实际上它也是一个标准的频率计电路。我们知道,频率计的基本原理是通过检测单位时间(通常取1秒)内信号次数来反映被测信号的频率。下面分析其工作原理。
这里主要由IC5(CD4553)、IC6(CD4511)、D6~D8、VT2~VT4等组成计数、显示电路。先介绍IC5的主要功能。CD4553是一片三位BCD计数器,该计数器的特点是只有一组BCD码输出端,但通过内部分时控制可形成三位十进制数字显示。其内部电路见图7。三个负边沿触发的BCD计数器(个位、十位、百位)以同步工作方式级联,每个BCD计数器输出端都有一个四位锁存器,通过⑩脚闭锁使能端(LE)控制,对计数结果加以储存或转送。LE为高电平时,执行锁存;LE为低电平时,执行送数。锁存器与多路转换器配合,完成三组BCD计数器计数值的分时输出(Q0~Q3)。数字选择输出(DS1~DS3)提供与分时输出同步的控制信号,用以形成动态显示方式,低电平有效。即当DS1为低电平时,计数结果输出Q0~Q3通过多路转换器取得的是个位的计数值;当 DS2为低电平时,取得的是十位的计数值;当DS3为低电平时,取得的是百位的计数值:DS1~DS3在某一时刻只有一个为低电平,并周期循环,形成一个三位时序信号。芯片内部设置了一个扫描振荡器,用来产生扫描时钟脉冲,通过扫描器驱动多路转换器完成分时输出。扫描振荡频率可由芯片③、④脚所接的电容C来设定,作为内部时钟,或由④脚直接输入外部时钟。在的计数输入端(C)设置了脉冲整形电路,因此对输入计数脉冲的边沿无特殊要求。是时钟抑制端(Dis),当Dis端为高电平时,将输入计数脉冲禁止,从而保留原来的计数值。为复位端(MR),当MR为高电平时,扫描振荡被禁止,扫描器被复位,数字选择输出 DS1~DS3均输出高电平使显示器消隐,同时还将三组BCD计数全部清零。为溢出端(O.F)。当三组BCD计数器的计数值由“999”变为“000”时,O.F输出一个正脉冲,这主要为了用于级联。IC6为BCD—七段译码,驱动三个共阴的数码管。R7~R13、R14为数码管各字段和小数点的限流电阻。如改变电源电压,应注意这几个电阻的取值,以保证数码管能正常工作。
由IC4(CD4017)组成时序控制电路,以完成频率计电路必需的1秒闸门、数据锁存、刷新、清零等过程。图8为工作时各关键点的波形图。
综合上面的分析,我们总结一下这部分电路的工作过程(参考图8):当时钟脉冲到来时,IC4开始计数。我们从IC4的复位端(⑦脚)开始分析,由C4、R3组成的微分电路使IC5被复位,同样因为此时IC2B的⑨脚为高电平“1”,使IC2B各输出端为低电平“0”状态,无频率输出。随后IC4的进位端C0()为低电平,即IC5的时钟抑制端Dis()也为低电平,时钟抑制端失效,此时计数闸门被打开。同时,IC2B的⑨脚也为低电平,由前面的分析可知,IC2B此时会将10分频后的频率信号由送至IC5的计数输入端(),1秒钟(0.2×5=1秒)后,IC4的变回高电平,IC5的时钟抑制端恢复工作,将输入计数脉冲禁止,即计数闸门此时被关闭,同时保留原来的计数值。0.2秒后,IC4的②脚变为高电平,经IC1A反相后,使IC5的闭锁使能端LE(⑩脚)为低电平。我们知道,当LE为低电平时,执行送数;反之,执行锁存。由图8可以看出,其锁存时间为0.2×8=1.6秒,送数时间为0.2秒。所以实际我们可以看到,温度显示值每过1.8秒被刷新一次。
三、电路制作
由于电路并不复杂,本制作没有采用印制电路板,直接用实验电路板焊制。但在元器件的选择上和电路布置上花的时间和精力比较多。各元件应选用正品,发射部分的C3采用1μF的无极性钽电容。发射、接收模块的脚位判别可对照实物和电路图。其他集成电路可参考图9。制作时,接收部分由上下两层构成。上面为数码显示控制、驱动部分。下面一层为电源和接收模块、分频电路。整个装置发射部分的体积为:45×45×10mm3,接收部分体积为72×42×25mm3。
四、电路调试
按图接好线、仔细检查无误后,即可通电调试。
1.温度检测和发射部分
在6V电压下,这部分电路的工作电流为10mA。然后用数字万用表(如:DT9208)2V挡测量IC1的输出端(即②脚)电压,并记下读数。再用数字万用表的20kHz的频率挡测量IC2的③脚的输出频率,记下此时的读数。正常情况下两个读数应接近(不考虑小数点)。如测得IC1的②脚为0.255V即225mV,此时IC2③脚的频率读数应为2.55kHz。如有差别可调整R4校准。发射部分一般无须调整。
2.接收部分和温度显示
首先,断开所有电路,检测电源部分电压是否为6V。正常时接收部分电路工作电流约为25mA。恢复电源,用数字万用表的20kHz的频率挡测量接收模块的信号输出端(即DATA端),应该有同样的频率读数,如2.55kHz。否则说明接收模块工作不正常。随后,可用数字万用表的2kHz的频率挡检查IC1C的⑩脚频率是否为50Hz。以上如果都正常,只要接线无误,电路就会正常工作。另外,如果用带频率计的数字万用表,配合CS902模块,就可组成一套实用的无线温度计接收显示部分,使这款无线数显温度计制作大大简化。
五、温度计的校准和使用
最后,可以用这款无线数显温度计与一般的酒精或水银温度计进行对比测量实验。在调整良好的情况下,一般误差不会大于±0.5℃。但由于LM35D本身封装的原因,加之扫描时间间隔的影响,其显示的温度会稍有滞后,这属正常现象。所以在进行调试或对比测试、校验时,应在被测温度相对稳定后再进行调整和记录。附表为这款无线数显温度计对比测试情况分析表,由于条件限制,这里只取了几组温度进行测试(如电冰箱冷藏室的温度;不同时间的室内外环境温度;60W台灯下10cm处温度),测试距离约为30m。
(傅劲松)