数字式电子钟的LED显示屏普遍采用三位半式结构,只能显示“时:分”信息,即前一位半数码为“时”显示,后二位数码为“分”显示。本文介绍的双色双历数字式电子钟采用三位半双色数码显示屏将“月:日”及“时:分”双历时间信息按一定顺序及时间间隔分别以绿色数码及红色数码自动交替显示出来,在绿色数码显示日期信息的同时,在相应位置上由红色LED组成的“月”字、“日”字被点亮,因此具有美观醒目,动感强的特点。
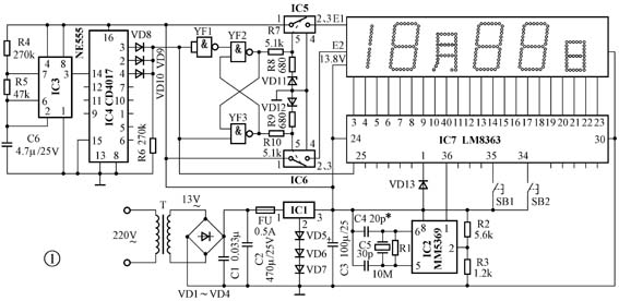
图1为双色双历数字式电子钟电原理图。由时基电路IC2(MM5369)、数字钟电路IC7(LM8363)完成计数、分频,其中LM8363的为时基信号输入端,在时基电路中调整C4的数值,使MM5369的①脚输出频率为60Hz的方波脉冲信号,从而使LM8363准确计时,LM8363的①脚为熄灭控制端,该端无电压输入时数字钟电路无时间信息输出,而其内部时钟继续保持,当该端为高电平时,数字钟电路输出时间信息。LM8363为时(月)设置端,为分(日)设置端,为双历时间选择控制端,该端为高电平时,LM8363输出“月:日”信息,为低电平时,LM8363输出“时:分”信息。LM8363③脚~输出的时间信息经三极管(9013)在双向电源、模拟开关(CD4066)的控制下驱动双色LED显示屏。IC3(NE555)、R4、R5、C6组成自激多谐振荡器(调整R4或C6的数值改变振荡周期),其③脚输出的脉冲信号至IC4(CD4017:十进制计数-译码器)的,该端为脉冲输入端,在输入脉冲作用下,其十路输出端③、②、④、⑦、⑩、①、⑤、⑥、⑨、依次输出高电平,在任意时刻只有一路为高电平,其他九路均为低电平。

当十进制计数-译码器CD4017输入第1个脉冲时,其输出端③脚为高电平,此时二极管VD8(1N4148)导通,YF1~YF3构成的施密特触发器输入端为高电平,YF2输出为高电平,YF3输出为低电平,功率开关集成电路IC5(TWH8778)、IC6(TWH8778)的控制端(⑤脚)分别为3.6V和0V,此时IC5内部闭合,IC6内部断开,双向电源产生电路中E1=13.8V,E2=0V,同时VD8的导通使LM8363为高电平,LM8363输出“月:日”信息。由于二极管VD8、VD9、VD10为或逻辑关系,因此当CD4017输入第2个、第3个脉冲时,双色数码显示屏仍然显示“月:日”信息,见图2,其中的数码为绿色,汉字为红色。
当十进制计数-译码器CD4017输入第4~第10个脉冲时,其输出端⑦、⑩、①、⑤、⑥、⑨、依次输出高电平的过程中,YF1输入为低电平,施密特触发器输出端状态翻转,YF2输出低电平,YF3输出高电平,使双向电源产生电路中E1=0V,E2=13.8V,此时LM8363为低电平,LM8363输出“时:分”信息,同时输出1Hz秒闪信号,双色数码显示屏状态见图3,其中数码及秒闪均为红色。

在七段双色LED数码显示屏中,每段双色LED的工作原理如下[以图4(b)为例]:

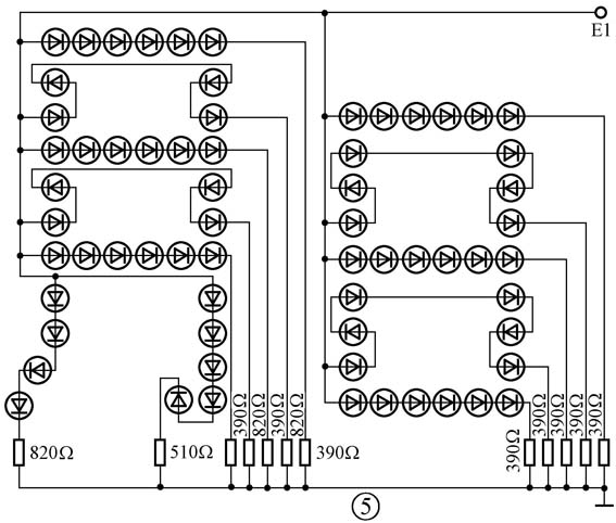
(1) 三极管VT1输入端为高电平(饱和导通),E1=13.8V,E2=0V,显示“月:日”信息,驱动电流方向:E1→VD13→R12→LED6~LED1→R13→S1→VT1集电极,此时双色LED发绿光(红色截止),红色汉字“月,日”发光(见图5)。

(2) 三极管VT1输入端为低电平(截止),E1=13.8V,E2=0V,由于无驱动电流,此时双色LED不发光,红色汉字“月,日”仍发光。
(3) 三极管VT1输入端为高电平(饱和导通),E1=0V,E2=13.8V,显示“时:分”信息,驱动电流方向:E2→VD14→R13→LED1~LED6→R12→S2→VT1集电极,此时双色LED发红光(绿色截止),由于E1=0V,所以汉字“月,日”不发光。
(4)三极管VT1输入端为低电平(截止),E1=0V,E2=13.8V,无驱动电流,此时双色LED不发光,汉字“月、日”仍不发光。
由于电路中LM8363工作于12小时模式,因此LM8363③脚输出的10月位(10时位)的b段与c段同时点亮或熄灭,输出的10日位(10分位)的a段与d段也是同时点亮或熄灭,因此LM8363输出端中的③脚及都是由一只三极管同时驱动两段双色LED[见图4(a)],LM8363输出的1Hz秒闪信号驱动方法见图4(c)。
图1中施密特触发器输入端YF1受控于CD4017的十路输出,在自激多谐振荡器的作用下,CD4017输入连续的脉冲,其十路输出端的电平高、低交替变换,使施密特触发器输入端高电平与低电平变化比例为3∶7,由于NE555③脚输出的脉冲周期为1秒,所以双向电源电E1=13.8V的时长为3秒,E2=13.8V的时长为7秒,在双色双历显示屏上则循环显示为:“月:日”以绿色数码、红色汉字显示3秒(见图2)→“时:分”以红色数码显示7秒(见图3)→“月:日”以绿色数码、红色汉字显示3秒→“时:分”以红色数码显示7秒……。
图1的电源电路中,经变压器T的电压变换,次级得到13V交流电压,经VD1~VD4(1N4007)桥式整流,C1、C2滤波及IC1(AN7812)稳压,得到稳定的直流电压,考虑到七段双色LED数码管中每段为6只发光二极管,其导通时的压降要大于12V,因此在三端稳压器AN7812②脚对地接入三只1N4007二极管使其输出电压提升1.8V(直流输出电压为13.8V)。
元器件选择:电源变压器T功率应大于10W,VD11、VD12为3.6V稳压二极管,YF1~YF3为CD4011(二输入端四与非门),S1、S2为CD4066(四双向模拟开关),SB1、SB2为轻触按钮,双色双历数码显示屏中三位半数字部分为高亮度5两端式双色发光管构成,汉字为高亮度5红色发光管构成。
(张凤良)