本刊自2002年9月发布“电子制作征文大赛”通知以来,参赛者十分踊跃,目前初评工作已结束,根据参赛作品和评议情况,评委和本刊电子制作比赛组提出了下一步评选工作的意见:(1)由于来稿较多,在评选中突出了“创新、实用、简洁”的特点,对一些结构复杂、制作难度较大的作品或与本刊近年来刊登较多的题材雷同的作品未予入选;(2)对初步评选入围的部分参赛作品,先在《无线电》杂志上刊登,广泛征求读者意见后,再进行最后评定。"
一、作品设计来源
在彩电电路中,为了保护某些昂贵器件不轻易受损,同时,也为了避免某些故障的扩大,在电路中普遍设置了各种保护电路。通常,在彩电出现的故障中,有相当一部分均以自动保护关机的形式出现。
在出现的自动保护关机故障中,又有相当一部分故障表现为时好时坏,故障的出现不具有规律性,有时几分钟就可出现一次,有时需几小时甚至数天才出现一次,故障出现后重新开机又能正常工作。检修此类故障的通常作法一般都需对保护电路的各条支路进行监测。在故障未出现之前,各处电压又往往都是正常的,只有在故障出现前的瞬间才在某些关键点出现异常电压。彩电中的保护电路一旦启动,往往造成电视机主电路或某一部分电路停止工作,故障点的电压也会因电路停止工作而消失。因此,检修时不能等到故障出现后再去测量电压,而是必须对所怀疑的关键点电压进行监测,直到故障出现,并根据故障出现前瞬间监测点电压是否出现异常进行判断。如未发现异常,还需逐一对下一怀疑对象进行监测,直到找出故障元件。
当故障频繁出现时,上述检修方法还可行。但问题是有些故障出现的间隔时间常常较长且无规律,当我们对所怀疑的点进行监测时,故障可能很长时间并不出现。如果不能在故障前瞬间观测出所监测处的电压变化情况,故障出现、电视机自动关机后就什么也测量不出来了,由此常常造成监测失败。
由于以上所述原因,笔者常想,要是有一台仪器能同时监测保护电路中的多点电压,并能显示是否出现异常现象,且在电视机出故障自动关机后,该仪器还能保持对所监测对象的瞬间异常情况进行记忆并显示,那该多好。
本文所要介绍的彩电自保故障探查仪便是基于上述思想而设计制作的。有了这台仪器,碰到上述难对付的故障时,只需将要监测的点与仪器用导线连接好,让电视机通电工作,监测任务交给仪器去完成。待电视机故障出现后,仪器上的指示灯会告诉我们哪一个监测点出现异常,即可有针对性地进行检修。
二、仪器工作原理
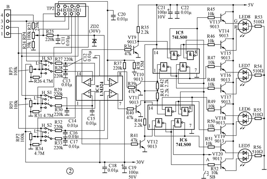
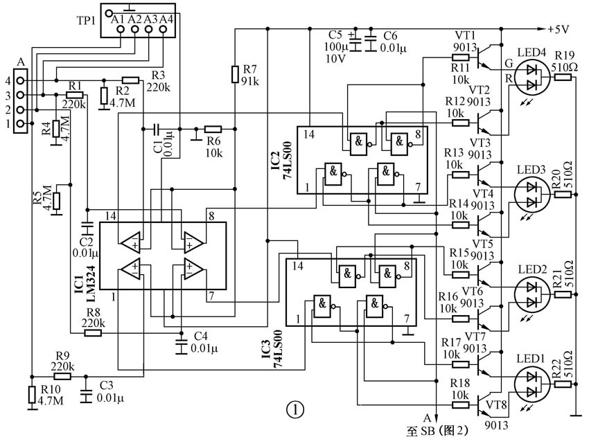
该仪器的电原理图见图1~图3。根据大多数彩电保护电路的结构,本机设置了8个输入端,可同时监测8个被测点的电压变化情况。其中A1~A2(图1)适合大多数彩电采用的高电平保护类型,即正常工作时无电压,故障出现时监测点电压上升。B1~B3(图2)适合监测正常工作时具有一定电压值,出现异常时该处电压上升或下降的监测点。B4专为监测彩电开关电源主输出电压B+异常升高而设。


A1~A2、B1~B2对监测点的电压检测及比较由两块最通用的四运算放大器LM324担任。反映被检测点电压是否异常的显示及记忆任务,由4块常见的TTL四与非门电路74LS00担任。将74LS00中的每两个与非门连接成一个基本的RS触发器,利用RS触发器的双稳状态实现故障状态的记忆。触发器为低电平触发。74LS00的⑤脚和⑨脚全部连在一起接复位开关SB,用于检测开始之前对RS触发器的复位。
现以A4检测电路为例说明其工作原理。该检测端适合于与保护电路中的晶闸管控制极、解码IC中的X射线保护端子或CPU的高电平保护监测端等正常工作时为低电位的检测点相连接。在电视机正常工作状态下,上述被监测点无电压或电压极低,这时IC1(运放反相输入端)为低电位,运算放大器同相输入端接于R7与R6的分压处,该处电压约为0.5V。电视机无故障时,IC1电压低于电压,其输出端为高电位,该高电平不能使RS触发器状态翻转。仪器使用前需手动复位,复位后IC2为低电位,⑧脚为高电位,VT1导通、VT2截止,双色发光管LED4中的绿灯亮、红灯灭。当电视机出现自动保护故障时,若被监测点电压上升,则IC1电压上升,当该脚电压高于比较电压时,电压变为低电位,该低电平使IC2⑧~内部两个与非门组成的RS触发器翻转,IC2跳变为高电平,⑧脚跳变为低电平,LED4红灯亮、绿灯灭,指示该检测点电压出现异常。这时,即使被测点电压恢复至正常值,IC1电压由低变高,但该高电平不能触发RS触发器,所以LED的指示状态保持不变,直至重新按一下复位开关SB,才能使RS触发器复位,LED指示灯返回绿色。为了使LM324的输出电平与TTL电路的输入电平匹配,IC1与74LS00一起共同由5V电源供电。A1~A3工作原理与A4相同。
B1~B3监测对象与A1~A4有所不同(参见图2)。现以B3支路为例说明其工作原理。当被检测点在电视机正常工作时存在一定电压值,且故障出现后该电压上升(如电视机中通常将行变灯丝绕组输出的电压经整流后作为X射线保护的监测电压,该电压上升表明显像管阳极电压上升,这时X射线保护电路动作),使用时将仪器的选择开关S3拨向“H”位置,这时被测点电压加至IC4。IC4接电位器RP3中点,用于设置比较电压,比较电压设置为比被测点正常电压值稍高(比较电压的设定方法将在后面述及)。当被测点电压正常时(例如为21V),IC4电压低于(例如设定为22V)电压,输出为低电位,VT9的c极为高电位,该高电压不能使IC5中的RS触发器状态翻转,RS触发器保持手动复位后的状态,LED8显示绿色。
当被测点电压上升至IC4电压高于电压时,输出端变成高电位,VT9的c极变为低电位,IC5中的RS触发器受触发,状态翻转,LED8由绿色转为红色,指示被测点电压出现异常。
当被测点为电视机出故障后电压下降的(如CPU的低电平保护检测端),使用时需将仪器中S3拨向“L”位置。这时,被测点电压加至IC4,IC4接电位器RP3中点。当被测点电压正常时(例如为5V),IC4电压大于(例如设定为4.5V),输出端低电位,VT9的c极为高电位,如上文所分析,此时LED8显示绿色。当电视机故障出现时被测点电压降低,IC4电压降低至低于比较电压时,输出高电位,VT9的c极变为低电位,LED8由绿色变为红色,指示被测点电压异常。B1~B2端口工作原理与B3相同。
当S1~S3拨至“H”位置,RP1~RP3旋至电压接近最低位置(0.5V)时,B1~B3接口等同于A1~A4接口的使用。
为了使B1~B3接口适应较高工作电压的检测点的监测,IC4使用30V电压供电,这样,其输出电压与IC5、IC6的输入要求便不匹配,因此,中间插入了VT9~VT12作为电平转换。B1~B3端口可监测工作电压最高接近30V的检测点,对于绝大多数彩电的保护电路均可满足要求。
B4端专门用于检测电视机B+电压是否异常升高。R37、R38将30V电压进行分压后作为比较电压加至运放的反相输入端⑨脚。B4端接电视机开关电源主输出(B+)端,调RP4使IC4⑩脚电压略低于⑨脚。电视机B+正常时,IC4⑧脚输出低电位,VT10的c极为高电位,LED7显示绿色。当电视机B+电压升高时,IC4⑩脚电压高于⑨脚,⑧脚输出高电位,VT10的c极为低电位,LED7转为红色。B4端可检测的电压范围为70~200V,可基本满足目前所有彩电B+电压的监测。
为了使本仪器各端口在使用中对电视机被测点正常工作状态的影响减至最小,所有输入端均设计为高阻抗输入。
本机图1、图2电路分别装于独立的两块电路板上。图3为电源部分,也用一独立印制板。因是业余制作,印制板设计制作采用刀刻法完成。各开关,电位器、指示灯装于前面板。图1、图2中的TP1、TP2为集中测试点,也装于前面板上便于测量。通过TP1、TP2可随时用万用表测出电视机被测点的电压和各路预先调定的比较电压(为减小测量误差,最好使用数字表进行测量)。
机壳利用旧的小型稳压器外壳改装而成,机脚用废牙膏盖做成。总成本不超过50元。
三、使用方法
1.仪器的复位:该机面板上有一个复位按钮(SB),用于在每次检测开始前对各RS触发器进行复位操作。8只双色发光二极管(LED1~LED8)指示被监测点电压是否出现异常,其中绿色指示正常,红色指示异常,复位后8只发光管均显示绿色。
2.比较电压的设定:对于A1~A4测试端口,比较电压已固定设置为0.5V,因此,只要被测点电压高于0.5V,对应的LED即可指示出异常状况。
对于B1~B3端口,有高电平保护和低电平保护两种设置方法,比较电压的设置由电位器RP1~RP3的中点位置决定。对应开关拨于“H”位置时为检测高电平保护,此时比较电压值设置应略高于被测点正常电压值。S1~S3拨于“L”位置时为测低电平保护,比较电压值设置应略低于被测点的正常电压值。比较电压的设定有下述两种方法可采用:
一是通过调节相应电位器,配合复位按钮SB及LED指示情况确定。当选择开关处于“H”位置时,应先将对应电位器顺时针方向转至较大位置(中点电压升高),按复位键使相应LED显示绿色,然后将电位器慢慢往回调,至LED转为红色,然后再改变方向作微小调整,再按一次复位键,看LED是否恢复为绿色(复位),如不能恢复,说明比较电压调得过小,需再微调电位器,但注意不要调得太大,使电位器调整处于电路能可靠复位与不能复位的临界点附近,比较电压便算调准,这时,比较电压与被测点电压非常接近,可保证检测的灵敏度较高。
当选择开关处于“L”位置时,电位器的旋转方向与上述相反,具体操作方法相同。
二是利用万用表测量电压进行设定。通过面板上设置的集中测试点TP2中的B1~B4可方便地测出被测点的实际工作电压,然后转动电位器设定比较电压稍高于或低于(视被测点电压保护类型为高电平保护或低电平保护而定)被测点的电压,比较电压与被测点正常电压只要相差0.5~1V即可。TP2中B1~B4分别有上、下各两个测试点,下为电视机被测点电压,上为机内比较电压。实际工作中还可通过该测试点随时监测被测点的电压值。
对于被监测点电压在正常工作时允许产生波动的,其比较电压的设定应大于(或小于)该被测点电压允许波动的误差值,以免发生误触发,这时,比较电压的设定方法只能采用测量电压的方法。
对于B4端电压的设定,其比较电压固定为26V左右(由R37、R38分压决定)。改为调整输入端的取样电压。调整方法可按照上述二种方法之一进行。
3.仪器与被测电视机的连接:使用前先根据电视机的故障情况,选择需进行监测的点,并确定被监测点的保护类型,然后选择使用仪器的相应接口和对应选择开关的位置。在未通电之前将仪器相应接口与电视机被测点一一对应连接,并连接好电视机与仪器的地线。若被监测部分为“热地”电路,应对电视机加隔离变压器。对检修无规律自动关机故障时,可先开电视机电源,再开本仪器电源,然后对仪器进行复位,调准比较电压。对于被测电视机一开机即自保的,应先根据电路图分析出需监测的点在正常工作时的电压值,先开仪器电源,预先调好比较电压,最后接通电视机电源。
在实际使用中,往往不需要8个端口同时全部使用,对于未使用的端口可悬空,由于其输入阻抗较高,容易受干扰而使输出端相应LED出现错误指示。由于其对应端口未与被测机相连接,故其指示并无实际意义,不影响测试结果。
(刘福民)
