普通台灯加装下面介绍的控制电路,可使普通台灯升级为“节能+视力保健”型台灯,它具有触摸开关灯、触摸调光和测光功能,非常适合广大青少年学生使用。
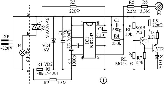
电路如图1所示。其中:虚线左边是台灯原有电路,右边是新增电路。

新增电路主要采用了一块新型专用调光集成电路NB7232。该集成电路的主要电参数为:工作电压4.5~4.9V,静态电流400μA,可控制50Hz及60Hz交流电。各引脚功能如下:①脚是电源正端;②脚为灯光亮度渐变控制端,灯光变化一个周期(7.64s),需从该脚引入83个负脉冲——直接从市电相线上取得50Hz交流电正弦波作时钟信号;③脚为内部锁相环路的外接电容器C3输入端;④脚为同步信号输入端,低电平有效,直接取自220V交流电;⑤脚为触摸控制输入端,低电平有效;⑥脚也是触摸控制输入端,高电平有效,因本电路未用而接电源负端;⑦脚为电源负端;⑧脚为双向晶闸管导通角控制输出端,它输出83阶不同的控制信号,调光移相范围41°~159°。
220V交流市电经电阻器R1降压限流、晶体二极管VD2半波整流、稳压二极管VD1稳压及电容器C1滤波后,输出约6V直流电压,作为IC1及晶体三极管VT1、VT2的工作电压。当人手触摸金属片M时,人体感应电信号通过保安电阻器R5、R6加到IC1的⑤脚上,使IC1内部电路工作。当手触时间≤332ms(约1/3s)时IC1的⑧脚输出信号仅控制双向晶闸管VS完成开关任务,即触摸一下M,VS导通,电灯H亮;再触摸一下M,VS截止,电灯H灭。当人手触摸M时间≥332ms时,VS移相调光,灯光由最亮(159°)逐渐变暗直到微亮(41°),又逐渐向最亮变化,这样变化一周需7.64s。人手触摸停止,则灯光不再变化而保持这一瞬间的亮度。下次再开启电灯时仍起始于这一亮度,但灯光亮度变化与上次调光状态相反,即逆向调光。触摸调光功能可使学生能够根据需要,随意调节台灯的光照强度。
VT1、VT2组成施密特触发电路。学生读写光照强度正常(不低于1001x)时,光敏电阻器RL受光照射呈低阻值,使VT1导通、VT2截止,发光二极管VD3不亮;光照度不足时,因RL阻值变大使施密特触发器发生翻转,VT1截止而VT2导通,于是VD3发光,表示光照不足需增加亮度。测光功能可避免学生在学习时因光照不足而损害视力。
IC1选择运用CMOS工艺制造的新一代触摸调光专用集成电路NB7232,亦可用CS7232、SM7232、BA2103等同类产品直接代换。VS选用MAC97A6(1A、600V)或BCR1AM-6(1A、400V)型普通双向晶闸管,其外形如同普通塑封小功率三极管,实物及引脚排列如图2所示。

VT1、VT2均用9015或3CG21型硅PNP小功率三极管,要求电流放大系数β>100。VD1用6V、0.5W普通硅稳压二极管,如1N752或UZ-5.6B型等;VD2用1N4004型硅整流二极管;VD3用Φ5mm高亮度红色发光二极管。
RL选用亮阻小于5kΩ、暗阻大于1MΩ的普通光敏电阻器,如国产MG44-03型等。RP用WH7-B型卧式微调电位器。R1用4只120kΩ的RTX-1/4W型碳膜电阻器并联构成,以缩小体积,满足功率要求;R2~R9均用RTX-1/8W型碳膜电阻器。C1用CD11-16V型电解电容器,其余用CT1型瓷介电容器。M用不锈钢片或者黄铜片等材料加工而成,形状和大小均无严格要求。
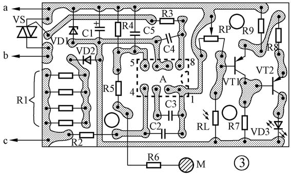
图3所示为新增触摸调光/测光器印制电路板接线图。印制电路板实际尺寸约为65mm×35mm;要求采用环氧基质单面铜箔板制作,纸质板因受潮后绝缘电阻容易变小,故不宜采用。焊接时注意:人体保安电阻器R5、R6的阻值之和应大于5MΩ,而且不能用一个电阻器来代替。这样,使用中万一有一个电阻器受潮或碰触短路时,也不会使人触摸M后触电。

焊接好的电路板,直接装入欲改造的市售普通白炽台灯的底座腔内。具体做法如下:拆掉台灯原机械开关,并按照图1所示,通过a、b、c三根引线头将电路板接入台灯电路;M用强力胶粘贴在所拆除开关的位置,这不仅使用方便,而且美化了外观;RL和VD3则在底座面板合适位置处分别打孔固定即可。
焊装好的电路仅需调试测光部分:接通台灯电源,在学生读写位置放置一标准照度计,调节灯光(指黑暗环境下)使照度计读数为100lx,然后调节RP阻值使VD3刚好熄灭即可。若感觉到M的触摸灵敏度不够,可通过适当增大R4阻值来加以调整;反之,M的触摸灵敏度过高时,则应通过适当减小R4阻值来加以调整。R4取值范围一般在220kΩ~680kΩ之间。
使用时注意:如果发现触摸M时无反应,只需对调一下台灯插头XP在220V交流市电插座内的位置便可。由于VD3在黑暗环境下一直处于发光状态,所以还兼有电源指示灯和黑暗中向主人指示台灯座上M触摸片位置的功能。
(张晓东)