发射机射频故障检修
一、发射音频电路
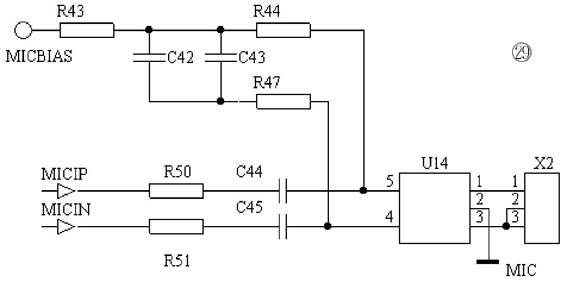
图29所示的是发射机的送话器电路。U3模块提供送话器偏压。送话器转换得到的模拟话音信号经C44、C45、R50、R51到U3模块。

话音信号经逻辑音频电路的处理,得到发射基带信号TXI/Q。TXI/Q信号输入U61内的TXI/Q调制器。
二、发射I/Q调制
发射I/Q调制器被集成在复合射频模块U61内。用于I/Q调制的载波信号来自中频VCO电路。中频VCO电路由U61内的部分电路和外接元件D601、D602等组成。图30所示的是发射机基带信号TXI/Q的检测点;图31所示的是中频VCO电路的信号检测点。


若该部分电路不能正常工作,会导致手机出现无发射,可用示波器检查RXI/Q信号。发射机启动后,用示波器检测到的TXI/Q信号如图32 所示。

若无TXI/Q信号,检查U3电路。
可用频谱分析仪检测发射中频VCO信号。该信号只有在发射机启动后才出现。可通过按键板拨打“112”来启动发射机。图33 所示就是用频谱分析仪检测到的发射中频VCO的信号。

若无发射中频VCO信号,检查R605;检查D601、D602电路元件;更换射频模块U61。
三、TXVCO电路
T191的TXVCO信号由U65电路产生。U65是一个复合TXVCO模块,在频段切换控制信号的控制下,既可工作在GSM模式下,又可工作在DCS模式下。图34 所示的是TXVCO的电路原理图。
发射VCO电路的工作电源来自Q700的⑥脚。当发射机开始工作时,CPU输出发射机启动控制信号TXON。该信号经U86转换,得到TX-ON-N信号,到Q700的②脚,控制Q700输出发射机电源V-TX。
TXVCO电路的频段切换控制信号BS1、BS2直接由CPU提供。TXVCO电路的信道控制信号则来自复合射频模块U61的。
TXVCO电路产生的信号分为两路:一路到功率放大器进行功率放大;另一路则经R616、C619回到U61模块。
启动发射机后,若用频谱分析仪不能检测发射射频信号,需检查TXVCO电路。若TXVCO电路无输出,手机肯定不能上网。图35 所示的是TXVCO电路的信号检测点图。
可用示波器来检查TXVCO电路。TXVCO的信道控制信号是否随信道的变化而变化的。图36 所示的是在GSM001信道和GSM60信道所检测到的控制信号波形图。若R621处无控制电压,检查R616、C619和U61模块。
当手机工作在GSM发射状态时,R633处是一个脉冲信号,如图37所示;而R631处的频段切换控制信号是一个高电平,如图38所示。否则,检查CPU电路。
若TXVCO的频段切换控制信号、信道切换控制信号、电源都正常,更换TXVCO模组。
四、功率放大电路
T191的功率放大电路包含功率放大和功率控制两个方面。
U71是复合功率放大器组件,它既提供GSM发射功率放大,又提供DCS发射功率放大。
U74电路是一个自动功率控制电路,启动功率控制参考电平由U3模块提供。当CPU输出TX-ON信号时,U3同时输出自动功率控制信号AMP到U74电路。U74开始工作,输出VAPC电压到U71模块。控制功率放大器开始工作,功率放大器的频段切换控制信号是CPU输出的BS1信号。
2. 故障检修
若功率放大电路工作不正常,会导致手机出现发射关机、手机不上网、打电话难等故障。
当确定功率放大电路工作不正常后,可用示波器来检查该电路。图39所示的是功率放大电路的信号测试点图。
首先用示波器检查VAPC信号,启动发射机后,应能检测到VAPC信号,否则,检查U74电路。图40所示的就是示波器检测到的VAPC信号,若该信号正常,需更换功率放大器。
若VAPC信号不正常,首先用示波器检查自动功率控制参考电平——如图41所示的信号。若该信号不正常,应检查U3电路。
若自动功率控制参考电平信号正常,需检查U86、更换U74模块。
T191射频故障维修流程图见图42~46。
(钟云)


