数码混响器电路主要用来处理话筒(麦克风)输入信号,对信号进行放大和产生混响(回响)效果等。在HG5300A型机中采用BA5096作为数码混响处理电路。BA5096是单片CMOS音频混响处理集成电路,内部主要有数/模转换、模/数转换、时钟信号发生、延时时间控制等多个电路,具体结构参见图1。

BA5096采用数码电路处理时间延迟,延迟时间可由微处理器输出信号或手控装置控制。该集成电路有环绕和混响两种工作模式,通过对⑨脚、⑩脚施加不同电平来控制。当⑨脚、⑩脚均为低电平时,混响FB(反馈)关闭,此时为环绕工作方式。当⑨脚为低电平、⑩脚为高电平时,混响FB打开,此时为混响工作模式。在HG5300型机中,BA5096的⑨脚接地、⑩脚通过电阻始终接Vcc(高电平),所以BA5096工作于混响模式。
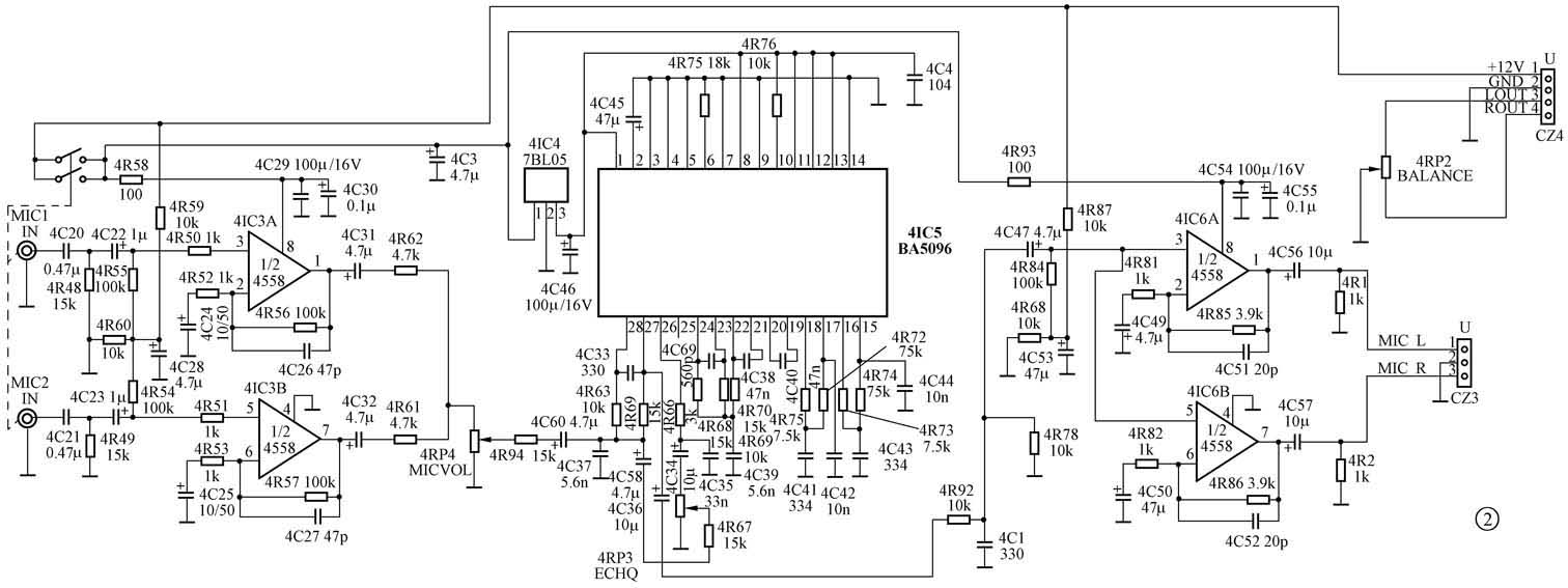
图2是HG5300型机中BA5096的具体应用电路。其中4RP3即回响调节电位器。两路话筒信号由4IC3A/B预放后,通过4C60等送入4IC5(BA5096)。由4IC5处理后从其输出,再经4C36等送到4IC6A/B中,进行缓冲分路为MIC-L和MIC-R左、右两路信号输出。

BA5096采用双列28脚直插塑料封装,各引脚的表示符号及功能说明如附表所示。

(王德沅)