R-9700是德生公司推出的第一代二次变频高灵敏度收音机。该机共设有9个短波波段,一个中波波段和两个调频波段。由于短波采用了二次变频技术,具有极强的抗镜像干扰能力,无漂移、串台、逃台现象。R-9700外壳有黑、银两种颜色可选,体积为160mm ×95mm×32mm。另外该机还设有远程/近程无线配接选择开关,有利于接收微弱电台和抑制信号过强现象。
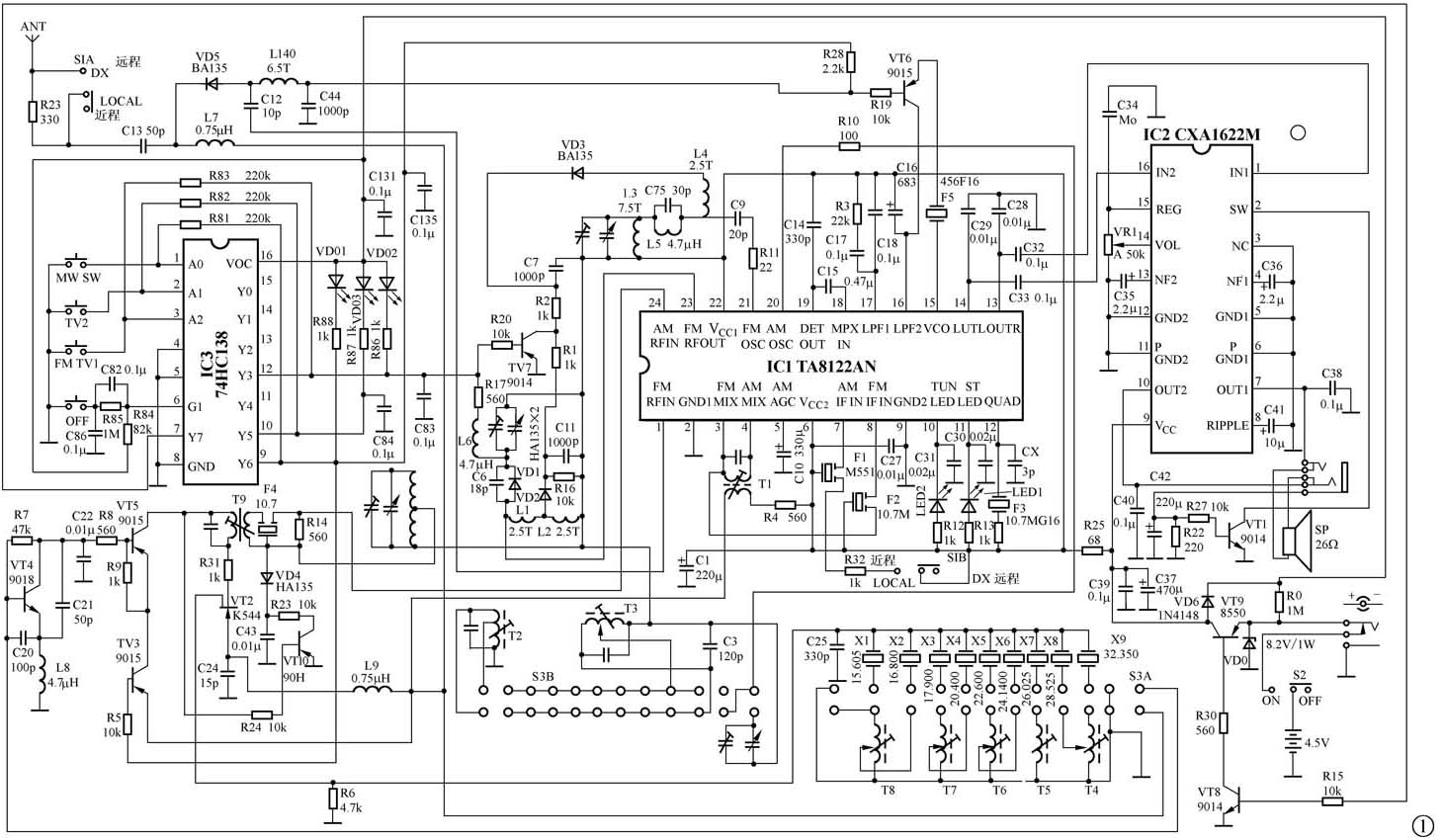
R-9700在短波段一次变频电路中,使用了9个石英晶体稳频,采用场效应管混频,故非线性失真小,抗互调干扰能力强,增益高,同时还能提高前级的输入阻抗,提高动态范围和抗阻塞能力。中放、检波及立体声鉴频采用松下公司的贴片IC TA8122,其功耗比TA8132更低。电子波段选择采用了飞利浦公司的8选3译码器74HC138,作为轻触式电源开关和电子波段开关,可有效避免机械波段开关引起的干扰噪音,功放选择了SONY公司的CX-A1622,声音洪亮悦耳。R-9700收音机主电路原理图如图1所示。

二次变频接收电路工作原理
二次变频接收电路常用在短波收讯、移动电话等通讯设备上,主要是为提高接收机的灵敏度、选择性和抗干扰能力,国外高档收音机也常采用二次变频接收电路。
德生R-9700收音机采用了短波二次变频技术,它将短波按电台较集中的国际民用广播米波段划分成9个短波段,每个波段各由一块石英晶体担任第一本机振荡,每个波段又有独立的与本收听波段相对应的输入谐振回路。德生R-9700收音机的第一中频为10.7MHz,第二中频为455kHz。第一变频器变换的是某段范围的频率而不是某点固定的频率。
场效应三极管VT2(2SK544)和T9组成第一混频级电路。天线ANT接收到的高频信号经C13、L7耦合到由波段开关S3A接通相对应的选频谐振回路T4~T8选频段,经L9耦合至混频级场效应三极管VT2(2SK544)的G极(栅极)。VT4(9018)、C20、C21、L8和波段开关S3A接通的石英晶振X1~X9共同组成第一本振级,VT4(9018)和石英晶体构成频率非常稳定的第一本振振荡器,并通过波段选择开关S3A来切换不同频率的石英晶体Xl~X9来产生短波1~9波段所需固定本振频率。晶体频率可通过计算选择:例如短波1,其频率覆盖范围为4.7~5.1MHz,其中心频率为4.9MHz。为产生以10.7MHz为中心频率的中频,该晶体频率应为10.7MHz+4.9MHz =15.6MHz,即Xl=15.6MHz。经过第一次变频后,原短波1频带内所有电台信号被差频到10.9MHz~10.5MHz的频率范围内,正好是第一中频放大器的通频带,其通频带宽应≥400kHz,中心频率为10.7MHz。产生短波1~9波段所需的固定本振频率也加至VT2的S极进行混频。混频后的信号经中频变压器T9和宽带陶瓷滤波器F4选频后得到10.7±0.25MHz的宽频带第一中频信号,送至单片收音集成电路ICl(TA8122AN),并利用集成电路的高频放大级作为短波第一中频(10.7±0.25MHz)放大级。
集成电路内部的本振电路以及可变电容器组成第二本振级,经ICl放大后的第一中频信号又在ICl内部的混频级中进行第二次混频,产生出465kHz的第二中频信号。第二中频信号从ICl④脚输出,经中频变压器T1和陶瓷滤波器后再进行第二中频放大、检波还原出的音频信号从IC1的输出至功放电路。
由于第二中频的通频带仅数千赫,需要精确地跟踪,所以第二本振的可变范围是,当频偏为±0.2MHz时,本振范围应在10.045~10.445MHz之间,中心频率为10.245MHz。
电子波段切换电路工作原理
该机电子开/关机与电子波段转换电路以IC3(74HC138)为核心,该IC电路为高速CMOS 8选3逻辑译码器电路,见图2,其工作电压较普通CMOS电路低(最高电压仅7V),静态耗电很小(在常温25℃、6V供电时典型值仅8μA),可对八线中的任一线进行译码,该机仅使用了其中的四线(即Y3、Y5、Y6、Y7输出端)端脚,⑦脚输出的高低电平控制主电源电压的接通或断开;⑨脚主要控制AM/FM频段的切换;⑩脚控制TV1显示;则为切换控制端脚。IC3 (74HC138)的详细资料可以到http://www.philipslogic.com/products/hc/pdf/74hc138.pdf下载或见本期光盘“本期元器件资料”文件夹。
轻触MW.SW键后,IC3⑦脚输出高电平,经R15(10kΩ)使VT8、VT9导通,收音电路IC1(TA8122AN)及功放块(CXA1622M)得电工作。同时IC3⑨脚输出低电平,开关管VT3、VT5、VT4、VT2得电工作;VT6导通,IC1的为高电平,IC1内部切换电路自动切换到AM状态,使调幅(AM)收音电路工作,VD01点亮作AM波段指示。至于选择MW波段还是SW1~SW9波段则主要由另设的10挡机械拨动开关来切换。
轻触FM·TV1键后,同样可以使IC3⑦脚输出高电平,使VT8、VT9导通, IC1和IC2等得电工作,但此时IC3⑨脚输出高电平,使VT3截止、VT5截止,VT4、VT2失电,使得第一本振电路和第一混频电路停止工作;⑨脚输出高电平通过R28、L10使VD5(BA135)导通,拉杆天线接收到的FM调频信号经VD5、C12等元件直接进入IC1①脚;VT6截止,IC1的为低电平,IC1内部切换电路自动切换到FM状态,使FM收音电路工作。与此同时IC3的输出低电平,使VT7截止,并经R17、L6使VD1导通,VD2、VD3截止,使FM调谐回路及本振回路自动切换至FM·TV1频段,VD02点亮作FM·TV1波段指示。
轻触TV2键后,同样使调频电路接通。但此时IC3的输出高电平,使VT7导通,VD1截止,C6(18pF)接入电路;VD2、VD3导通,将FM·TV1高放回路线圈L2短路并将L4接入电路中,使FM调谐回路及本振回路自动切换至TV2频段。同时IC3⑩脚输出低电平,驱动VD03点亮,作TV2频段指示。
轻触OFF电源关闭键,IC3⑥脚的电位由放音时的高电平(约3.8V)跳变为低电平,使IC3⑦脚也由高电平跳变为低电平,则VT8、VT9均截止,收音电路供电被切断。IC3⑥脚外接的C86则为防干扰电容,以免出现误关机现象,R85为C82的放电电阻。
电路中的R0(1MΩ)为开机启动电流提供通路,当电路电源开启后(即VT9导通),则由VD6(1N4148)向IC3供电。锁定开关键LOCK防止在携带时不小心触动电源开关打开收音机,使用外接电源时此开关无效。该机在关机(OFF)状态下,仍耗电数微安电流(约5μA,在锁定开关键LOCK置ON位置),若长期不用,则应将LOCK开关置OFF位置。
AM/FM收音/音频功放电路
德生R-9700收音机的AM/FM收音电路采用了东芝公司生产的专用单片收音机IC TA8122AN。TA8122AN内部电路如图3所示。由图3可以看出该芯片内部含有AM混频、AM/FM中放、FM鉴频以及立体声解码电路、立体声指示驱动电路、调谐显示驱动电路,TA8122AN在供电电压为1.8~7.0V时均能稳定地工作。TA8122AN的详细资料可到http://www.semicon.toshiba.co.jp/en/bu-cat_2/bucat_3/bucat_1/td_15/TD.pdf下载或见本期光盘“本期元器件资料”文件夹。TA8122AN各引脚功能与测试数据如表1所示。

当接收到调频立体声信号时,TA8122AN的输出低电平,驱动发光二极管发光,指示接收到的信号为立体声FM信号。
TA8122AN的外接元件构成AM本振电路,通常如图4所示外接振荡变压器。TA8122AN的③、④脚外接元件构成AM/FM混频电路,通常如图5所示外接混频电路。

TA8122AN的为单声道/立体声转换控制端,当该脚接高电平时,TA8122AN工作在单声道状态,输出音频信号为单声道信号。当该脚悬空或者通过阻容元件与VCC端相连时,TA8122AN工作在立体声状态,输出音频信号为立体声信号。S1A为近程/远程切换开关。
德生R-9700收音机的音频功放电路采用了SONY公司的优质立体声功放集成电路CXA1622M,该集成电路内部带有电子立体声音量控制,所以只用单连电位器就能控制双路立体声音量;该集成电路内部还有BTL电子切换开关,由②脚电位控制,当②脚为低电平时,CX-A1622M内部的功放电路工作在OTL立体声输出状态;当②脚为高电平时,CX-A1622M内部的功放电路工作在BTL推挽输出状态,此时的输出功率约为OTL状态的4倍(约450mW)。在本机中,CX-A1622M各引脚功能与测试数据如表2所示。CXA1622M的详细资料可到http://www.radiomen.ru/pdf/c/cxa1622.pdf下载或见本期光盘“本期元器件资料”文件夹。

TA8122AN输出立体声音频信号经C32、C33耦合到CXA1622M的①脚与,经过CX-A1622M内部两路独立的功率放大器放大后从⑦脚、⑩脚输出推动立体声耳机放音。当有耳机插入插座时,与插座联动的CX-A1622M的②脚外接开关闭合,CXA1622M工作在立体声状态,当没有耳机插入时,CXA1622M的②脚外接开关断开,CXA1622M工作在BTL状态,以保证在低电压条件下,获得足够大的输出功率来驱动机内的扬声器。
在R-9700收音机中,厂家巧妙地利用了立体声耳机的插拔实现了OTL/BTL输出的状态转换。当采用机内扬声器放音时(即未插入立体声耳机),VT1无基极偏压而截止,IC2②脚为高电平,电路工作在BTL状态;当立体声耳机插入时,IC2⑦脚、⑩脚输出信号分别经R、L耳机线圈和立体声插孔的公共端子及C42到地,输出立体声信号,此时VT1基极在IC2⑦、⑩脚中点电压作用下而导通,VT1的导通使IC2②脚变成低电平,放大器自动切换到OTL输出状态。CXAl622M的引脚功能及工作电压见表2。
需要注意的是该机的音频耦合电容(C32、C33)仅为0.1μF,这极大地影响了R-9700收音机的音质,把输入耦合电容C32、C33更换为CXA1622M标准电路的10μF,语音重播的效果可以得到明显的改善。若将这两个电容改为100μF的超小型电解电容,则会发现在安静状态下欣赏SW波段的节目声音要动听得多。若再分别在两个100μF的超小型电解电容上分别并联0.01μF的聚苯电容,可以使R-9700的声音变得更为纯正。
CXA1622M的为电子音量控制端,其中输出稳定的1.3V基准电压,通过调整外接电阻VR1(50kΩ)的阻值来改变的直流控制电压,从而实现同时控制两个声道的音量。电压越高,输出音量越小。当为0V时音量最大,为1.3V时音量最小。
(赵理科)