⑴ 万用表正面(图1):上部是微安表,中间有一个机械调零器,用以校准表针的零位。下部为操作面板,面板中央为测量选择开关,左下角有正、负表笔插孔,右下角有2500和5A专用插孔,右上角为欧姆挡调零旋钮,左上角是晶体管插孔。
⑵ MF47型万用表可以测量直流电流、直流电压、交流电压、电阻,以及音频电平、电容、电感、晶体管放大倍数等(见图2),共有8大类34个量程可供选择。

⑶ 表头度盘上共有6条刻度线(图3),从上往下依次是:电阻刻度线、电压电流刻度线、晶体管β值刻度线、电容刻度线、电感刻度线、电平刻度线。度盘上有反光镜,以消除测量视差。

⑷ 测量电阻必须使用直流电源。图4为其背面的电池盒。左边是低压电池仓,装入一枚1.5V的2号电池;右边是高压电池仓,装入一枚15V的层叠电池。

⑸ 打开万用表后盖,可以见到所有元器件均与表头和操作面板安装在一起。后盖中部有一块金属板,以屏蔽电磁干扰(图5)。

⑹ 内部电路结构如图6所示。大圆形物体是表头,表头上方是两枚电池,表头下方是电路板。电路板中央为测量选择波段开关,电阻等有序地排列在波段开关周围。

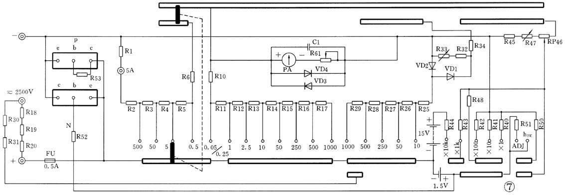
⑺ 图7为MF47万用表的电路图,由五部分组成:表头及表头电路,用于指示测量结果;分压器,用于测量交、直流电压;分流器,用于测量直流电流;电池、调零电位器等,用于测量电阻;测量选择电路,用于选择挡位和量程。

⑻ 为防止在使用中置错挡位而烧毁表头,一般采用二极管保护表头。图8所示为两个硅二极管互为反向地并接在表头两端,使表头两端电压不超过0.7V。表头右上部及其左侧的两个微调电阻,供校准万用表时用。
⑼ 测量电阻时,将测量选择开关置适当的“Ω”挡,如图9所示。测量前应先将两表笔短接,调节面板右上角的欧姆挡调零旋钮,使表针准确指向“0Ω”。每次换挡后,均应重新调零。
⑽ 测量1000V以下交流电压时,测量选择开关置所需的“交流V”挡,如图10所示。
⑾ 测量1000V~2500V的交流电压时,将测量选择开关置于“交流1000V”挡,正表笔插入“2500V”专用插孔,如图11所示。
⑿ 测量1000V以下直流电压时,测量选择开关置所需的“直流V”挡,如图12所示。
⒀ 测量1000V~2500V的直流电压时,将测量选择开关置于“直流1000V”挡,正表笔插入“2500V”专用插孔,如图13所示。
⒁ 测量500mA以下直流电流时,将测量选择开关置所需的“mA”挡,如图14所示。
⒂ 测量500mA~5A的直流电流时,将测量选择开关置于“500mA”挡,正表笔插入“5A专用插孔,如图15所示。

⒃ 测量晶体管直流放大倍数β时,将测量选择开关置“ADJ(校准)”位,如图16所示,将两表笔短接后调节欧姆挡调零旋钮使表针对准h FE刻度线的“300”刻度。然后分开两表笔,将测量选择开关置“h FE”位,即可插入晶体管进行测量。左上角晶体管插孔的“N”供测量NPN管用,“P”供测量PNP管用。

⒄ 测量音频电平使用“交流10V”挡,如图17所示。测量时应在一表笔上串接0.1μF的隔直流电容器。测量电容或电感时,也使用“交流10V”挡,并采用10V、50Hz的交流电压作为信号源。

(莫恩)
