立体声耳机功放TS486/TS487
TS486/TS487是ST公司的新产品,是一种带关闭控制的立体声耳机功放。TS486关闭控制低电平有效;TS487关闭控制高电平有效。
主要特点:工作电压2V~5.5V;工作电流最大值2.5mA;增益可由用户设定及工厂固定设定两种,固定增益有三种值:0dB、6dB及12dB,分别用后缀1、2、4表示(相当于A=1、2、4);信噪比高,在5V供电时为103dB;输出功率大小与工作电压有关:在THD+N=0.1%、RL=16Ω;VCC=5V时可输出102mW;VCC=3.8V时可输出38mW;电源变动抑制率为58dB;有节电控制,在节电状态时,耗电小于1000nA;两通道相互串扰小,在f=1kHz时为83dB;单位增益稳定;封装有3种形式:8管脚SO封装、狭型SO封装及3mm×3mm的QFN封装;工作温度为-40℃~+85℃。
查询网址:eu.st.com/stonline/books/pdf/docs/9212.pdf。
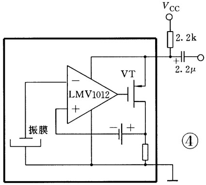
新型驻极体话筒前置放大器LMV1012
驻极体话筒是一种电容式话筒,它由镀金塑料薄膜组成驻极体振动膜(经过高压电场驻极,膜面两边驻有异性电荷)及金属板之间形成一个电容器。当振动膜在声波的作用下振动时,引起电容器两端电场变化,从而产生了与声波变化成比例的交变电压。由于该话筒输出阻抗高达几十MΩ,不能直接与音频放大器相连,所以在话筒内部接入结型场效应管(JFET)作阻抗变换,降低其输出阻抗,有的还加个保护二极管VD,示于图3。

新型驻极体电容式话筒与传统话筒的不同之处是输入级以运放LMV1012(见图4)代替了JFET,既有阻抗变换功能,又具前置放大器的作用。所以它具有高增益,电压增益15.6 dB(AV≈6);高信噪比达60 dB;输出电压噪声为-89 dBV;THD为0.09%;工作电压2V~5V;工作电流186μA;具有0.93mm×1.0mm×0.5mm的微SMD封装;工作温度-40℃~+85℃。

这种新型话筒适用于手机、PDA、移动通信、便携式电子产品及笔记本电脑等领域。
查询网址:cache.national.com/ds/LM/LMV1012.pdf。
由USB供电的锂离子电池充电器MAX1811
MAX1811是单节锂离子电池充电器,可直接由USB端口来供电,或用高达6.5V的电源来供电。
该充电器可充单节4.1V及4.2V(终止充电电压)的锂离子电池;有100mA及500mA充电电流可选择;充电精度达4.1V±0.02V及4.2V±0.02V(±0.5%);在关闭控制状态时最大耗电5μA;有预处理功能,可对过度放电的电池进行小电流预充;能连续检测电压、电流,能在充电前检测电池状态;外接LED作充电状态指示;器件内部自动热调节;8脚SO封装;工作温度-40℃~+85℃。
该充电器主要应用于PDA、数字相机、MP3播放机、蜂窝电话、双向寻呼机、手持式计算机等。
图5的SELV端接高电平(>2V)时用于终止充电电压为4.2V的锂离子电池;SELV端接低电平(<0.8V)时用于终止充电电压为4.1V的锂离子电池。EN端高电平时器件正常工作;EN端接低电平时,器件关闭,不用此控制功能时,EN端接IN端。SELI端接高电平时,充电电流为500mA;接低电平时,充电电流为100mA。CHG端为开漏结构,此端接1kΩ电阻及VD可作充电指示(在充电时CHG端为低电平,VD亮)。

可以采用USB来供电,也可用5V输出的插头式电源来供电,电压4.35V~6.5V(不可高于6.5V)。
查询网址:pdfserv.maxim-ic.com/arpdf/MAX1811.pdf。

