MAX5431是一种用于增益可编程的精密分压器。该器件主要特点是:对同相增益可编程放大器可获得的增益为1、2、4及8;分压比精度可达0.025%;在芯片上集成了运放偏置电流补偿用的匹配电阻;工作电压为单电源+12V~+15V或双电源±(12V~15V);工作电流小,典型值为35μA;有CMOS与TTL电平兼容的两线并行接口来控制增益;3V逻辑电平兼容;10管脚μMAX封装,工作温度范围-40℃~+85℃。
管脚排列及功能
MAX5431的管脚排列如图1所示,其内部结构如图2所示。它主要由4选1译码器、4个模拟开关及4个分压器电阻组成。根据D0、D1端输入不同的电平来选择不同的模拟开关闭合,使运算放大器有不同的增益,如附表所示。



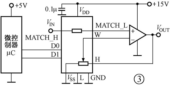
H为分压器电阻高端,L为低端,W为中间抽头。V\(_{DD}\)为电源正电压输入、V\(_{SS}\)为电源负电压输入、GND为地。若采用单电源时,V\(_{SS}\)接GND。MATCH-H及MATCH-L内有一个匹配电阻,用来补偿运算放大器由于输入偏置电流引起的失调电压。
典型应用电路
MAX5431的典型应用电路如图3所示。它由μC(微控制器)来控制放大器的增益。MAX5431的开关时间取决于W端的负载电容。为此,W端与运放反相端之间的距离应尽量短,并且选择低输入电容的运算放大器。

在D0、D1输入都是低电平时,模拟开关S1闭合,运算放大器接成跟随器(R\(_{F}\)=0,R\(_{IN}\)=8R),所以输出电压V\(_{OUT}\)=V\(_{IN}\),其增益为1。若模拟开关S2闭合,则R\(_{F}\)=R\(_{IN}\)=4R,其增益为2,余类推。
(凡文)
编者注:
有关MAX5431更详细的原厂资料可上网查询:pdfserv.maxim-ic. com/arpdf/MAX5430-MAX5431.pdf。