感应式控制电路可以探测到接近的物体,并输出一个控制信号给控制执行电路(如继电器),对被控对象进行控制。感应式控制电路的控制方式主要有微波式(亦称为多普勒式)、电容传感式、热释红外线式等几大类。由于感应式控制方式被控对象并不直接接触控制对象,因此可靠性比接触式控制方式优越得多。目前,感应式控制广泛地应用于各种防盗报警器、自动控制灯、自动洗手机以及其他各类需要自动控制的电路中。为了使广大电子爱好者对这类电路有所了解并能灵活应用,本文就把感应式控制电路的几种常见形式介绍如下。
一、微波式
微波式控制电路是根据多普勒效应进行工作的:由本机振荡电路产生一个固定的高频信号(一般为400~800MHz),经天线辐射到周围空间。当在天线附近一定距离内有物体运动时,高频信号就会被运动物体反射回来再被天线接收,使原振荡电路的振荡频率和信号幅度产生变化,再利用积分电路取出这个变化信号,经过放大、比较等处理后形成控制信号,使控制执行电路(如大功率晶闸管、继电器等)启动,达到自动控制的目的。
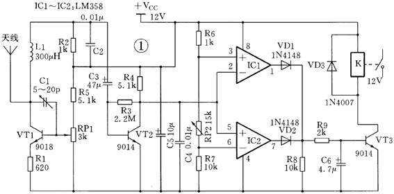
图1是采用分立元件制作的微波式控制电路原理图。

在图1中,高频三极管VT1在电容C1的正反馈作用下产生自激振荡,振荡产生的高频电磁波由天线辐射到周围空间,在天线四周产生一个立体的微波场,当有移动的物体在这个立体的空间时,物体运动所反射的电磁波就被天线接收,使VT1自激振荡的幅度和频率发生变化,这些变化经过由R2、C3组成的积分电路变成随物体移动而波动的电压,该电压经VT2放大后可以在其集电极上产生2.5~6.7V的电压变化(电压的变化与物体移动的速度及距天线的距离成正比)。这个变化的电压被送至由IC1、IC2组成的双限电压比较器,无论是VT2集电极送至IC1②脚的电位低于③脚,还是VT2集电极送至IC2⑤脚的电位高于⑥脚,IC1的①脚与IC2的⑦脚都会输出高电平,这两个高电平分别经VD1、VD2整流后加在VT3的基极使之导通,进而继电器K得电吸合,对被控电路进行控制。
在图1中,电感L1用0.51mm的高强度漆包线在5mm的圆珠笔芯上绕5匝脱胎而成;天线采用短波收音机所用的长约15cm的金属拉杆天线。其他元件的参数如图1所示。安装时C1应与L1垂直。
二、电容传感式
电容式接近控制器通常由一个射频振荡电路和一个探测板组成。图2是用分立元件制作的电容传感式控制器电原理图。
在图2中,三极管VT1与周围元件构成一个射频振荡电路;金属感应电极片连在VT1的集电极作为探测器。在没有其他导体接近感应电极片时,VT1组成的振荡电路正常振荡,此时VT1发射极输出的射频电压信号经VD1、VD2检波后成为直流控制信号,该信号使开关管VT2导通,继电器得电吸合,接通被控电路的电源:当有导体接近感应电极片时,由于任何靠近感应电极片的导体都会感应出电极片和“地”之间的电容,而电容的增加就会降低振荡器的正反馈量直至振荡器停止振荡,如果振荡器停振,射频检波电路就不再输出直流控制信号,此时开关管VT2就会截止,使继电器失电断开,而且继电器断开后需要再松开开关S再闭合后,电路才能进入下一次振荡状态,否则继电器就一直断开。

C0是灵敏度调节电容,调节它的大小可以调整振荡器起振、停振的临界值,从而来调节控制器所控制物体的远近、大小等项目。在图2中,电感L1可以使用电感量为1mH~6mH的任何色码电感,如果电感量大于4mH,就需要适当地增大C0的值,以使电路能顺利起振,基他元件参数如图2所示。
图3是由集成电路制作的电容感应式控制电路。
图3电路中主要由一个四—2输入“与非”门集成电路CD4093(内部电路见图4)组成。R1、C1及CD4093的一个与非门(①、②、③脚,IC1)构成400Hz方波振荡器,振荡器输出的方波分成两路:一路直接送入一个与非门电路(④、⑤、⑥脚,IC2);另一路经电容C2送入一个与非门(⑧、⑨、⑩脚,IC3)的一个输入端。由于IC2接成非门的形式,所以它的输入、输出端电位相差180°,IC2输出的信号经C3、C4耦合至IC3的另一个输入端。
由于IC3两个输入端的电平相同、相位相反,因此只要IC1正常振荡,IC3的两个输入端至少有一个为低电平,故IC3输出端为稳定的高电平,由于C6的作用,VT1截止。但是如取消IC3任何一个输入端的输入信号或使该信号幅度降到低于门电路的输入阈值电平时,IC3就会输出方波信号。
当有导体接近感应电极片时,就会使由C2耦合到IC3输入端⑨脚的部分信号被分流到地,若被分流后的信号幅度低于与非门输入端的阈值电平,IC3就会输出方波信号,该信号经VD1、VD2整流后就会使开关管VT1导通,接通继电器的电源使之吸合。
电容C4是灵敏度调节电容,若需要该电路以最大灵敏度工作时,可以先调节C4使继电器刚好吸合,再调节C4使继电器刚好断开,然后用高频蜡或绝缘漆把C4封牢即可。
图3电路所用元件都是普通元件,由于CD4093为CMOS集成电路,很容易被电烙铁所带的静电击穿,所以在制作时,最好先焊一个集成电路插座,待电路经检查无误后再把CD4093插入插座。感应电极片可以用金属易拉罐剪制。
三、热释红外线传感式
该类型的控制电路主要由热释红外线传感器及放大电路组成。热释红外线传感器是一种新型的敏感元件,它是由高热电系数材料配上阻抗匹配场效应管和滤光镜片组成。热释红外线传感器能够以非接触的方式检测出人体发出的红外线辐射(对于其他光,如阳光、灯光等人体波长以外的光波则抑制掉),并将其转化成电信号输出。

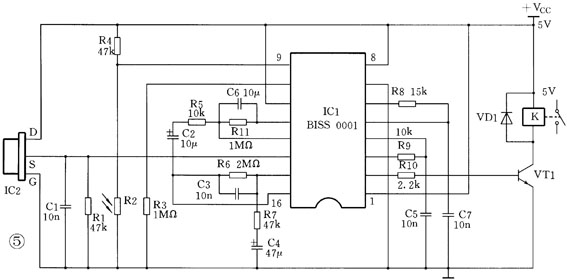
图5是采用专用热释红外线开关BISS0001(内电路见图6)制作的控制电路的原理图。在图5中,热释电红外线传感器输出的微弱电压信号直接送至BISS0001的进行前置放大,放大后输出的信号再由C2、R5耦合至BISS0001的进行第二级放大。二次放大后的信号经过内部的双向鉴幅器(图6中的COP1、COP2)处理后,检出有效的触发信号去启动延迟时间定时器Tx,此时输出端②脚输出高电平触发开关管VT1导通,继电器吸合,接通被控电路电源。

光敏电阻R2用来检测环境亮度,当环境较明亮时,光敏电阻的阻值较小,使IC1的⑨脚置于低电平,IC1的输出端②脚为稳定的低电平,开关管截止。如果需要控制电路在环境较亮时也能使用,只需要把R2去掉即可。IC1的①脚为触发方式选择端,当①脚接高电平时,电路工作于可重复触发方式;当①脚接地时,电路工作于锁定触发方式。
图5中热释电红外线传感器IC2可以使用任何一种小型传感器(如AMN1型);光敏电阻只要暗阻大于2MΩ,亮阻小于20kΩ即可。其他元件参数见图5。
注意:BISS0001供电电压不能高于6V。
(广文)