测试条件的设立
T191与V998等摩托罗拉手机电路有比较大的区别。测试条件比较简单,可分为接收机的测试条件和发射机的测试条件。
若检查接收机,则需信号源、示波器、频谱分析仪、万用表。将射频信号源调节到GSM接收频段内任意的一个频点上,设置输出信号幅度为-25dBm(检查接收差故障时为-55dBm以下)即可。最佳检测时机是开机30s内。
若检查发射机,需要示波器、频谱分析仪、万用表。将SIM卡与故障机连接好,开机即可。最佳检测时机是开机后20~30s的时间段内,其前提条件是接收机工作正常。也可在手机开机后,键入“112”,按发射键启动发射机。
接收机射频故障检修
首先要做的仍然是故障定位分析。若手机接收差,应主要检查天线开关电路、检查低噪声放大电路和RXVCO信号的幅度。
若手机无接收,应主要检查射频电源、RXVCO电路和射频处理电路。
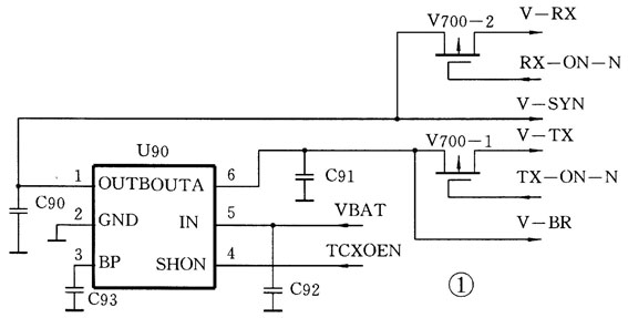
一、射频电源
T191有一个独立的射频电压调节器。图1所示的是该电压调节器的电路图。U90在TCXOEN信号的控制下产生V-SYN和V-BR电源。
TCXOEN信号由CPU输出,经RN5到达U90的④脚。V-SYN电源主要给U61内的PLL电路供电。V-BR电源主要给U61内的接收机电路供电。
当接收机工作时,CPU输出控制信号RX-ON-N到V700,控制V700输出V-RX电源供RXVCO电路工作。
当发射机工作时,CPU输出TX-ON信号。该信号经U86转换,输出TX-ON-N信号到V700,控制V700输出发射VCO的工作电源V-TX。
若该部分电路不能正常工作,手机会出现无接收、无发射的故障。图2和图3所示的是该部分电路的信号检测点。

检查该部分电路时,可用示波器来检查。开机后,应在U90的①、⑥脚检测到2.8V的电压,否则应检查RN5、CPU,更换U90。
当启动发射机时,用示波器在V700处应能检测到图4 所示的TX-ON-N控制信号,否则应检查U86、CPU。

当启动发射机时,在V700处应能检测到图5 所示的发射机电源,否则,需更换V700。

在待机状态下,在V700处应能检测到图6 所示的RX-ON-N信号,否则,应检查CPU。

在待机状态下,在V700处应能检测到图7所示的接收机电源,否则,需更换V700。

二、天线开关电路
1. 电路分析
T191的天线电路由天线开关U75及其控制开关U73组成,图8所示的是天线开关的电路原理图。天线开关的控制信号GSM-T/R和DCS-T/R信号由CPU提供。
当手机工作在GSM模式下时,U73的①、⑥脚有信号。
2. 故障检修
U73、U75若不能正常工作,会导致手机出现接收差、发射功率低、上网难等故障。图9所示的是天线开关电路的测试点图。
用示波器检查U73时,在①、③脚应能检测到图10 所示的控制信号,否则,检查CPU电路。若控制信号输入正常,但U73无输出,则检查电压调节器U90,更换U73。若怀疑U75,则可代换U75,或用频谱分析仪来检查天线开关U75。
三、低噪声放大器
1. 电路分析
T191手机是一个双频手机,有两个低噪声放大电路。它们都被集成在射频模块U61中。图11所示的是GSM低噪声放大器电路。
低噪声放大器的工作电源VBR由U90提供。天线开关输出的接收射频信号经U66滤波,并分离成相位相差90°的两个信号,从U61的④、⑤脚输入到低噪声放大器。
图 12所示的是DCS的低噪声放大器。DCS低噪声放大器的工作电源同样由U90提供。天线开关输出的DCS接收射频信号经U67滤波、分离后,从U61的⑨、⑩输入到LNA电路。
2. 故障检修
若低噪声放大电路工作不正常,会导致手机出现接收差的故障。若手机无接收,一般情况下不需检查该电路。图13 所示的是两个低噪声放大电路的检测点图。由于该机的低噪声放大电路被集成在射频模块内,主要是通过对低噪声放大输入端线路的检测来判断低噪声放大电路是否工作正常。
首先,用示波器检查低噪声放大器的工作电源VBR是否正常。若VBR电源不正常,检查RN5、U90和CPU。若低噪声放大器工作电源正常,则用示波器检查低噪声放大器的输入端电压。检测时将示波器设置在0.5V、1ms。不论是GSM还是DCS,在低噪声放大器的输入端都应能检测到图14所示的脉冲信号,否则需更换射频模块。
前面所讲的是低噪声放大器直流方面的检测。在交流方面,需要射频信号与频谱分析仪配合来检测。检查输出端交流信号线路时,主要注意U66、U67性能是否良好;检查线路上的电阻电容是否变质、损坏等。射频滤波器对信号的衰减通常在2.5dBm左右,若衰减过大,则最好将射频滤波器更换。除非作应急修理,否则不要短路射频滤波器。
(钟云)

