三星推出的手机很多,但早期主要以CDMA手机为主。直到三星的SGH600手机在我国推出,才开始在国内打出名气。借SGH600的气势,三星手机日益引人注目。本文主要介绍三星手机的电路特点。
三星手机电源电路特点
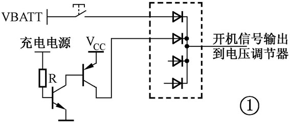
一、开机信号线路
三星手机都是高电平触发开机。电源开关键的一端连接在电源的正极上,当开关键被按下并保持足够的时间时,即产生一个高电平开机触发信号。
这个高电平开机触发信号经一个二极管组件到达各电压调节器的启动控制端口(③脚),控制电压调节器输出相应的电源。
另有一路开机信号:当充电器连接到手机时,充电电源经电阻R控制两个三极管饱和导通,将VCC送到二极管组件,产生一个高电平开机触发信号,如图1所示。

二、自动稳压电路
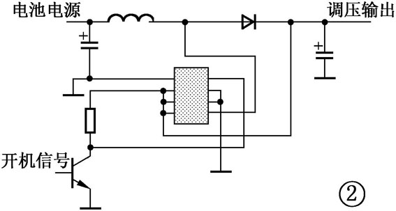
三星手机的标准电池电压是3.6V,工作电压通常是3.3V。但由于三星手机使用了自动调压电路,在电池电压低于3.3V时,在一定范围内还可以正常工作。
该电路是一个开关电源电路,由一个电感、一个续流二极管和一个开关IC组成。该电路受开机信号的控制,如图2所示。对于电池使用时间短的故障应注意检查是否是该电路出现故障。

三、稳压输出
三星手机电路中的电源分为逻辑电源和射频电源。除A100、A188手机外,虽然三星双频手机和单频手机中各电源的名称有些变化,但它们的电路基本相同,都采用5端口的电压调节器来获得相应的电压,它们的脚位功能如图3所示。

四、复位信号的产生
除A100、A188手机外,三星手机的复位信号都由一个专门的模块产生。当开机信号到达逻辑电压调节器时,逻辑电源调节器输出逻辑电源,再经一个专门的器件转换,得到复位信号。
五、开机流程
所有三星手机的开机流程都很相似,如下所述:
●电源开关键被按下并保持足够的时间,产生一个高电平开机触发信号;
●开机触发信号经一个二极管组件到达各电压调节器的③脚;
●各电压调节器在开机信号的控制下输出各种电压;
●逻辑电源在一个专门的模块转换下,得到一个复位信号。该复位信号送到逻辑电路和LCD电路;
●电压调节器输出的频率合成电源到达基准频率时钟电路;
●基准频率时钟电路开始工作,产生13MHz的逻辑时钟信号;
●逻辑时钟信号到达逻辑电路;
●中央处理器通过通信总线访问软件,若得到软件支持,中央处理器输出一个开机维持信号;
●开机维持信号经二极管组件到各电压调节器的3脚,使电压调节器维持输出,完成开机。
六、SIM卡电路
三星手机的SIM卡接口电路基本上都是由一个专门的模块提供,中央处理器通过它与SIM卡进行通信,如图4所示。

三星手机接收机电路特点
三星手机的接收机都是一个超外差二次变频接收机。
一、天线电路
不论是三星的单频手机还是双频手机,都是采用天线开关电路。通过逻辑电路对天线开关的控制来分离接收发射射频信号或GSM、DCS信号。
在天线开关的接收信号输出端接一个接收射频滤波器,以防止无用信号串入接收机;在天线开关的发射信号输入端接一个发射射频滤波器,以防止杂散辐射。若天线开关出现故障,会导致手机出现接收差或手机不入网的故障。
二、低噪声放大器
三星单频手机的低噪声放大器基本上都是使用分立元件的共发射极电路,低噪声放大器的基极偏压和集电极工作电源都由射频模块提供。
在双频手机中,GSM的低噪声放大器通常与接收第一混频器集成在一个射频模块内;DCS的低噪声放大器则采用分立元件的共发射极电路。
三、第一混频器
第一混频器电路被集成在射频模块内,它将接收射频信号和第一本机振荡信号(RFVCO)混频,得到接收第一中频信号。
四、第二混频器
第二混频器将第一中频信号与第二本机振荡信号进行混频,得到第二中频信号。第二本机振荡信号由中频VCO(IFVCO)信号分频得到。单频机的第二混频通常与接收第一混频集成在同一个模块内,双频机中的第二混频则在一个专门的中频模块内。
五、复合中频处理
不论是单频机还是双频机,第二中频都要先经一个AGC放大器放大,然后送入RXI/Q解调电路,还原出接收基带信号。在单频手机中,解调所用的参考信号来自中频VCO电路;而双频手机中解调所用的参考信号来自基准频率时钟电路。三星手机都可以检测到接收基带信号RXI/Q。
六、频率合成
三星手机的频率合成系统包含RFV-CO和IFVCO频率合成系统。
频率合成系统中的参考信号由基准频率时钟电路提供。除A100、A188手机外,基准频率时钟电路都是采用一个专门温补压控振荡器组件电路。
频率合成中的鉴相器和分频器通常都是被集成在一个PLL模块内。
RFVCO和IFVCO电路分别采用VCO组件。
七、接收音频
三星手机的接收话音通道都是由一个被称为“VOCODER”的模块提供。该模块是一个复合电路,它将数字语音信号进行PCM解码处理,还原出模拟的话音信号。
三星手机发射机电路特点
三星手机的发射机都是采用带发射变换电路的电路结构。
一、发射音频
三星手机的发射音频电路由语音处理模块“VOCODER”提供,它将送话器转换得到的模拟话音电信号进行PCM编码处理,得到数字语音信号。
二、TXI/Q调制
发射I/Q调制器被集成在一个专门的模块内。逻辑电路送来的TXI/Q信号在调制器调制发射中频信号,得到发射已调中频信号。发射中频信号由IFVCO信号分频得到。
三、发射变换
三星手机的发射变换电路如图5所示。I/Q调制器输出的发射已调中频信号在发射变换电路内与发射参考中频信号进行比较,输出包含发送数据的脉动直流信号,控制TXVCO工作在相应的信道上。发射参考中频信号由RFVCO和TXVCO信号混频得到。
四、TXVCO
不论是单频机还是双频机,TXVCO电路都是由VCO组件电路构成,如图6所示。
五、功率放大
三星单频手机的功率放大器基本上都使用如图7所示的功率放大器组件,三星双频手机则使用图7所示的或图8所示的功率放大器组件。

(张兴伟)