微处理器CPU(即中央处理器)是音响整机电路的指挥中心,音响中的绝大多数的电路工作指令都是通过微处理器发出的,现代音响整机几乎毫无例外地采用了微处理器。本文介绍现代音响整机常用的典型微处理器,μPD78042是由日本NEC公司研制生产的8位低电压(2.7~5.5V )单片微处理器,其内电路功能框图如图1所示。μPD78042采用4列80引脚扁平塑料封装,各引脚功能符号如图2所示。


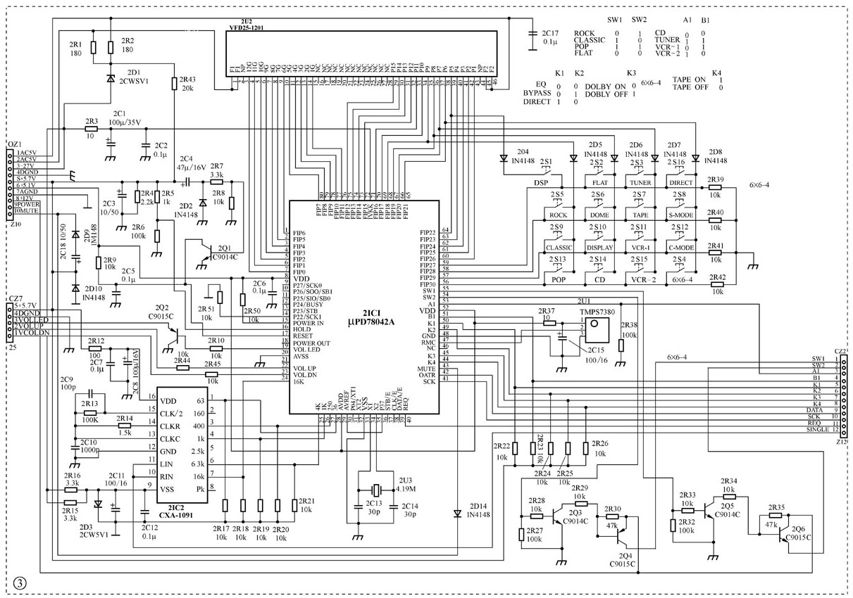
在μPD780XX系列微处理器中有许多型号,其中在国内常见的中外音响整机里,应用较多的微处理器是μPD78042A、μPD78042F、μPD78044F等。图3示出了μPD78042A在新科HG5300型杜比环绕功放器中的应用电路图。

VFD25-1201是46引脚的音响专用荧光显示器,各引脚功能说明及真值表参见附表。
(王德沅)