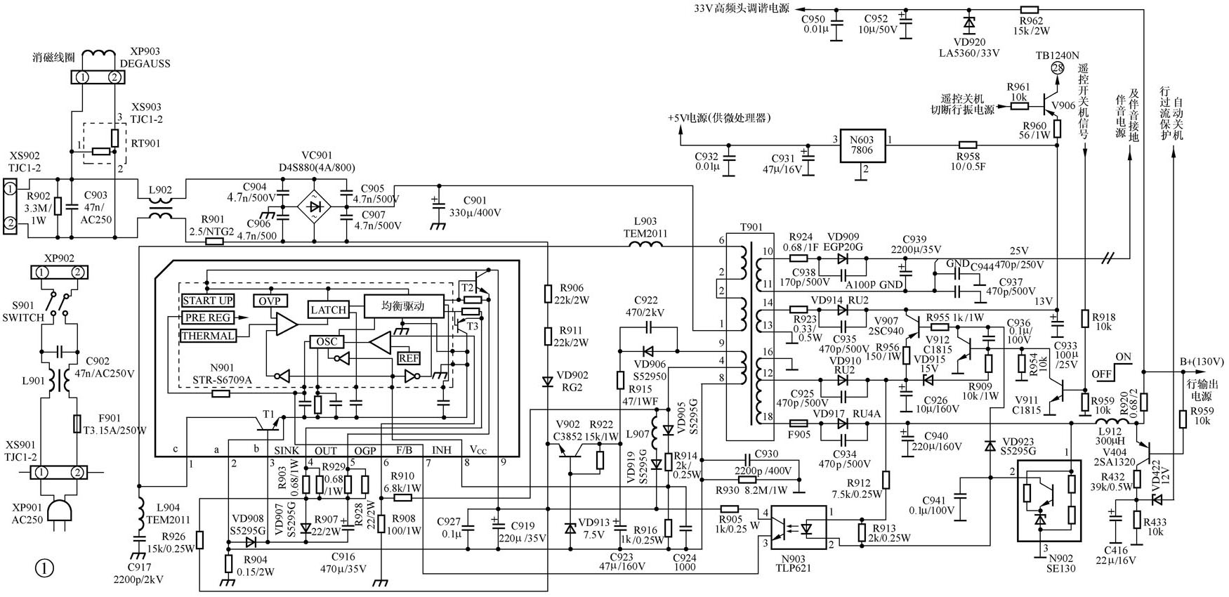
康佳大屏幕纯平彩色电视机诸多机型(如P2993N、P2592N等)的开关稳压电源都是由STR-S6709A厚膜电路组成。下面以P2592N型机为例,介绍这种开关稳压电源电路。文中元件序号为原机电路图编号。
1.开关振荡电路的启动与控制
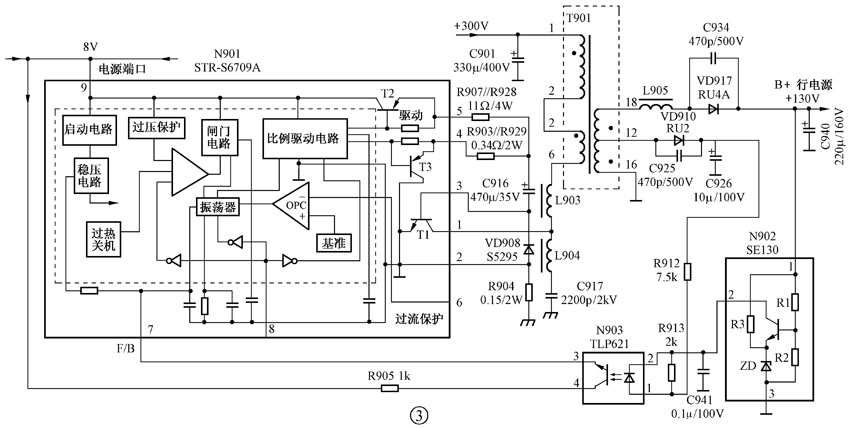
本机大功率开关调整管T1在STR-S6709A集成开关稳压器内部,STR-S6709A内部还具有独立的振荡器(电路原理参见图1)。大功率开关调整管不采用自激振荡形式,因此无正反馈电路,启动电阻也仅用于STR-S6709A的电源供电回路。在电源开关S901接通后,由电网AC(220V/110V)经R906和R911串联限流降压、VD902半波整流(组成第一路供电环路)、C919滤波后加到STR-S6709A的⑨脚,当⑨脚电压接近于8.0V时,STR-S6709A内部的振荡器工作,比例驱动电路由⑤脚输出激励方波脉冲,通过R907//R928、C916接③脚即T1的基极。另一方面从整流桥堆VC901整流,C901(330μF/400V)滤波在开关变压器T901①脚建立约300V的直流电压,通过①-②及②-⑥经L903接T1的集电极,此时T1处于开关工作状态,不断地向开关变压器提供磁场能,在T1截止瞬间副方整流二极管导通,在向电容提供电场能的同时向负载供电,原方(热地)绕组⑧-④通过VD919整流、C919滤波,使C919正端电压达到8V,此时启动电路R906、R911、VD902的(第一环路)供电减小。由T901⑧-④绕组的④脚通过L907、VD919组成的第二环路供电为主,提供给STR-S6709A的⑨脚工作电源。如果处于遥控关机(待机)状态,STR-S6709A⑤脚输出窄脉冲激励T1基极,开关调整管处于低占空比状态,开关变压器(T901)各路输出电压均降为正常工作状态电压的三分之一左右。T901⑧-④之间通过VD919提供的电压不足以维持STR-S6709A⑨所需的电源电压,如果长期通过R906、R911、VD902从电网电压半波整流和电阻降压得到,则待机功耗必然较大。因此接有(原方)待机电压切换电路,它由T901绕组⑧-⑨、VD906、C922、R915、R922、V902、VD913等元件组成第三路供电环路(见图2)。其工作原理如下:

在正常开机状态时由T901⑧-⑨产生的感应电动势,由于⑧-⑨绕组匝数约为⑧-④绕组匝数的3倍,通过VD906整流,在C923滤波电容正端建立的电压约为66V。从该点通过电阻R922连接到V902基极,因为基极接有VD913(7.5V稳压管)到地,因此V902基极U b为7.5V,而其射极接于C919正端为8V左右,因此V902的be结处于反偏状态而使V902处于截止状态,不向STR-S6709A⑨脚提供电流。如果本机处于待机状态下,C919正端电压将下降,当电压下降到7V以下时,V902导通(非饱和导通),此时从C923取得电源电流通过V902的c-e结使C919正端电压维持在7V左右(在待机状态下C923上的电压约为+18V),在STR-S6709A⑨脚电源端口保持待机供电状态(7.0V),也就是说在待机时是由第三环路供电为主,第一路供电为次,第二路供电截止,这种状态的切换是自动进行的,使内部大功率开关调整管T1在待机时保持在低占空比的开关状态。
2.稳压控制过程
稳压控制电路由N902(SE130)、R912、R913、N903(光电耦合器,兼作遥控开关机用)及R905等元器件组成,如图3所示。其实质是在副方B+(130V)上取样,调节STR-S6709A⑦脚F/B端子的电压,再经STR-S6709A内部的稳压器(PRE REG)控制“比例驱动电路”输出调频、调宽脉冲的变化,并调整内部调节管T3的基极电位,使T3动态电阻Re-c变化,将T1的基极激励电流进行分流,进而使大功率开关调整管占空比变化而实现稳压的。具体来说,当电网电压上升或电视荧屏亮度减小,音量减小等因素,使负载电流减小时,B+电压会有所上升(其他各路输出电压均有所升高),此时从B+取样点使N902(SE130)①脚电位上升,②脚电位下降(SE130内部三极管的射极电位稳定,基极电位上升,导致集电极电压下降)。N903(光电耦合器)①脚因通过R912接副方滤波电容C926正端(约60V)亦有所升高,由于N903的②脚接N902的②脚(电位趋于下降),此时N903①~②脚间电位差加大,发光二极管亮度增强,N903内部光敏三极管c-e结内阻下降,因N903④脚通过R905(1kΩ)电阻接N901(STR-S6709A)⑨脚电源端口(8V点),N903③脚接N901⑦脚(F/B)反馈端子,这一反馈过程将会使⑦脚电位升高,⑦脚的输入电流I\(_{F}\)/B将增加(参见图3)。STR-S6709A将⑦脚输入的“副方电压上升”信息分为两路:一路连接振荡器使振荡频率作微量的调整;另一路连接内部稳压器(PRE REG),稳压器将控制“比例驱动电路”使其输出的调宽脉冲作微量变化,通过T2由STR-S6709A⑤脚输出,再经外围阻容耦合转回到③脚内部的大功率开关调整管基极,与此同时“比例驱动电路”还将控制T3的基极电位,T3的b极电位略下降,T3的c-e结等效电阻下降,由④脚输入的分流增加,这会使T1基极得到的激励信号减小(因激励信号被分流一部分到地),T1集电极-发射极之间的饱和导通时间(T\(_{on}\))减小,截止时间增长,T901得到的磁场能将减小,副方电压自然会有所下降,从而达到稳定副方输出电压的目的。反之(如B+下降)亦然。

稳压的具体过程如用“↗”表示上升,“↘”表示下降,可描述如下:
B+↗(↘)→SE130①脚U1↗(↘)→SE130②脚U\(_{2}\)↘(↗)→N903光电耦合器①~②脚电位差U\(_{1}\)-2↗(↘)→N903光电耦合器③~④等效电阻r\(_{ce}\)↗(↘)→N903③和④脚间电压降U\(_{3}\)-4↗(↘)→STR-S6709A⑦脚电位U\(_{7}\)↗(↘)→⑤脚输出方波脉冲占空比↗(↘)、④脚分流(输入)↗(↘)→①脚输出脉冲占空比↗(↘)→B+输出↗(↘),达到B+输出稳定的目的。
STR-S6709A内部采用比例驱动系统,不仅具有最小的开启损耗、饱和损耗及最小的存储时间,而且使稳压的灵敏度提高。在电网电压较高的情况下(输入AC在220V以上时)内部T2作为恒流激励,此时稳压系统的比例驱动电路将以调整T3的基极电位,变化T3的动态电阻(r\(_{ce}\)),用以分流对T1基极的激励信号为主。在电网较低的情况下(输入AC在160V以下时)比例驱动电路,不仅改变输出脉冲的占空比,T2还作为电流放大器输出,用以提高激励信号输出的幅度,以确保在低电网电压状态下,仍能启动和正常工作,并使副方B+输出稳定。
3.遥控开/关机电路
(1) 在正常开机时,由N601(CKP1008S)(POWER)输出的开机信号为高电平(2.8V),通过R624(10k)使V606饱和导通,R961(10k)左端相当于接地,V906(PNP管2SA1015)基极为低电位而饱和导通,V906作为主芯片行振荡电源切换管此时处于导通状态。由于从开关稳压电源副方C933正端接有R960(56Ω/1W)到V906的射极,集电极与TB1240N连接,并联VD406(9.1V稳压管)到地,因此得到稳定的9.1V(H.V\(_{CC}\))。在遥控关机时,N601送出的关机信号为低电平(0V),V606截止,R961左端近于开路使V906截止,行振荡因H.V\(_{CC}\)电源中断而停振,如图4所示。
(2) 正常开机状态:N601为高电平,通过R918使V911基极正偏+0.7V, V911饱和导通使V912基极电位近于零,V912截止,V907基极通过R955接V912集电极,此时V907基极无电流而截止,VD923呈反偏状态,副方各路输出正常工作电压,互不相关。遥控关机状态:N601低电平,V911截止,VD915齐纳击穿电流通过R909与R954分压给V912提供正偏电压而使V912饱和导通,V912集电极相当于短路到地。此时分两路叙述:一路使VD923导通,N902和N903的②脚电位降低,N903①~②脚的电位差加大,发光二极管光强增大使光敏三极管饱和导通,N903④~③脚的电位差减小,N901(STR-S6709A) ⑦脚F/B电位瞬时升高,而使开关管转换为低占空比状态工作(待机模式),在“待机模式”状态下,大功率开关管T1关断时间是固定的(T\(_{OFF}\)=50μs),而开启时间(T\(_{ON}\))极短,因为从比例驱动放大器输出端(即STR-S6709A⑤脚)输出的是窄脉冲,窄脉冲宽度取决于电源输入电压和输出条件,原则上各路输出电压均下降为正常工作电压的三分之一。另一路:V912集电极零电位,使R955相当于短路到地,V907(PNP管C940)基极电位降低而饱和导通,经VD910整流,C926滤波的B+(13V)电压通过R956(150Ω/1W),V907的e-c结到C933正端,也就是通过R958(10Ω/0.5W)电阻到N603(遥控微处理器N601的5V稳压电源)的①脚,以保证在待机状态由于各路输出电压下降后,N603的①脚仍能得到10V左右的输入电压N603(5V三端稳压块)能够正常工作,遥控微处理器在待机状态随时能接收到遥控开机信号。
4.保护电路
一般彩电在市电输入整流滤波回路中都要串接限流电阻,原因是彩电滤波电容选得较大(本机为330μF/400V),如果没有限流电阻,开机瞬间充电电流太大,很容易损坏整流桥堆及滤波电容本身。这里产生一对矛盾:没有限流电阻或限流电阻太小,则冲击电流大,危及器件,但有了限流电阻在彩电正常工作时不但白白消耗能量,还会使机内温升加大,更重要的是使电源内阻加大,影响电源的稳压特性。
本机采用的限流电阻R901(NTC2.5)是一种新型负温度系数热敏电阻,在常温状态下阻值为2.5Ω。随着温度上升、阻值下降,正常工作时温度约75℃,这时阻值约0.12Ω。一般采用两只串联使用,冷态限流电阻阻值为5Ω,正常工作时阻值约0.25Ω(实测两端压降近于零),即保证了稳压电源的高性能,也降低了机内的温升和功耗。
康佳在2000年以前生产的彩电,保护电路多数采用晶闸管(可控硅)保护电路,而且与开关稳压电源的遥控开关机电路相联系。即任一主要的电源过压或过流,均触发可控硅雪崩击穿而使开关稳压电源处于保护性关机状态,用遥控器不能重复开机。最新一代彩电的保护电路则是采用微处理器(电脑)检测,如检测到各主要的电源电压过压或过流,则微处理器内部将执行保护性关机指令,用遥控器不能重复开机,具体的保护电路如图5所示。
微处理器N601(CKP1008S)为用于保护的中断信号输入脚,该端子只要瞬间接地(电压V\(_{4}\)0≤0.8V),即控制CPU处于保护性关机状态,(POWER)始终处于零电位,用遥控器不能开机。
本机几种保护电路如下介绍:
(1) 行输出过流保护 由R920(取样电阻)、V404、R431、R432、R433、C416、VD422等元器件组成行输出过流保护电路。当行输出电流(正常I\(_{H}\)≈600mA)超过1A,V404的U\(_{be}\)≈-0.68V,则V404饱和导通,R432与R433连接点的电压达到130V的五分之一,即大于20V,VD422反向击穿,V613基极正偏+0.7V,V613饱和导通,N601瞬间接地而失去电压,微处理器CPU随即处于保护性关机状态。
(2) 场输出过流保护 由R434(取样电阻)、V406、R435、R437、C469、R438、R439、VD423等元器件组成场输出过流保护电路。当场输出供电平均电流(正常I\(_{v}\)≈700mA)超过1.2A时,在R434两端将得到1.2V电压降,V406的U\(_{be}\)≈-0.7V,则V406饱和导通,+25V场电源电压通过R438、R439分压,中点电压超过VD423的反向击穿电压,V423反向击穿,V613饱和导通,N601电压低于0.8V,CPU随即处于保护性关机状态。
(3) X射线保护 X射线保护原指防止高压过高,而实际电路均取自行输出变压器低压绕组的某一组,因为变压器在同一磁芯上的绕组上的电压均与匝数成正比,也与磁通变化率成正比,任一组电压的升高也反映了高压的升高。本机取自T402⑥脚输出经VD413、C411整流、滤波的12.5V,由R429、R428分压,中点在正常工作时电压约为6.83V,当 12.5V电压上升到15V时(即升高20%),则分压点电压超过VD417的反向击穿电压,V613V饱和导通,则N601的电压低于0.8V,CPU进入保护性关机状态。
(4) 电源失压或电源短路保护电路由VD622、VD624、VD625分别组成9V稳压电源、5V稳压电源及25V伴音功放电源失压或电源短路保护电路。其中任何一路电源出现失压或电源短路,VD622、VD624、VD625其中只要一只二极管导通,则N601电压均低于0.8V,则CPU进入保护性自动关机状态。
保护电路的完善和先进,可以防止故障的扩大和火烧机器的发生,但由于目前还不能显示故障部位,因此保护性自动关机后对于排除故障的分析判断也提出了新的难题。只有对电路原理熟悉,才能迅速判断和排除故障。
该电源的主要元器件的维修数据如表1、表2所示。
(张传轮)