现在学校采用的多媒体有源音箱和扩音设备,多是采用通用型功率集成块,尽管有的芯片性能指标不错,但最大的缺陷是功率储备很小,达不到各种面积声压的要求(现场人愈多这种情况愈严重)。为此,笔者根据多媒体教室的多种用途(语言、音乐、影视、节目),制作了几款不同功率的放大器,根据每平方米1.5 ~ 2W的功率可算出其使用面积,供教师制作参考,也可供学生课外科技制作。
1.25W×2放大器
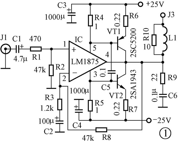
电路如图1所示,芯片IC采用美国NS公司的LM1875,它具有音色柔美,失真低(0.015%),在小功率时颇有名机风范,广受好评。输出管采用音色较为温暖柔和的东芝大功率对管2SA1943,2SC5200 ( VCM=180V,ICM=12A,PCM≥120W ,f T=30MHz)。本电路的原理如下:当音频信号经C1、R1输入到IC正相输入端①脚时,接在IC正、负电源的供电电阻R4、R5的电压将随信号发生变化,由于R4、R5又是功率管的偏置电阻,当信号达到要求幅度时功率管VT1、VT2导通,这样LM1875的功率得到了扩展。当采用±25V供电时,在8Ω的负载下,输出功率可达30W以上。

印制板图见图2(双声道需两块),装配要点:由于IC的负电源与金属帽相通,故IC与散热片之间要加绝缘片和足量的硅脂,功率管的散热片要用正品,在长时间工作时不应烫手,否则应加大散热片。由于IC的静态电流为70mA左右,故R4、R5的取值决定了功率管的导通点,本电路当IC输出电流接近1A时功率管即导通,R4、R5要用3W无感电阻。功率管选用进口正品,并进行配对,误差尽可能小(3%以内),这对于音乐的清晰度尤为重要。输出端的线圈L1用1mm漆包线在3W无感绕线电阻R10上密绕10匝。电源部分(见图3、图4)采用150W双18V优质环形变压器,35V/4700μF的滤波电容4只、35V/100μF两只、100V/0.1μF两只,保险管FUSE1、FUSE2使用4A的。



2.60W×2放大器
电路如图5所示,推动级采用了意法(SGS-THOMSON)公司的新品TDA7294,该芯片内部推动级和输出级均使用了DMOS场效应管,用±40V供电,输出功率可达70W(RMS/8Ω)、低失真(0.005%),音色细腻、听感极佳,乃近年来屈指可数的优秀芯片。功率输出VT1、VT2采用著名的山肯大功率对管2SA1216,2SC2922(VCM=180V,ICM=15A,PCM≥200W ,f T=50MHz)。电路原理如下:信号经C1、R1输入IC正相输入端③脚。R7和IC第②脚相连的R3、C3、C4构成负反馈网络,本放大器的闭环增益约34倍。⑨、⑩脚分别是待机、静音端,由于⑩脚R、C网络时间常数比⑨脚大,使得开关机均在静音下进行,避免了开关冲击声,C7为自举电容。
图6为印制板图(一声道),制作要点:IC的金属帽与散热片之间要加绝缘云母片(金属帽与⑧脚相通)。电源板(参考图3、4):电源变压器用300W双28V环形的,50V/10000μF的滤波电容4只、50V/100μF两只、100V/0.1μF两只,保险管FUSE1、FUSE2取6A。对电源部分要单独测试,先不接功放,测量电源正、负输出电压是否对称,误差应在0.6V以内。试机时,为安全起见,应先使用较低的电压实验(如±25V),不加信号,测输出端对地直流电压,正常应在20mV以内。根据所使用的场合,末级电流取得较小(约6mA),若要加大,微调R9即可。功率管要严格配对(3%以内)并选用正品。TDA7294使用60mm×85mm×20mm十二槽的散热片即可。输出对管则要用专业型散热片,最好安装一小风扇辅助散热(如旧微机开关电源上的轴流风扇)。
3.100W×2放大器
该放大器(见图7)采用NEC公司专为音响设计的音频驱动集成电路μPC1342V,该芯片具有十分优良的性能指标,外围电路简单,驱动力充沛,电压适应性强(±20V ~ ±70V)和极低的失真(0.005%)。功率输出VT2、VT3采用山肯大功率对管2SA1494、2SC3858(VCM=200V,ICM=15A,PCM≥200W,fT=30MHz)。电路原理简述:信号经C1、R1输入到IC正相输入端④脚。R10与⑤脚的R3、C2构成反馈网络,C7为相移电容,用以消除自激。本放大器闭环增益约38倍。R4、RP1、VT1构成末级偏置电路,RP1用于调整功率管静态电流。μPC1342V使用60mm×60mm×2mm的泡沫铝散热片。
图8为印制板图(需两块),装配须知:要十分重视电源的制作质量,要采用专业厂商生产的400W双38V环形或方形变压器,65V/10000μF的滤波电容4只、65V/100μF两只、100V/0.1μF两只,整流二极管使用10A的,保险管FUSE1、FUSE2使用7A的。功率管的配对不再赘述。本放大器的调整非常简单,只要细心调节RP1,使VT2、VT3射极电阻R8、R9两端电压为5mV,这样末级静态电流可达20mA。输出端电阻R12采用5W无感型的,也用1.5mm漆包线在R12上密绕10匝。由于输出功率较大,因此要安装风扇辅助散热。另外,印制板上大电流的走线要进行滚锡处理(注意锡面要光滑),对增加声音的透明度及力度颇有裨益。
(吴越屏)