这次无线电小组的活动中,同学们应用无线电遥控发射、接收模块TWH630/631组装了遥控调光灯电路,进一步学习了无线电遥控模块的原理、特性和应用知识。
同学:
老师,您给我们讲讲无线电遥控模块的工作原理吧。
老师:
好。TWH630/631是一种内藏无线的载波为265MHz的超高频无线电波发送和接收微型组件。发射模块(图1)内部的振荡电路产生的等幅高频信号,被输入端IN输入的音频方波信号调制,以调幅无线电波的形式向空间辐射;接收模块(图2)接收到发射模块发送的调幅高频信号,在内部进行解调、放大、整形后,由输出端OUT输出音频方波信号。遥控距离约为80m,射频输出功率约为10mW。


同学:
如果不用音频信号对发射模块的等幅超高频信号进行调制,直接发射和接收,能不能实现遥控呢?
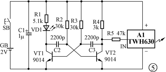
老师:
我们可以做个简单实验(图3),按下开关SB,发射模块就会向空间辐射等幅超高频无线电波。接收模块接收到等幅超高频信号,经过解调、放大后,输出的只是随机的噪音电平,使接在输出端的发光二极管闪烁一下,是不能实现任何控制的。

同学:
利用TWH630/631实现遥控,需要具备什么条件,整个控制电路是怎么组成的呢?
老师:
电路见图4。发射模块TWH630只能产生超高频等幅无线电波,就是大家熟悉的载波,为了实现遥远控制,必须给TWH630输入音频方波调制信号,图5就是一种产生方波的电路,振荡频率f1=1/(1.4R2C2),利用它对载波进行调制,成为调幅波发送出去。接收模块TWH631接收的调幅信号经过解调、放大、整形、输出音频信号,送到音频解码集成电路LM567进行译码后,在⑧脚输出低电平控制信号,使继电器K吸合,实现遥控操作(图4)。当松开发射开关SB时,⑧脚恢复高电平,继电器释放。利用它可以制作遥控门铃、上下班打铃装置、电控锁、电磁阀、电动玩具等。


同学:
产生音频方波信号可以采用555时基电路或集成电路与非门组成的多谐振荡器吗?
老师:
完全可以。
同学:
我们在调试遥控调光灯(图6)的过程中,您告诉我们要细心调节LM567⑤脚所接的可变电阻RP,直到发光二极管VD2点亮,这是为什么呢?
老师:
通用音频解码集成电路LM567又叫锁相环音频译码器。它的功能是以③脚输入频率为f\(_{1}\)的音频信号,⑤脚外接的可变电阻RP和电容器C6决定着译码频率f\(_{0}\),f\(_{0}\)也就是接收模块内部压控振荡器的中心频率,f\(_{0}\)=1/(1.1RP×C6),调节RP使f\(_{0}\)与输入信号频率f1相等时,译码器LM567的逻辑输出端⑧脚就由高电平变为低电平,这时发光二极管VD2点燃,VT3导通,集电极输出高电平,送到调光集成电路SM7232⑥脚,实现调光控制。
同学:
调光集成电路SM7232的内部结构和工作原理是怎样的呢?
老师:
SM7232是一种新型的调光控制专用集成电路,它对交流调压电路的双向晶闸管VS实施触发导通、关断和相移控制。SM7232⑤脚是触摸控制输入端,我们没有使用,⑥脚高电平作用时间小于0.4秒时,可以通过SM7232实现开关灯的操作,也就是瞬时按动一下发射器按钮SB,白炽灯EL被点亮,再瞬时按动一下SB,白炽灯熄灭。如果按键时间大于0.4秒,就可以对白炽灯进行无级调光操作,即长时间按住SB,灯光亮度会自动由暗渐亮又由亮渐暗,你选择好合适的灯光亮度立即松开手,这个亮度就被锁定了。
同学:
利用TWH630/631能不能进行多通道遥控呢?
老师:
使用广东省中山市达华电子厂(地址见本期彩页广告)生产的TWH630/631,再配上该厂生产的TWH9256/6257遥控专用数字解码集成电路,就能方便地组合成多路遥控发射、接收组件。我给大家画出一个四通道遥控发射、接收器的电路(图7)。发射器遥控专用编码IC,有8位四状态地址线和四位二状态地址线,地址编码总共有32万个,具有很强的保密性。
同学:
怎样进行编码呢?
老师:
编码方法非常简单(图8)。大家看这一组四态编码连接图。所谓四态编码是指编码电路的②~⑧脚(A1~A7)编码线可以任意连接电源正(VDD)、电源地(VSS)、悬空不接或接与①脚相连的四编码状态地址线(4H)。每一位地址线的任意一种连接状态就是一组编码设置。只要使编码电路TWH9256与解码电路TWH9257的组码状态完全一致,就能实现多路遥控。如果编码、解码电路②~⑧脚中有一个脚的编码状态不同,就无法进行遥控。编码IC的⑩~A、B、C、D所接的四位操纵按键输入高电平数据,则各数据经发射、接收和解码后,在解码IC的⑩~A、B、C、D各数据端将输出对应于操纵键的高电平信号。在没有按键按下时,解码IC对应的各数据输出端也就没有电平输出。需要说明的是,一旦有数据输入,经遥控解码输出的信号即锁定为高电平,要取消该路输出时,可以按其他按键,或者切断一下接收电路的电源开关S2,使电路复位。
(宋东生)