[1] 计数器是数字系统中应用最多的时序电路,能对输入脉冲按一定的规则进行计数,由输出端的不同状态予以表示。电路符号见图1(a),图1(b)为有并行输入端的计数器符号。

[2] 计数器主要应用于计数、分频、定时等电路。图2为8位二进制加法计数器电路,由两块4位计数器CC4520串行级联而成,信号由D1的CP端输入,计数结果由8位二进制码表示,最大计数值为28-1=255。SB为清零按钮。

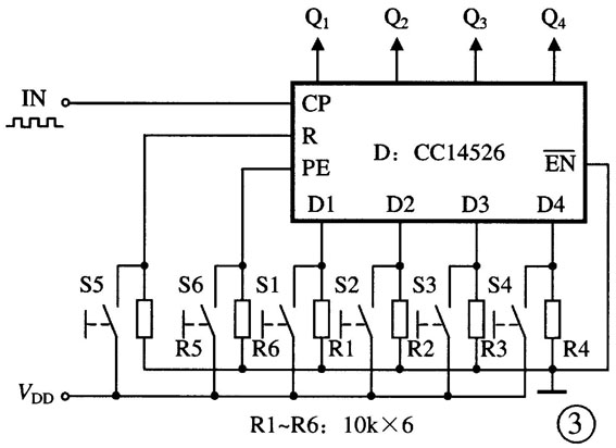
[3] 图3为CC14526构成可预置数的4位二进制减法计数器。S1~S4为预置数D1~D4的设置开关,合上为“1”,断开为“0”。S6为送数开关,合上S6预置数被送入计数器内,Q1~Q4=D1~D4。信号由CP端输入作减法计数。S5为清零按钮,高电平有效。

[4] 图4为CC4510构成可预置数的BCD码加/减计数器电路,S3拨至a为加计数,拨至b为减计数。输出为4位二进制数(8421码)表示的十进制数。S1为送数开关,S2为清零按钮。

[5] 图5为12位二进制串行计数器CC4040构成的12级分频器电路,最小分频数为1/2,最大分频数为1/4096。

[6] 图6为采用14位二进制计数器CC4060构成的定时器电路,可同时输出10种定时时间,以控制10个负载。改变R、C即可改变基本定时时间。

[7] 图7为CC4017构成的十进制计数分配器电路,信号由CP输入,依次在Y0~Y9端输出,实现对脉冲信号的十进制分配,SB为清零按钮。

[8] 译码器可将一种数码转换成另一种数码,有显示译码器和数码译码器两大类。图8(a)为BCD码-7段显示译码器符号,(b)为十进制计数-7段显示译码器符号。

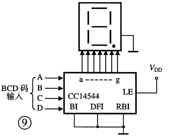
[9] 图9为CC14544构成的1位数显示译码器,BCD码由A~D端并行输入,译码后驱动共阴数码管显示出数字。

[10] 图10为两块CC4033(D1、D2)组成的两位数计数显示译码器,信号由D2的CP端输入,计数结果由两块共阴数码管显示出两位数字。SB为清零按钮。
[11] 数码译码器符号如图11所示,有多个输入端和多个输出端,由一种数码A输入,输出端可得到另一种数码B。
[12] 图12为BCD码-十进制码译码器CC4028,输入是四位BCD码,输出则是十进制码。若用其A、B、C三位二进制输入,可得到八进制码输出。
[13] 图13所示为4线-16线译码器CC4514,输入是四位二进制码,输出则是十六线的8-4-2-1码。
[14] 移位寄存器不仅可以寄存数据,还具有移位功能,它是数字系统和电子计算机中的重要部件。图14为4位右移移位寄存器示意图。串行数据从D端输入,在时钟脉冲CP的作用下向右移位,经过4个CP周期后从Q4端串行输出。Q1~Q4为并行输出端。P1~P4为并行数据输入端。
[15] 图15为4位左移移位寄存器示意图。情况与“右移寄存器”类似。
[16] 图16为彩灯控制电路,用两块4位静态移位寄存器CC4035,8个输出端(Q1~Q8)可控制8路彩灯。彩灯的初始状态由置数开关S1~S8设置,按下SB将预置数送入移存器,松开SB后,Q1~Q8便有信号周而复始地输出。D1、D2组成多谐振荡器,为移存器提供时钟脉冲,调节R11可改变振荡频率,使彩灯的流动速度变化。
[17] 图17为4位双向移位寄存器CC40194,它既可右移、也可左移,既可串行输入输出,也可并行输入输出。控制端ST1、ST2的功能见附表。
[18] 模拟开关是用CMOS电子电路模拟开关的通断,无机械触点,输入输出可互换,具有功耗低、速度快、体积小、寿命长等特点。图18(a)为常开型,(b)为常闭型,e为控制端。
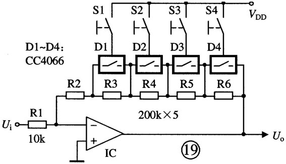
[19] 图19为四双向模拟开关组成的数控放大器电路,放大器的放大倍数由S1~S4控制,可在20、40、60、80、100倍中选择。

[20] 图20为双4路模拟开关CC4052构成的立体声放大器音源选择电路,A、B为音源输入控制端,立体声由Lo、Ro输出至放大电路。

(莫恩)