两通道语音合成器SNC582
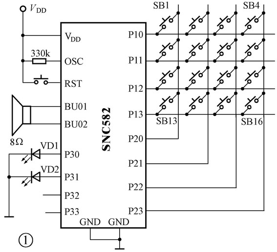
SNC582是一种具有PWM直接驱动扬声器的语音合成器IC。主要特点是:单电源2.4~5.1V供电;在6kHz采样率时可提供61秒放音能力;内有4位微控制器;1个4位输入口及2个4位I/O口;提供128×4位RAM;184K×10的ROM,可提供用于语音数据及编程;可提供16K最大的编程ROM;可读ROM代码数据;可提供红外线载体信号;内有高质量语音合成器;提供适合的放音速度2.5k~20kHz;内有1个PWM直接驱动扬声器电路外,另有1个固定电流D/A输出电路(需外接三极管来驱动扬声器);系统时钟频率2MHz;19管脚软封装;工作温度范围-20℃~+70℃。
SNC582典型应用电路如图1所示。SB1~SB16为输入键(由用户定义);VD1、VD2为指示灯(由用户定义)。该电路由PWM直接驱动扬声器(8Ω、0.5W)。RST为复位按钮,330kΩ为确定振荡频率的电阻。

查询网址:www.waslin.com.cn
。
精密运算放大器MAX4238/39
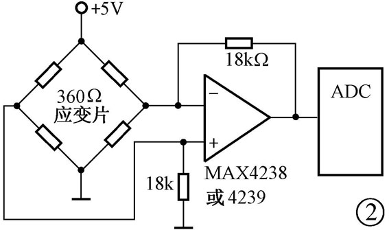
MAX4238及MAX4239是低噪声、低失调电压、低温漂的高精度运算放大器。它们之间的区别是前者的最小稳定增益是1V/V,增益带宽积是1MHz;而后者的最小稳定增益是10V/V,增益带宽积是6.5MHz,其它性能相同。两器件主要特点:失调电压在25℃时最大值为2μV;在-40℃~+85℃时为2.5μV;在-40℃~+125℃时为3.5μV;温度漂移典型值为10nV/℃;低噪声,从直流到10Hz为1.5μVp-p;大信号电压增益(AVOL)150dB、电源抑制比(PSRR)140dB、共模电压抑制比(CMRR)140dB;有关闭控制,此时耗电0.1μA;在RL=1kΩ时输出满幅值(相差35mV);工作电压2.7V~5.5V;工作电注600μA;6管脚SOT-23封装或8管脚SO封装;工作温度-40℃~+125℃。
两器件主要应用于热电偶测温电路、应变片测量电路、医疗仪器放大器等。
应用电路如图2所示。应变片由4个电阻组成电桥电路(桥臂电阻受力而变形,使改变其阻值),每个桥臂电阻为360Ω。放大器接成增益为100,输出信号送A/D变换器,经A/D变换后输出相应的数字信号。

查询网址:www.maxim-ic.com
。
高数据传输率红外接收器TSOP5700
TSOP5700是小型封装的红外接收器。内部由PIN二极管(雪崩光电二极管)及前置放大器等组成。主要特点:内部有适用于脉冲编码调制(PCM)的带通滤波器;有屏蔽可抗电场干扰;TTL及CMOS兼容;数据传输率20kbit/s;工作电压2.7~5.5V;上电后建立时间短;能接收高包络线占空系数信号;加强了抗节能灯的干扰;环氧树脂封装兼有滤光作用;解调后的信号可直接与μC接口实现解码。
TSOP5700的典型应用如图3所示。与它配套的红外发射二极管是TSHF5400(λ=870nm)。其载频必须接近455kHz,占空比在10%~50%之间(低的占空比可节省电池能量)。

查询网址:www.vishay.com
。
5A输出低压差线性稳压器MIC37502
MIC37502是一种低压差线性稳压器,输出电压可设定,输出电流达5A。主要特点:最大压差为500mV;输出电压1.24~5.5V;输入电压2.3~6V;有极好的电压调整率及负载调整率;有省电关闭控制;内部有输出电流限制电路及过热关闭保护电路;有反向漏电流保护;低剖面高度S-Pak封装;工作温度-40℃~+125℃。该稳压器主要用于低电压、大电流的场合,如PLD、DSP、μC等。另外,它可用作高效线性电源、开关电源的后续电源及电池充电器等。
典型应用如图4所示。输出电压V\(_{O}\)与电阻R1、R2的关系为:

V\(_{OUT}\)=1.24V(1+R1/R2)
图中V\(_{EN}\)为关闭控制端(选通端),此端加低电平时,电源被关闭。此功能不用时,V\(_{EN}\)端与V\(_{IN}\)连接。
由于输入、输出电流大,所以两个VIN端及两个VOUT端应各自焊接在一起。COUT建议采用100μF陶瓷电容器。
查询网址:www.micrel.com
。