集成运算放大器UA741、TL082、NE5532、RC4558、LM358、LM324等是读者比较熟悉的几种通用运算放大器,本文介绍几种特殊的使用方法。
一、用运放构成记忆电路
图1和图2是两种不同形式的具有记忆功能的电路,运放的同相端作输入控制端(IN端),经R3与输出端V\(_{O}\)相连,反相端通过R1与R2分别接V+及地。分压电阻R1=R2,R3可视实际需要而定,也可和R1或R2相等,C1取0.47~2.2μF。在图1中,由于C1跨接于输入端与地之间,在起始状态(IN端悬空,下同)输出端V\(_{0}\)为低电平。当IN端输入一个大于1/2V+的高电平信号时,V\(_{0}\)端输出高电平。去掉控制信号(IN悬空,下同)后,由于R3的反馈作用,V\(_{0}\)仍保持高电平不变;将IN端接低电平或地,电路才能翻转,V\(_{0}\)输出才变为低电平。此时,IN端信号消失或与地分离后,电路输出仍然保持低电平不变,这就实现了双向记忆功能。


图2电路由于C1接在V+与输入端IN之间,电路起始状态为输出高电平,当IN端输入一个低电平信号或接地时,输出端V\(_{0}\)由高电平变为低电平,去掉信号或与地分离后,仍能保持低电平不变,必须在IN端输入一个大于1/2V+的高电平信号,电路才能再次翻转,V\(_{0}\)输出高电平,实现了双向记忆。
以上两种电路,可用于液位上、下限制,双限行程控制及非持续触发信号的触发控制电路。
二、用运放构成双端触发单端输出电路
图3是一个双端触发单端输出的电路,运放的同相端等效于触发器的置位端T\(_{S}\),反相端相当于复位端T\(_{R}\),输出相当于Q端,R1=R2=R3=R4≤R5。在初始状态时,R5与R\(_{L}\)串联、同R4并联,再与R3形成分压电路,为TS端提供一个低于1/2V+的电位,R1与R2形成分压电路,为TR端提供一个1/2V+的电位。由于T\(_{R}\)端电位高于T\(_{S}\)端,电路处于复位状态,Q端为低电平。当T\(_{S}\)端输入高电平(>1/2V+)时,Q端为高电平;T\(_{R}\)端输入高电平,Q端为低电平。触发灵敏度T\(_{R}\)优于T\(_{S}\),所以电路具有触发器的功能。本电路也可用于两路信号交互控制电路及双限行程控制。

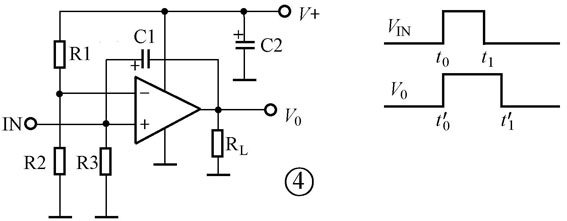
三、脉冲展宽电路
图4是运放构成的脉冲展宽电路的原理图和输入输出关系示意图,R1与R2的阻值视IN信号强弱而定,即V\(_{IN}\)/V+=R2/R1,R3和C1的大小对展宽时间(t‘\(_{1}\)-t\(_{1}\))有直接关系,R3·C1大,展宽时间长,R3·C1小,展宽时间短。当IN端输入一个矩形脉冲时,V\(_{0}\)便输出一个加宽了的正向矩形脉冲,脉冲展宽度(t’\(_{1}\)-t\(_{1}\))与R3·C1成正相关。本电路可用于光电计件计数电路检测脉冲的加宽,以保证对执行元件的可靠驱动。

四、脉冲移位电路
在图4的基础上增加一个电阻R4便构成了图5所示的脉冲移位电路,IN端输入的矩形脉冲波将被延时输出,达到输出信号比输入信号滞后的目的,脉冲的前沿延时(t‘\(_{0}\)-t\(_{0}\))与R4·C1成正相关,脉冲后沿延时(t’\(_{1}\)-t\(_{1}\))与R3·C1成正相关。R1与R2的值与IN信号电压V\(_{IN}\)有关,即V\(_{IN}\)/V+≥R2/R1,以V\(_{IN}\)/V+>R2/R1为宜。本电路可以用于信号延时处理电路。

五、脉冲压缩电路
图6是脉冲压缩电路原理图及输出输入关系示意图,R1与R2形成对脉冲幅值的分压,即R2/(R1+R2)·V\(_{IN}\)=V\(_{0}\),同时,由于C1与R1对信号的积分延时,所以,输出脉冲波与输入脉冲波相比,幅度及宽度均被压缩了。可广泛用于脉冲处理电路中。

(董晓畅)