激光武器是当今武器家族中的新秀。在这里我们用常用的元件来制作一个这样的“武器”,并且用它来进行射击游戏。
工作原理
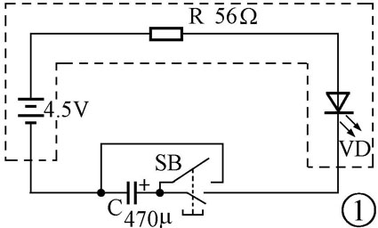
射击游戏机由激光玩具手枪和光电靶机组成。图1是装在玩具手枪中的激光发射电路。用手扣动扳机SB时,其常闭触点断开,常开触点闭合。电流通过电阻R和激光二极管VD对电容C进行瞬时充电,激光二极管VD发出红色的激光束。当射击完成后,常开触点断开,常闭触点闭合,电容C通过常闭触点放电,为下次射击做准备。

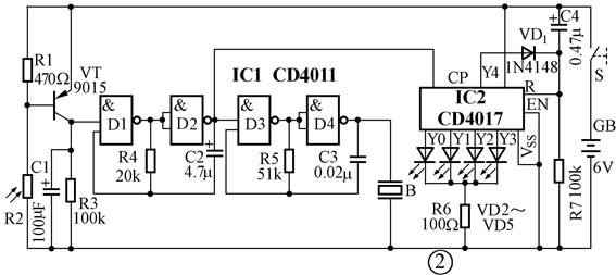
图2是光电靶机原理图。IC1是与非门集成电路CD4011,其中D1和D2构成一个低频多谐振荡器,D3和D4构成另一个低频振荡器。合上开关S,当激光玩具枪击中靶机时,光敏电阻R2的电阻变小,三极管VT导通,门D1的一个输入端由低电平变为高电平。同时,电源电流通过三极管VT对电容C1充电。电路开始振荡,由门D2输出方波信号加到IC2集成电路CD4017的CP端,使输出端Y0~Y3依次输出高电平。当输出端Y4为高电平时,高电平通过二极管VD1加到R端使之清零,又使Y0为高电平。如此循环,就使得装在靶机面板上的四只发光管VD2~VD5依次发光,形成缓慢变化的光环。同时,当门D2输出高电平时,D3和D4组成的振荡器振荡使压电片B发出嘟、嘟……的声音。直到电容C1的电放完,使D1的一个输入端为低电平,门D1和D2构成的振荡器停止振荡为止。

元件选择
激光笔选用市售塑料外壳玩具激光笔。按钮开关SB用带有常开触点和常闭触点的。三极管VT选用9015,β在150~200。IC1用四二输入与非门CD4011。IC2用十进制计数/脉冲分配器CD4017。发光管VD2~VD5用红色3的。压电片B用27的。光敏电阻R2用亮阻<3kΩ,暗阻>1MΩ。开关S用钮子开关。电池用4节5号电池。
制作方法
在激光笔中引出两条导线,可用小圆形敷铜板叠放在纽扣电池上进行改制。将激光笔装在玩具枪的内部前端。按钮开关装在扳机连杆的下方并用AB胶固定,内部再焊上电容。要求扣动扳机时,能发出激光,随即熄灭即可。
靶机的制作方法;按图2制成线路板后,一般无需调试即能工作。找一个四方形的塑料外壳,在面板上中间挖一小孔将光敏电阻装上并胶牢。再把四只发光管等距离排列并固定在面板上。把压电片装上共鸣腔也装在面板上,并在面板上开一些小孔便于传声。把电池盒和线路板固定在塑料外壳内。外形如图3所示。

使用时。用激光玩具枪瞄准并扣动扳机射击,击中时发出响声并显现光环。一段时间射击熟练之后,可逐步增加射击距离。
(俞虹)