在电器维修中经常会遇到一些如虚焊、印板断裂、零件内部接触不良等故障,有些故障肉眼可以看出,有些故障却要花费很大的精力和时间。本文介绍的小仪器,它能助我们一臂之力。
工作原理
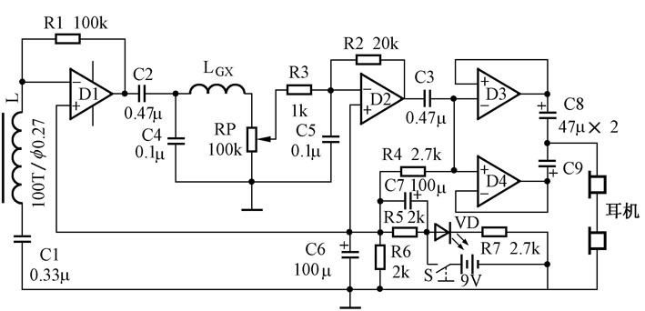
在电器通电的情况下,机件随着我们翻动、触碰断点,会出现时断时续的连接而向外辐射出一些电磁波,本文正是利用了这一原理(如附图所示),电路的核心是一块LM324集成电路,D1、D2构成反相放大器,信号经线圈L检测,D1放大,经过电容C4、C5,电感L\(_{GX}\)组成的低通滤波器进入D2,第三级是功率输出级,由于LM324不是功率放大电路,输出功率很小,所以将D3和D4并联,增加它的输出功率。这两个运放都接成了跟随器的形式,有一定的电流增益,有很低的输出阻抗与耳机匹配,由于运算放大器通常要使用正负电源,所以R5、C7、R6、C6组成了一个分压电路给各级放大器输入端提供一个偏置电压,C1是防自激电容,VD、R7组成通电指示,LM324的④脚接电源正极,接电源负极,这两点在图上没有画出。

元件选择
线圈L用0.27漆包线在磁芯(最好选用罐形磁芯)上绕100圈,罐形磁芯直径越大,灵敏度越高,但受到外界干扰也越强烈(如开关电源振荡等),本文选用为36,集成电路D1~D4选用LM324等通用运放即可,电源为9V叠层电池,其余无特殊要求。
制作与调试
将安装好的成品接上电源,戴上耳机,调整音量电位器,然后轻轻敲击线路板等被检电路,逐渐移动探头(即线圈L),使“喀喀”声在最清晰、最大位置停住,在探头下方仔细检查,断点就不难找了。
(左益东)