SP-1感应模块由探头、放大、驱动报警电路组成。主要用途是:
1.用于三相交流电动机运行中突然断相作传感并驱动声光报警。提示操作工切断电源(或自动切断电源)。
2.用于人体触摸作防范开关、提示警报。
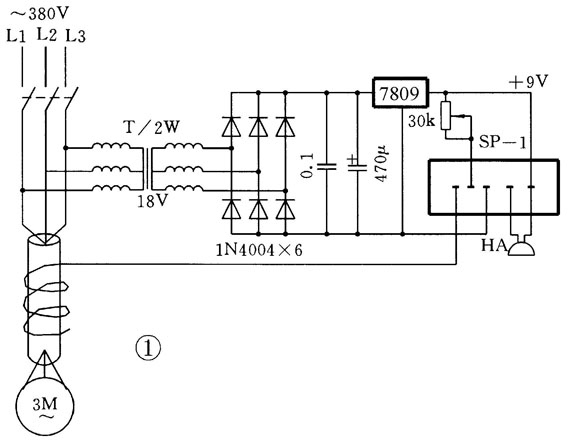
众所周知,电动机在运行中突然断相时,电机的电流是额定电流的1.73倍,而电动机因启动已有向前运转的转矩而继续运行,在负载不减的情况下,很快会烧坏电机线圈,图1中将一只380V 2W的三相微型变压器连接在电动机启动的负荷开关上。电动机启动它得电,电动机停止它也停止,次级18V交流电压通过三相桥式整流供给三端稳压器7809稳压,输出9V供给感应模块。电动机正常运转时,静态耗电45mA,假设电机突然在运行中断相在变压器接线的前沿,此时变压器电压也会同时下降,之所以次级电压设计得高是为了防止缺相时有足够的电压向报警器供电。L1、L2、L3三相交流的电缆线外围都存在着一种交变感应场强,缺少任何一相电缆时此感应场强都会变化,给探头提供一种有源或无源信号,通过放大后由驱动电路向蜂鸣器供电。当生产车间或电机本身噪声过大时,可在OT输出级增加一只9014三极管,使蜂鸣器声响增大,调节30k电位器可达最佳效果,用于人体触摸要增大调控级阻值,用五脚继电器回位提示。只要按图接线无误,都能正常工作。
(刘继华)

