意法半导体公司
(www.st.com)
生产的ACS10×系列和ACST×系列交流(AC)功率开关,是采用ASD\(_{TM}\)专门技术和半导体平面工艺制作的新型固态开关器件,可直接与微控制器接口,驱动和控制0.2~8A、额定电压220V(或380V)的交流电感性或电阻性负载。在家用电器和工业控制系统应用中,其性能价格比优于双向晶闸管、电磁继电器和固态继电器等交流开关。
一、ACS10×系列AC开关
ACS10×系列AC开关内部集成了电平转换驱动器、双向晶闸管结构和高压抑制器,基本结构如图1(a)所示。ACS10×系列AC开关采用3引脚TO-92、4引脚SOT-223和8引脚SO-8等封装,如图1(b)~(d)所示。这种固态开关的COM脚为公共驱动参考端,G脚为门极控制端,OUT为开关输出端,NC为空脚。

ACS10×系列AC开关代表性器件有ACS102-5T和ACS108-5S,其导通态电流I\(_{T(RMS)}\)各为0.2A和0.08A,门极触发电流I\(_{GT}\)分别为5mA和10mA,阻断电压V\(_{DRM}\)、V\(_{RRM}\)均为500V。还有一种固态开关是ACS402-5S,内置4个三端AC开关,每个开关的导通电流I\(_{T(RMS)}\)=0.2A,阻断电压V\(_{DRM}\)、V\(_{RRM}\)=500V,门极触发电流I\(_{GT}\)=10mA。
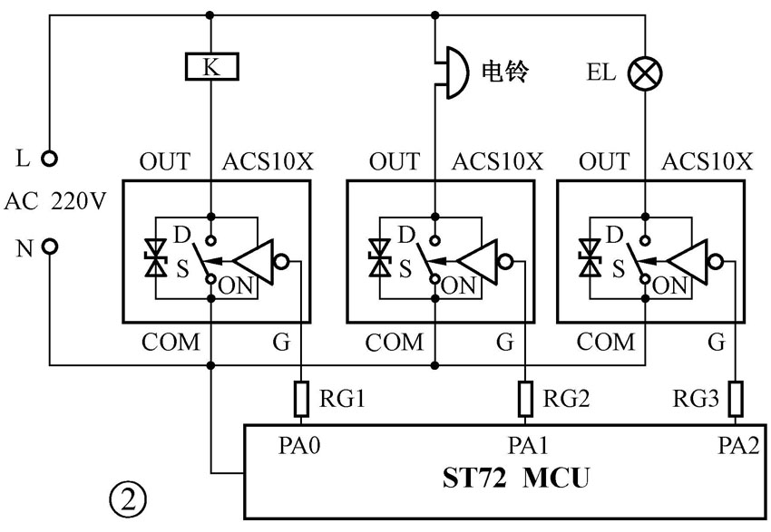
ACS10×系列AC开关应用电路如图2所示。每个开关的COM脚连接220V交流线路的中线(N),输出脚OUT分别连接继电器、电铃和白炽灯等AC负载,门极G分别通过限流电阻(R\(_{G}\))与ST72微控制器接口。ACS10×开关的门极触发电压V\(_{GT}\)约为1V,一个5mA或10mA的负门极触发电流(I\(_{GT}\))驱动AC开关导通,从而接通AC负载。ACS10×系列开关在额定电流下,自身电压降(V\(_{TM}\))约1.5V。开关内的高压抑制器能吸收电感性负载关断能量,可承受瞬态冲击。

二、ACST×系列AC开关
ACST×系列AC开关嵌入了双向晶闸管(Triac)结构和高压箝位器件,图形符号如图3所示。ACST×系列AC开关采用TO-220AB(带T后缀)、TO-220FPAB(带FP后缀)、D\(^{2}\)PAK(带G后缀)、DPAK(带B后缀)和I\(^{2}\)PAK(带R后缀)封装,引脚排列如图4所示。


ACST×系列AC开关具体包含ACST4-7S/C、ACST6-7S和ACST8-8C三个子系列器件,导通态电流分别为4A、6A和8A,阻断态电压分别为700V和800V,门极触发电流(I\(_{GT}\))分别为10mA和25mA。
ACST×系列AC开关命名方法包含了器件结构、主要参数和封装形式,型号中各部分符号和数字含义如图5所示:

ACST×系列AC开关主要用作驱动家用电器和工业控制系统中的中、低功率的电感性负载,如电冰箱/冷却器压缩机、洗涤机喷射泵、衣物干燥机滚转装置、空调器风扇、感应电机、继电器、交流接触器、电磁阀、电磁铁和电磁制动等。图6示出的是ACST×系列AC开关结合ST62或ST72微控制器驱动单相感应电机的应用电路。

(祝大卫)