MAX5427/8/9是MAXIM公司推出的一种滑臂起始位置可一次性编程设定的线性数字电位器。三种型号的差别仅仅是电位器的电阻值,依次为100kΩ、50kΩ及10kΩ,其他性能都相同。在滑臂位置未编程时,在上电复位后滑臂处于中间位置(在32个抽头中它在第16个抽头位置)。如果上电复位后滑臂要求在其他位置时,则可编程设定。如要求上电复位后滑臂起始位置在第5个抽头,则编程后上电复位滑臂起始位置总是在第5个抽头上,但仍可以通过U/D-端来控制它的升/降。另外,还可以通过另一种编程方式,使滑臂位置设定在某一位置上固定不变,不能通过U/D-端来改变滑臂位置。
这种一次性编程极为简单,可由用户根据产品的要求来编程,因此应用较灵活。
该三种型号电位器的其他特点:抽头有32个位置,电阻温度系数小,为35ppm/℃,作为变阻器有较高的温度稳定性;超低功耗,静态电流最大值为1.5μA;工作电压2.7~5.5V;滑臂位置可通过两线制串行口来控制;电位器的电阻值有±25%的允差;滑臂电阻典型值为100Ω;8管脚薄型QFN及μMAX封装;工作温度范围-40℃~+85℃。
管脚排列与功能
MAX5427/8/9的管脚排列如图1所示。各管脚功能如下:①脚(W)滑臂输出端;②脚(CS——)片选输入端。它确定工作模式及一次性编辑。CS——端高电平转为低电平时确定模式:当U/D-是高电平时,为增加模式;当U/D-低电平时,则为下降模式。一次性编程见下面介绍;③脚(V\(_{DD}\))为电源正极(2.7V~5.5V);④脚(GND)为地;⑤脚(V\(_{pp}\))为一次性编程电压(11V),在正常工作时此端接地或悬空;⑥脚(U/D-,滑臂位置升/降控制端;⑦脚(L)电阻低端;⑧脚(H)电阻高端。

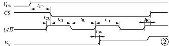
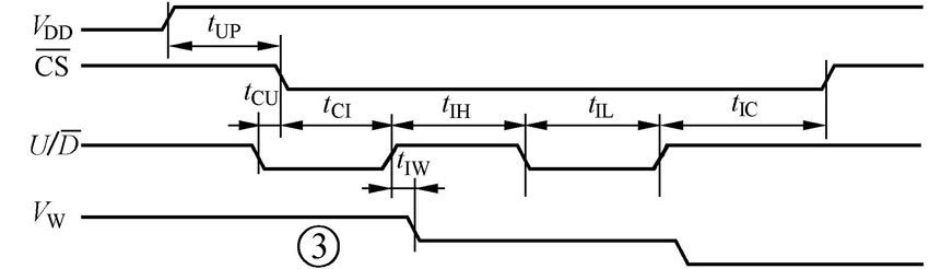
滑臂电压VW变化时序
CS——及U/D-端用来控制滑臂的位置,从而改变滑臂输出电压V\(_{W}\)。滑臂位置升或降是在CS——端在高电平变为低电平后,若U/D-端为高电平,则为升模式。此时U/D-端输入脉冲,在每一个脉冲上升沿时,滑臂向上跳动一个抽头位置,如图2所示。若CS——端在高电平变为低电平,此时U/D-端为低电平时,则为降模式。此时U/D-端输入脉冲,在每一个脉冲上升沿时,滑臂向下跳动一个抽头位置,如图3所示。


滑臂位置一次性编程
出厂时数字电位器在上电后滑臂的起始位置在第16个抽头位置(在电位器中间位置)。
在一次性编程时要加一个11V的编程电压于V\(_{pp}\)端。在滑臂移到所需位置后,使U/D-高电平,加11V编程电压,然后将CS变低电平后,经CS——输入5个编辑脉冲,如图4所示。然后将V\(_{PP}\)降到0V,一次性编程结束。这种编程后的电位器在上电复位后滑臂在编程设定的位置上,但仍可升/降调整。

不可改变滑臂位置的过程与上面的过程基本相同,所不同的仅仅是给CS端输入6个编程脉冲。
V\(_{pp}\)为11V,要接一个22μF电容器,可输出电流大于5mA,并要求连接到Vpp端的连接线的寄生电感小于250μH,电阻小于40Ω。
由于MAX5427/8/9的功能较一般数字式电位器多,应用上较灵活。完全可以用它来代替机械式电位器、变阻器。
图5是一种用MAX5428作增益可调的放大器的例子。

编者注:有关MAX5427/8/9的原厂资料可上网查询:
pdfserv.maxim-ic.com/arpdf/MAX5427-MAX5429. pdf
。
(方佩敏)