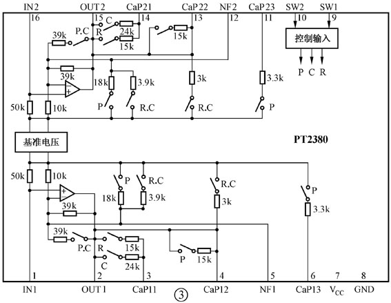
PT2380是固定音色选择集成电路。其内电路框图如图3所示。PT2380采用双列直插16脚塑料封装,各引脚名称、功能说明和实测电压数据如表2所示。PT2380的主要特性如下:输入信号电压100mV;输出信号电压500mV;工作电源电压12V;最大不失真输出电压3V;噪声电平为0.5~0.6mV。PT2380有4种输出音色模式:Normal/Flat(平直),Rock(摇滚),Classical(流行乐)和Pops(通俗)。这4种音色模式由其SW1、SW2端(⑨、⑩脚)输入电平控制,具体对应关系如表3所示。在新科HG5300型机中,是由微处理器μPD78042的SW1、SW2端(、)输出电平经缓冲后控制PT2380的SW1、SW2端,从而达到选择、控制音色的目的。



(王德沅)