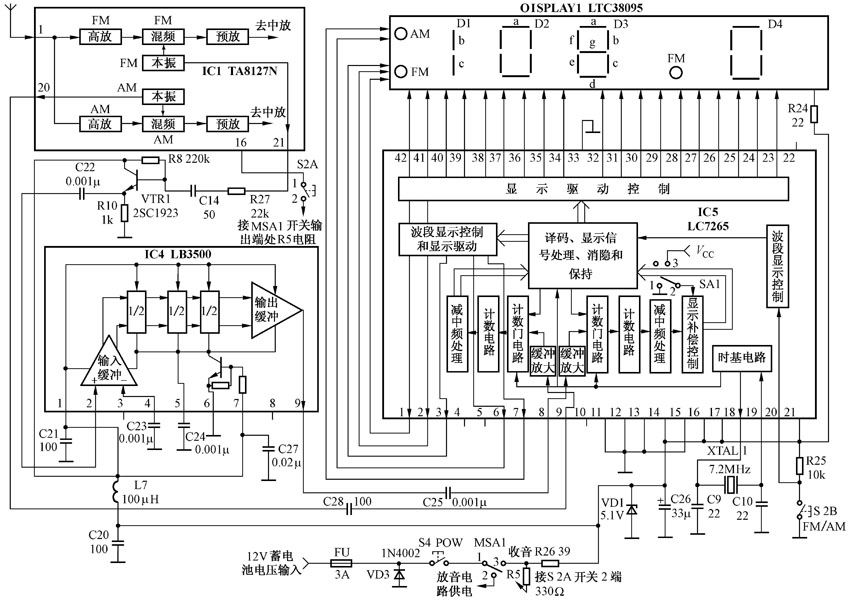
859—2010型数字汽车音响数字显示电路主要由频率计数及显示驱动集成电路IC5(LC7265)、数字分频集成电路IC4(LB3500)、LED发光二极管显示屏LTC38095以及缓冲放大管VTR1等组成,相关电路如附图所示。

该数字显示电路的核心是采用了一块LC7265数字频率计专用大规模集成电路,可直观显示调幅(AM)和调频(FM)的频率,其中:调频波段可显示87.5~108MHz。FM本振信号比电台信号的频率高10.7MHz,属于高本振形式,电路内部对显示频率的数值有0.1MHz的显示补偿,用来补偿跟踪统调不正确带来的误差。调幅波段可显示525~1605kHz。
电路工作原理
1. LC7265集成块简介
LC7265是一块数字频率计数及显示驱动集成电路,在电路中主要作为计数本振频率并显示所接收的频率。其接收频段包括FM、MW和LW,内部还含有消隐和保持电路,采用基准频率为7.2MHz的石英晶体作为其振荡电路的谐振器。
LC7265的集成电路采用双列直插式42脚塑封结构,其内电路如附图中所示,各引脚功能见本文下篇表1。
2. LB3500集成块简介
LB3500是一种锁相环电子调谐的数字预分频电路,分频比为8。其作用是将FM调谐接收到的频率转换到CMOS电路的工作频率范围,该IC输入、输出端均设有缓冲级,并具有选通端以控制分频工作。
LB3500采用单列9脚直插式塑封结构,其内电路方框图如附图中所示,各引脚功能见本文下篇表4。
3. AM(调幅)波段计频原理
众所周知,超外差收音机本机振荡信号的频率总是高出所接收电台频率一个中频,因此可以用频率计数器先测出收音本机振荡的频率,然后再减去一个中频,就可得到所接收电台的频率。数字频率显示就是基于这一原理来完成接收电台频率并数字显示的。
(1)时基振荡电路
该电路由LC7265集成电路间的内、外电路构成。其中,C9、C10、XTAL1是该振荡电路的外接元件,XTAL1是石英晶体,振荡电路的振荡频率就由该晶体决定,其频率为7.2MHz。振荡电路产生的振荡信号作为LC7265工作的时基信号,用来控制计数时的工作状态(开或闭)。
(2)AM本振信号处理过程
TA8127N集成块内AM本振电路产生的信号一路加到AM混频电路,另一路从输出,经C26电容耦合,加至LC7265集成电路的⑨脚去进行计频。
从附图中可看出,从⑨脚输入的AM本振信号经过缓冲放大后送入计数(闸)门,由7.2MHz的振荡信号作为标准的时基(钟)信号源,加到计数门上用来控制计数门的开、闭。
当计数门打开时,本振信号可以顺利地通过闸门送到后级进行计数;当计数门关闭时,本振信号就通不过计数门。这样,在相同时基信号的作用下,计数门打开时,本振频率越高,单位时间内进入计数器的脉冲个数就越多。把这些进入计数器的脉冲计数后,再减去中频数,就得到所接收电台信号的脉冲个数。该信号经译码及显示信号处理,再经显示驱动控制电路,就在LTC38095显示屏上显示出所接收电台的频率数字,显示单位为kHz,显示步长(间隔)为1kHz。
由于中频信号高端频率约为1.6MHz,故本振最高频率也不过是2MHz左右,一般的CMOS/PMOS集成电路可以工作于20MHz,故电路中的AM本振信号是直接送入LC7265的⑨脚进行计数显示的。
4. FM(调频)波段计频原理
FM波段计频原理与AM波段计频原理基本相同,但增加了两部分电路。
(1)前置分频电路
该电路设置在FM缓冲放大级与计数闸门之间,用于对FM本振频率进行分频。由于FM信号的频率高端达108MHz,再加上一个中频,则调频本振的最高频率可达118.7MHz。这样高的频率一般CMOS/PMOS集成电路是无法工作的,故在FM缓冲放大级与计数闸门之间增加了一级前置分频器。该电路由LB3500集成电路及其外围的有关电路组成,它的分频比为8∶1。这样,FM的本振频率经该电路分频后,即可得到:118.7MHz÷8≈14.8MHz。这一频率低于CMOS/PMOS集成电路的工作频率(20MHz),满足了LC7265正常工作的条件。
(2)显示补偿电路
该电路由LC7265内的SA1电子开关电路来设定,当附图中的SA1置于中间悬空位置时,显示屏显示值未加修正,显示值与所接收电台的频率相同;当SA1的2端与1端或2端与3端相接,即2端与“地”或“Vcc”电源端相连时,显示屏显示值则有±0.1MHz的偏差,以此用来补偿由于收音调谐电路统调跟踪不准或中频偏离10.7MHz而带来的显示误差。
(3)FM本振信号处理过程
调频本振信号取自TA8127N集成块内FM本振电路。该信号从输出后,经R27电阻及C14电容耦合加至缓冲放大器VTR1的基极。放大后的信号从发射极输出,经C22电容耦合加到数字分频电路IC4②脚,经该IC将调频本振信号分频得到可使LC7265正常工作的信号后从其⑨脚输出,经C25电容耦合,加到LC7265的FM OSC信号输入端⑧脚→IC内的缓冲放大电路→计数门电路→计数电路→减中频处理→显示补偿控制电路→译码、显示信号处理→显示驱动控制,使显示屏上显示FM波段当前接收的频率数字。
5.频率显示电路
频率显示电路由两部分构成,一部分是显示驱动电路,在LC7265内部;另一部分即为显示屏。
(1)频率数字显示
LC7265内显示驱动电路的信号输出端为,与显示屏间采用单独驱动方式,即每一只引脚负责驱动显示器的一条笔划,且输出低电平有效;也就是说,当LC7265某一显示驱动引脚输出为低电平时,所对应显示屏上的某一笔划才发光。
(2)FM、AM字符及小数点显示
LC7265集成电路的①~③、⑥、⑦脚分别用来驱动FM、AM的小数点及字符。当⑥脚输出为低电平时,LTC38095显示屏左下角的FM“点”和中下端偏右处的“点”同时被点亮,以表示整机处于调频显示状态。当⑦脚输出信号为低电平时,上述的点熄灭,而左上角上的AM“点”被点亮,以表示整机处于AM(调幅)显示状态。
LC7265的为AM/FM波段选择端,外接波段切换开关S2B,该开关与接在TA8127外的S2A开关同步控制。当LC7265接地时为AM状态,该信号进入IC内的译码、显示信号处理电路后,一方面控制显示屏使其AM“点”点亮;另一方面对计数门进行控制,使LC7265⑨脚的AM本振信号可以进入计数器进行计数,而加于⑧脚的FM信号被阻止,不能进行计数;当通过R25电阻与电源端相连时,电路工作于FM显示状态,LC7265内的有关电路一方面控制显示屏使其FM“点”和频率小数点同时被点亮;另一方面使LC7265⑨脚的AM本振信号不能进入计数器,而加于第⑧脚的FM本振信号可以进入计数器进行计数。
(孙余凯 王五春)