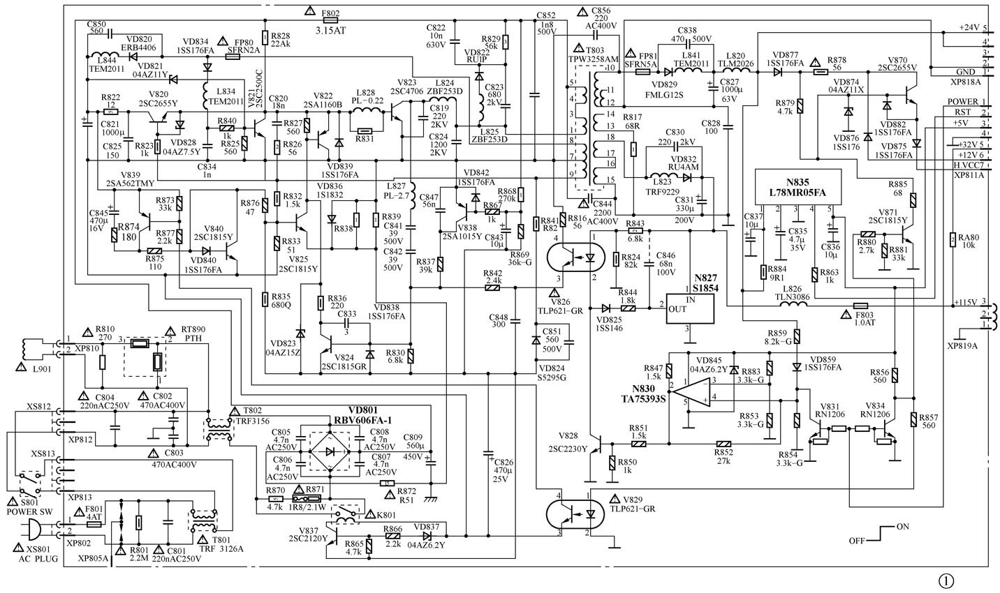
海信TC2919KB彩电电源电路如图1所示,该电源具有稳压范围宽(90V~270V)、功率大、效率高、保护电路完善、无需专门的待命电源等特点。它除了用于海信彩电外,还广泛用于康佳、长虹、熊猫、高路华等品牌的一些高档彩电中。

电源电路分析
1.交流输入及整流滤波电路
这部分电路主要由交流净化互感滤波器T801、T802,高频滤波电容C801、C804、C802、C803,整流桥堆VD801,滤波电容C809及开机防冲击电路(简称防冲电路)所组成。
接通电源后,220V市电经净化滤波电路和防冲电路后,送到整流桥堆VD801,经桥堆整流、C809滤波后,获得300V直流电压。
防冲电路由V837、VD837、继电器K801及R870、R871组成。当刚接通电源时,因C809(560μF/450V)两端尚未建立电压,桥堆的整流电流最大,桥堆所受的冲击也最大,若不加以限制,就有可能损坏桥堆,防冲电路正是为避免这一现象而设置的,防冲电路的工作过程如下。
刚开机时,C809上尚未建立足够的电压,开关电源未启振,V837处于截止状态,继电器K801中开关处于断开状态,220V交流电压经R870、R871送到桥堆,R870和R871充当桥堆的限流电阻,220V交流电压对桥堆的冲击就大为减小,当C809两端电压足够后,开关电源开始振荡,开关变压器⑨、⑦绕组上的脉冲经VD824整流、C826滤波后,在C826上形成约13V的直流电压,这个电压使VD837导通,V837饱和,继电器吸合,将R870、R871短路,220V市电经继电器开关直接送到桥堆,从而使R870和R871不再消耗电能。在待机状态下,C826两端的电压大幅度下降,VD837、V837截止,继电器释放,R870、R871又接入电路,并起限流作用。
L901、RT890及R810构成消磁电路,RT890为正温度系数热敏电阻,L901为消磁线圈。刚开机时,由于RT890温度低,阻值小,因而有较大的电流流过消磁线圈,随着电流流过RT890,RT890的温度迅速升高,其阻值急剧增大,流过消磁线圈的电流也迅速减小,这样就相当于开机后,消磁电路向消磁线圈提供了一个由大逐渐减小的交流电流,使消磁线圈产生一个递减的交变磁场,以对显像管进行彻底的消磁。
2.开关振荡及直流电压输出过程
开机后,C809上的300V直流电压,一路经开关变压器初级⑤~①绕组,送到开关管V823的集电极,另一路经启动电阻R828加到V823的基极,使V823获得正向偏置而导通。⑦~⑨绕组为正反馈绕组,它与R826、C820等元件构成正反馈电路,在正反馈电路的作用下,V823进行振荡。
开关电源振荡后,各次级绕组上会得到不同幅度的脉冲电压,其中组上的脉冲电压,经VD832整流、C831滤波后,获得+115V左右的直流电压,给行输出电路和行推动电路供电。⑩~组上的脉冲电压,经VD829整流、C827滤波后,得到+24V左右的直流电压,一方面给伴音功放电路供电;另一方面经N835稳压后,得到+5V电压,给遥控系统供电;再一方面,经V870稳压后,得到约+9V的电压,作为行启振电源。
3.恒流驱动电路
恒流驱动电路由V820及周边元件构成,在V823截止期间,正反馈绕组⑨脚的极性为负,V820截止,而开关变压器⑧脚的极性为正,故VD820导通,对C821进行充电,在C821上形成8.5V左右的直流电压,并给V820供电,因C821容量大,其上的电压也较稳定,再加上电源自身有一定的稳压范围,故当市电在一定的范围内波动时,C821两端的电压基本不变。
当市电电压低于160V时,经整流、滤波后,在C809两端所获得的电压较低,⑨~⑦绕组上的正反馈电压也较低,正反馈电压除了经R826、C820向V823提供激励电流外,还可经R823、V820向V823提供激励电流,因而可确保低电压输入时,V823仍能获得足够的激励电流,输出电压仍能维持稳定。
当市电电压高于160V时,C809两端电压也较高,⑨~⑦绕组的正反馈脉冲幅度也较高,在⑨正⑦负期间(即V823饱和期间),V820饱和导通,C821上的电压经R822和V820向V823提供激励电流,此时的电流不受市电的影响,而只与R822的大小有关,从而确保较高电压输入时,开关管也不会出现过激励现象,输出电压继续保持稳定。由于恒流驱动电路的作用,使电源的稳压范围拓宽。
当市电高于240V时,⑨~⑦绕组上的正反馈电压也将升得很高,并使V823产生过激励现象,为了避免这种现象的产生,电路中还设了一个脉冲分压电路,它由R832和R833组成。在V823饱和期间,反馈绕组的电压极性为⑨正⑦负,反馈脉冲经R832和R833分压后,在R833上形成一定的脉冲电压,当反馈脉冲幅度过高时,R833上的脉冲幅度也较大,从而使V825导通加强,V822导通也加强,对V823基极的分流作用增大,有效地杜绝了V823出现过激励现象,因而可确保输出电压继续维持稳定。
4.稳压电路
稳压电路由误差放大电路N827、光电耦合器V826、误差放大管V824、脉宽调制管V822组成。N827的输入端加有115V的电压,它通过将输入电压与其内部的基准电压进行比较后,输出一个误差电压,并控制光电耦合器V826的导通程度。当115V主电源升高时,N827输出端的电压会下降,流入N827输出端的电流流增大,V826中的发光二极管发光增强,光电三极管导通也增强,V824的基流增大,集电极电流也增大,V822的基极电流和射极电流也跟着增大,从而对V823基极分流作用增大,V823的饱和基流减小,饱和时间缩短,饱和期内,开关变压器初级储存的能量减小,向次级释放的能量也自然会减小,从而使各路输出电压下降。如果115V的主电压下降,则调整过程相反。
5.待机控制过程
在待机状态下,待机控制电路所需完成的任务有三项:一是切断行启振电源,使行停止工作;二是将各路输出电压大幅度下调;三是将电源置于低频断续振荡状态。
(1) 行起振电源切断过程
在待机状态时,遥控系统送来低电平,V831和V834均截止,它们的集电极输出高电平。V834集电极输出的高电平送到V871基极,使V871饱和,集电极输出低电平,使V870基极变为低电平,V870截止,输出电压为0V,从而切断了行启振电源 ,使行电路停止工作。
(2) 各路输出电压大幅度下降过程
这一任务是由V834、V829、V839、V840、V825和V822所组成的待机降压电路来完成,当机器处于正常工作状态时,遥控系统送来高电平,V834饱和,集电极输出低电平,V829截止,V839、V840、V825也均截止,对电源无影响,电源的工作情况如上所述。当机器处于待机状态时,遥控系统送来低电平,V834截止,集电极输出高电平,V829中的发光二极管导通,光电三极管也导通,从而使V839导通,其集电极输出的电流分别送到V840和V825基极,使它们也导通,因V825导通,必使V822导通加强,对V823基极的分流作用加大,V823饱和基流会减小,饱和时间缩短,各路输出电压大幅度下降。
(3) 低频断续振荡过程
低频断续振荡过程由V831、N830、V828、V826、V824、V822所组成的电路来完成,N830是一比较器,它将两个输入电压进行比较后,输出结果;如果④脚电压比③脚高,则②脚输出高电平;如果④脚电压比③脚低,则②脚输出低电平。N830③脚加有固定电压,大小由R883和R853分压决定,约2.5V,④脚电压由V831的工作状态来决定,当V831截止时,④脚电压为6V左右,当V831饱和时,④脚电压为0V左右。在正常工作时,遥控系统送来高电平,V831饱和,集电极输出低电平(0V),即N830的④脚为0V,此时,④脚电压低于③脚电压,故②脚输出低电平,V828截止,对电路无影响。
当电路处于待机状态时,遥控系统送来低电平,V831截止,集电极输出高电平,此时,④脚电压高于③脚电压,故②脚输出高电平,V828饱和,V826中的发光二极管发光很强,光电三极管导通也很强,从而使V824导通也很强,V822饱和导通,将V823基极与射极短路,V823停振。
V823停振后,各路输出电压因不断向负载供电而下降,当C827上的+24V电压下降到一定程度时,N830④脚电压低于③脚电压,故②脚又输出低电平,V828截止,V826、V824及V822导通减弱,V823在启动电路和正反馈电路的作用下又开始振荡,各路输出电压又增高。当+24V电压高到一定程度时,N830④脚电压又高于③脚电压,故②脚又输出高电平,V828又导通,经过调节,使V823又截止,这样,在待机状态下,电源便处于一种低频断续振荡状态,这种振荡只需维持CPU的供电需要即可。
在待机状态下,电源重复振荡的频率只有几十Hz,115V电压下降到65V左右,24V电压下降到10V左右,尽管只有10V,但经N835稳压后,仍可获得稳定的+5V电压,以满足CPU的供电需要。
6.超低压保护电路
超低电压保护电路由V838及周边元件构成,它的作用是:当市电低于90V时,迫使开关管停振。V838有两条供电路径,一路是C809上的电压经R868、R869分压后给基极供电;另一路是C826上的电压加在V838的射极(C826正端直接与V838射极相连)。当市电电压高于90V时,C809两端的电压较高,结果使V838的基极电压高于射极电压,V838截止,不会影响电路的工作情况。当市电电压低于90V时,C809两端的电压低于120V,结果使V838的基极电压下降,且低于射极电压,V838导通,其集电极电流流入V824的基极,使V824导通加强,V822进入饱和状态,将正反馈脉冲旁路,V823停振。
7.开关管过流保护电路
开关管过流保护电路由R838、R839、VD836、R833、V825等元件组成,R838、R839和VD836并联网络组成开关管射极电流检测电路,它将开关管射极电流转化为电压形式,并经R833加到V825的基极,当电源处于正常工作状态时,由于流过开关管V823的电流在正常范围内,因此检测电路两端的压降较小,不足以改变V825工作情况,对开关电源无影响;当某种原因引起开关管射极电流过高时,检测电路上的电压必升高,从而使V825导通加强,V822饱和,正反馈脉冲和启动电压被旁路,V823截止,有效的保护了V823免受大电流的冲击而损坏。
8.过压保护电路及关机保护电路
过压保护电路由VD821、V821等元件组成,开关电源在正常工作时,C821两端充有8.5V左右的电压,不足以使VD821导通,V821处于截止状态,对开关电源无影响。当某种原因引起开关电源输出电压大幅度增高时,开关变压器⑧脚输出的脉冲电压幅度也大幅度增高,经VD820整流,C821滤波后,在C821上所形成的直流电压也会大幅度增高,此时VD821导通,进而使V821饱和,从而将正反馈脉冲旁路,V823停振,有效地保护了开关电源的各路负载免受过高电压的冲击而损坏。
在关机时,由于突然断电,开关变压器各绕组会输出较高反峰脉冲,特别是初级绕组和正反馈绕组上的反峰脉冲直接加在开关管上,极可能损坏开关管,为了避免这一现象的发生,电路中还设有关机保护电路。
关机保护电路由VD834、L834、C834、R840、R825、V821组成。在关机时,开关变压器⑧脚上的反峰脉冲经VD834整流,L834、C834滤波,形成一直流电压,再经R840加到V821的基极,使V821饱和,将V823基极上的正反馈脉冲旁路,有效地保护了V823的be结免受关机脉冲的冲击而击穿。V823集电结保护电路由接在开关变压器初级绕组上的反峰吸收网络及接在V823集射极之间的网络来担任。
V821除了具有上述保护作用外,还具有迫使V823延时导通的作用。当V823由饱和转为截止后,V823集电极的电容(C819、C824等)会与开关变压器初级构成谐振电路,形成自由振荡,在V823集电极上产生很高的脉冲电压。此时,开关变压器⑧脚上的脉冲经VD834对C834充电,C834两端的电压使得V821饱和,V823继续维持截止状态,充电结束后,C834经R840和V821的be结放电,放电电流仍维持V821饱和,使V823在自由振荡尚未衰减时不能导通,随着C834放电的进行,放电电流愈来愈小,最后使V821截止,V823在启动电压的作用下导通,而此时,自由振荡早已衰减完毕,因而V823导通后,不会受高电压、大电流的冲击而损坏,使V823的开启损耗得到减小。
常见故障分析
1.开机烧保险丝管
本电源中设有两个保险丝管,一个是交流保险丝管F801(4A),另一个是直流保险丝管F802(3.15A)。若开机后,只烧交流保险丝管,说明交流输入路径或整流滤波电路中存在着严重的短路现象,此时应查交流进线中的电容有无击穿,互感滤波器T801、T802中的两个绕组有无短路现象,整流二极管或与之并联的电容有无击穿,+300V滤波电容C809有无击穿等。
若开机后,烧F802,说明开关振荡电路中有短路现象,应查V823是否击穿、V823集电极与发射极之间所并的电容有无击穿,开关变压器初次级绕组之间有无击穿现象等。
2.开机三无,继电器发出:“嗒嗒”叫声
这种故障现象是该电源的一种特殊现象,一般是因行负载过轻引起的。当行扫描电路不工作时,电源负载会过轻,各路输出电压会升高,C821上的电压也会按比例升高,从而使VD821导通,V821饱和,V823停振。V823停振后,各路输出电压会开始下降,C826上的电压也理所当然下降,当该电压下降到一定程度时,VD837和V837截止,继电器释放,发出“嗒嗒”的声音,同时,C821两端的电压也要逐步下降,当降到一定程度时,VD821和V821截止,V823在启动电压和正反馈脉冲的作用下,又开始振荡,各路输出又上升,当C826上的电压上升到一定程度时,VD837和V837又导通,继电器吸合,发出“嗒嗒”的声音,这样周而复始,造成继电器不断地发出“嗒嗒”的声音。由此可知,检修此类故障时,主要应查行扫描电路。
3.电源不启振,各路输出均为0V
这种故障体现为:开机后,不烧保险丝,C809两端也有+300V电压,但开关管不能振荡,导致各路电压均无输出。
开关电路不能启振,说明振荡条件已被破坏,因而应着重检查启动电阻,正反馈电路,开关管及并联在开关管b-e之间的二极管、三极管等元件。
4.各路输出电压均降低
引起输出电压下降的原因有六个:一是遥控系统错误地送来待机控制指令;二是稳压系统出现故障,使开关管激励电流减小,饱和时间缩短,导致输出电压下降;三是低频振荡维持电路出现故障,对开关管基极进行了分流,使开关管饱和时间缩短,输出电压下降;四是待机降压电路出现故障,导致正常工作时,待机降压电路也参与分流作用,从而使开关管饱和时间缩短,输出电压下降;五是恒流驱动电路出现故障,导致开关管激励电流减小,饱和时间缩短,输出电压下降;六是过压保护电路动作,导致正常状态下,过压保护电路也参与分流作用,使开关管饱和时间缩短,输出电压下降。输出电压下降故障检修流程如图2所示。
5.各路输出电压升高
这种故障往往易损坏负载,检修时,最好将+115V负载及+24V负载均断开,再在+115V输出端接一假负载(如100W照明灯炮),待故障排除后,再恢复负载。
输出电压升高的故障是因流入开关管的激励电流过大引起的,开关电源在正常工作时,其激励电流受稳压电路的控制,因此当出现电压升高时,就应检查稳压电路,即N827、V826、V824、V822等元件。
该电源还有一种特殊故障现象,即在正常工作时,各路电压正常,但在待机时,输出电压增高,如+B电压本应为65V左右,却上升为100V左右,很显然,这种故障是因待机降压电路或低频振荡维持电路出现异常引起的,因而,应着重检查V831、V834、N830、V829、V839、V840及V825等元件。
(王忠诚)