目前很多AV功放机中都采用了电路简单、工作稳定的集成电路作为功放输出电路,以提高功放机的性能价格比。在本期,介绍几款AV功放中常用的集成电路功放,供读者参考。
1.单声道100W功率放大器TDA7294
TDA7294是S T(SGS-THOMSON)公司出品的一款大功率DMOS高保真功放IC,额定输出功率为100W。该IC内部集成有延时启动电路——可以有效地减轻开机时大电流对扬声器的冲击;内部的短路保护电路能够及时地监视IC的负载情况——使其不致因过载而损坏;而且该IC内部具有过热保护电路——当IC表面温度超过145℃时,就会自动地关闭输出,其主要参数如表1所示。

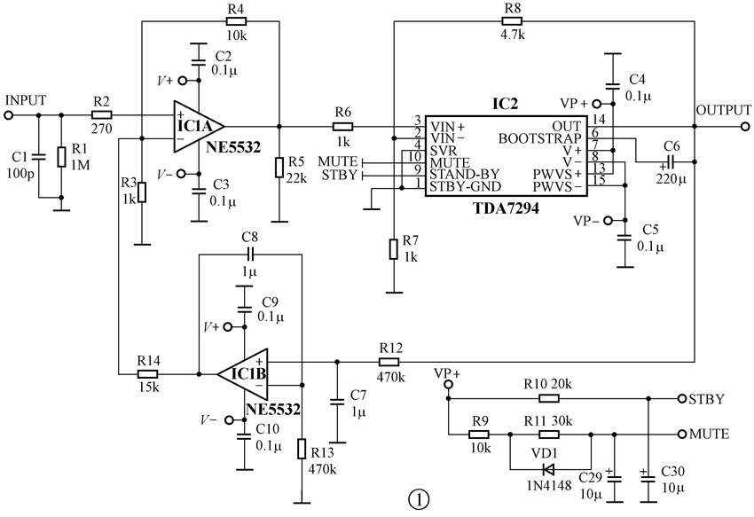
TDA7294采用单列直插式封装。TDA7294的典型应用电路如图1所示。TDA7294的额定输出功率为100W(工作电压为32V时)。TDA7294在供电电压为±10V以上时即可工作,只是输出功率降低而已。TDA7294的⑨脚静音控制端,当该脚低于2.5V时,TDA7294执行静音操作,输出端无信号输出,⑩脚为待机模式控制端,当该脚低于2.4V时,TDA7294工作在待机模式,内部电路停止工作。

IC1A为前级放大器部分,这是很典型的OP非反相放大器,其放大倍率为(R4/R3)+1≈11;IC2为后级放大器,放大倍率为(R8/R7)+1≈5.7。整体的综合放大倍率就等于11×5.7=62.7(倍),算是相当够用的了;IC1B部分是直流伺服(DC Servo)的驱动模块,动作频率设定在0.33Hz左右。R14的取值较大,这样可以降低反馈回路对整机频响的影响,具体原理请参考本刊2002年11期的介绍。R9、R10、R11、C29、C30、VD1构成开关机静噪电路,使TDA7294在开机时,自动执行静音,以消除当刚开机时的大电流对扬声器的冲击。其工作原理如下:在刚开机(通电)时,由于电容C29、C30两端电压不能突变,故其上端为低电平,使TDA7294的MUTE端与STBY端均为低电平,内部静噪电路启动,将输入端与内部电路断开,功放无输出,从而避开了开机时的 大电流对扬声器的冲击,经过一段时间后(在本电路中约2.5s),正电压通过R9~R11对C29、C30充电,使其上端电压上升至3V以上,TDA7294静噪电路关闭,功放正常输出。二极管VD1的作用是在关机后能快速地将C29中的电荷泄放出去,为下一次的开机静噪做准备。由于前置放大以及直流伺服电路对电源电压的波动比较敏感,故该电路的前后级电路采用分离供电的方式,前置以及直流伺服电路采用串联稳压的方式供电,供电电路如图2所示。

需要注意的是:TDA7294的在集成电路内部已经与散热片相连,因此使用时应处理好散热片的绝缘工作。TDA7294的详细资料可以到http://eu.st.com/stonline/bin/fts.exe查询下载。
2.单声道68W功率放大器LM3886
LM3886是美国国家半导体公司(NS公司)新出的一款带过压、过高温保护并且具有静噪功能的68W单声道高保真功率放大器,其主要电气参数如表2所示。

LM3886采用TO-220封装。 LM3886典型应用电路如图3所示。
LM3886在供电电压为 ±10V以上时即可工作,只是输出功率降低。LM3886的⑧脚为静音控制端,当流过该脚的电流大于1mA时,输出电路执行静音操作,输出端无信号输出。
IC1构成缓冲放大电路,IC2为后级放大器,放大倍率为(R6/R5)+1≈20。由于IC2仅作为后级使用,故在输入及接地端间加上一个51kΩ的电阻,这是因为LM3886的正反相输入端要吃电流才能平衡。
在图3中,R8、C24构成开关机静噪电路,使LM3886在开机时,⑧脚对C24充电电流大于1mA,内部自动执行静音,以消除当刚开机时的大电流对扬声器的冲击。LM3886有两种型号:LM3886TF和LM3886T,前者散热片绝缘,后者不绝缘。LM3886的详细资料可以到
http://www.national.com/pf/LM/LM3886.html
下载。
3.单声道100W高压功率放大器TDA7293
TDA7293是S T(SGS-THOMSON)公司出品的一款大功率高电压(比TDA7294高±10V)DMOS高保真功放IC,额定输出功率为100W。最大工作电压为120V。其主要参数如表3所示。
TDA7293和TDA7294的内部结构基本一样,分为三级:差分输入级由双极型晶体管组成,推动级和功率输出级采用场效应管,这种结构可以综合双极型晶体管低噪音和功率场效应管在线性、温度系数、音色上的优势。音色优美,兼顾了双极信号处理电路和MOS功率管的优点,具有低失真、低噪音、高耐压以及开关机静音、过热保护、短路保护等优点。
TDA7293外观大小和TDA7294一样,也是15脚封装,各引脚的功能与TDA7294大致相同,只有几个脚稍有出入。TDA7293各脚的作用如下:①脚是待机地;②脚是反相输入端;③脚是正相输入端;④脚是地;⑤脚是短路电流检测端,通常作为悬空;⑥脚是自举端;⑦脚是正电源输入端(信号处理部分);⑧脚是负电源输入端(信号处理部分);⑨脚是待机端;⑩脚是静音端;是缓冲驱动输出端(桥接时使用);是反馈输入端;是正电源输入端(功率输出级部分);是功率输出端;是负电源输入端(功率输出级部分)。
TDA7293的⑨脚为静音为控制端,当该脚低于2.5V时,TDA7293执行静音操作,输出端无信号输出;⑩脚为待机模式控制端,当该脚低于2.4V时,TDA7293工作在待机模式,内部电路停止工作。
TDA7293的组成的带直流伺服电流负反馈式恒流功放的电路原理图如图4所示(图中只画一个声道,另一声道相同),这种电路采用电流负反馈,它将扬声器系统也包含在反馈网络之内,对扬声器的控制起到积极作用,有力地抵消扬声器振动所带来的失真,使音乐的弹跳力明显增强,使重放声音的空间感增强了,声场的宽度与深度也较普通的负反馈电路有了一些改善。
功放机的输出是以0V为中点上下摆动的电压(请想象正负不断交换的交流电),故称功放输出端为中点。如果中点电压偏高(如超过0.2V),势必会将此直流电压灌入扬声器,造成扬声器的磁化现象(就像对电磁铁充磁那样),声音产生失真。中点电压的量法就是将三用表一端搭在中点,另一端搭在接地端。量测时以数字电表为佳,因为不必担心正负电压的问题(中点电压有可能偏正或偏负),如果只有指针电表,发现指针逆打时,请将表笔交换过来即可。
VD1、VT1、VT2构成输出中点直流电位检测电路,当TDA7293工作异常或者意外损坏而导致输出中点直流电位超过2V时,VT1导通VT2截止,继电器K失电,常开触点断开,将扬声器与功放输出端之间的连接断开,可以有效地保护昂贵的扬声器系统不致于损坏。电容C11一方面可以防止因信号动态较大时输出点电位瞬时上升而导致保护电路误动作,另一方面因其容量较大,又作为开机延时电容,避免开机时因输出点电位不为零而对扬声器产生冲击。
R4、R5、R6、C3、C4、VD1构成开关机静噪电路,使TDA7293在开机时,自动执行静音,以消除当刚开机时的大电流对扬声器的冲击,其工作原理与TDA7294相似。TDA7293的详细资料可以到
http://steve.sky.net.ua/Docs/tda7293.pdf
下载。
4.单声道25W直流放大器LM675T
LM675T是NS公司专为工业上需要精密控制的领域设计的直流放大器,近年来,许多公司将其运用在音频功率放大电路中(尤其是在高档多媒体音箱中应用尤多),也取得了不俗的表现,故在此对其作一介绍。
LM675T的封装形式与常见的LM1875一样,都是采用5脚TO-220封装形式,用它组成功率放大器结构非常简洁(外围仅需要3个电阻即可组成高保真放大器),其管脚定义为:①脚为同相输入端,接输入的音频信号,如DVD机的音频输出,或声卡的LINE输出;②脚为反相信号输入端,反馈信号的输入端;③脚接负电源;⑤脚接正电源;④脚为输出端,接负载即扬声器或音箱。LM675T主要参数如表4所示。LM675T在音频电路中的典型应用电路如图5所示。在图5电路中,R1为一方面输入端电容,决定电路的输入阻抗,如R1为22kΩ的电阻,输入阻抗就为22kΩ。R1另一方面是提供给集成块内第一级差分放大电路一个偏置电流,使其正常工作。需要注意的是R1的取值不可过高,否则会使输出端的中点电位偏高;也不可过低,否则输入阻抗太低,增大前级电路的功耗,使电路输出增益下降。取值范围应在15~51kΩ之间。
R2和R3组成一个分压器,与集成块④,②脚相连,构成负反馈网络。本电路的放大倍数也由它们决定, 放大倍数=(R3 +R2)÷R2=(18k+1k)÷1k=19。因此,只要改变R2、R3的阻值,就可以调整电路的放大倍数,但要注意的是放大倍数应在10倍以上,否则LM675T工作会不稳定。
R5与C5构成扬声器补偿网络,可吸收扬声器的反电动势,防止电路振荡。C3和C4为电源旁路电容,起到降低电源高频内阻的作用,防止电路高频自激。这两个小电容有人称为Bypass旁路电容,比较准确的讲法是Decouple反交连电容,目的是求取LM675T工作的稳定。由于运算放大器设计制作相当精巧,因此对电源的反应也较为灵敏。如果正负电源线拖得太长,会造成一定的电阻,流过电流时,便会形成压降,这个压降有可能是电路不稳定的根源,加上Decou-ple反交连电容可以解决这样的困扰。
直流放大器是可以对直流和交流同时进行放大的,所以,在输入端如果有直流输入,或者在集成块存在较大的输入失调电压和失调电压的温度漂移,那么输出端将有一个放大了的直流电位输出,导致扬声器充磁,声音产生失真。一般来说,在实际使用时,不管是集成块存在较大的输入失调电压和失调电压的温度漂移,还是电源存在轻微的不对称,体现在输出端都会有一个接近某一数值的直流变量,例如在25mV±3mV内变化,如果我们引入直流微调电路,在反相输入端送入一个相应的直流电压,这个电压能够微调,以使输出端的直流电压正好被抵消,这就能使放大器的中点电位降至相当低的水平(如±2.5mV),甚至为零。
所以该功放电路增加了由可调电阻R8、二极管VD1、VD2组成的直流中点微调电路。直流中点微调电路原理相当简单,利用二极管1N4148的伏安特性,在VD1、VD2两端产生1.2V的稳定电压,通过精密微调电位器的调节,在其动臂端可输出一个可以正负调节的直流电压,送入LM675T反相输入端,即可达到抵消输出端直流电压的目的。LM675T的详细资料可以到
http://www.national.com/pf/LM/LM675.html
下载。
目前,还有许多优秀的双声道集成电路放大器应用在中高档的AV功放机中,如NS公司的LM4766、LM1876等都曾经被广泛地应用在AV功放的环绕声道中,限于篇幅,在此不多介绍。
(赵广林)