你可能从《无线电》附加光盘的集成运算放大器资料中或一些报刊、杂志上看到过“Rail-to-Rail”中译成“轨至轨”这个名词。“轨至轨”是什么意思呢?它与运算放大器或电压比较器有什么关系呢?
“轨至轨”是按英文“Rail-to-Rail”直译过来的。它本来是日本摩托罗拉(Nippon Motorola)公司新型运算放大器的注册商标。由于其性能优良,不少器件厂也生产这类产品,以后就把Rail-to-Rail作为运算放大器或电压比较器的一个技术指标了。
这里的“轨”指的是给运算放大器的“电源线”。单电源运算放大器有两条电源线(电源正极V\(_{CC}\)或V\(_{DD}\)及地线GND)。运算放大器的输入电压及输出电压就在这两“轨”之间,如图1所示(用粗线表示“轨”)。同相输入端接了两个100kΩ的分压电阻(分压电阻接在VDD与GND之间),即同相端有1/2VDD的偏压,使在无输入时输出有V\(_{OUT}\)=1/2V\(_{DD}\),以获得最大的输出电压。由于集成运算放大器有上压差V\(_{ODTOP}\)及下压差V\(_{ODBOT}\),所以不“削顶”的输出信号最大值为V\(_{DD}\)-(V\(_{ODTOP}\)+V\(_{ODBOT}\)),V\(_{ODTOP}\)及V\(_{ODBOT}\)与负载电阻RL及电源电压V\(_{DD}\)有关。一般有几mV到1V,老产品达1.5V左右。

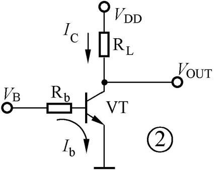
为什么输出电压的最大值达不到V\(_{DD}\),最小值不到GND呢?可以用图2来解释:当V\(_{B}\)=0V时VT截止,输出电压V\(_{OUT}\)=V\(_{DD}\);当V\(_{B}\)增加使VT的基极电压达到导通电压(约0.6V)时,VT导通,输出电压V\(_{OUT}\)减小(V\(_{OUT}\)=V\(_{DD}\)-R\(_{L}\)×I\(_{C}\))。纵使VB增加很大,亦不能使V\(_{OUT}\)=0V。是因VT有饱和管压降V\(_{SAT}\),即最小的输出电压V\(_{OUT}\)(min)=V\(_{SAT}\)。运算放大器的输出级由NPN及PNP三极管组成互补结构,所以它也存在饱和压降(如图3所示),即存在上压差及下压差,并且由于三极管的结构不尽相同,其上、下压差也各有差异。


运算放大器或电压比较器中的“轨至轨”意指其输出电压的幅值已十分接近电源电压了,即V\(_{ODTOP}\)及V\(_{ODBOT}\)非常小,仅几mV到几十mV,如图4所示(图中并不按比例来画)。故把这种运算放大器(或比较器)称为“轨至轨”运算放大器(或比较器)。由于这种译名令人费解,现常译成“满幅值输出”或“满幅度输出”了。

另外,这种“轨至轨”也适于输入信号可达到满幅值的器件。例如,+5V电源的运算放大器,其输入电压可为0~5V。这种输入、输出都可达到电源幅值的运算放大器称为RRIO(Rail-to-Rail Input and Output)运放。但也有个别运放的输入共模电压超过“轨至轨”,例如图5中输入可超过电源电压250mV。

过去的运放常采用正负电源,工作电压为±5V~±12V之间。其VODTOP及VODBOT在1.5V左右。如今,工作电压逐年在降低,特别是便携式电子产品采用单电源工作,工作电压由3.6V降到3V、2.5V、甚至1.8V以下。据此,若不减小V\(_{ODTOP}\)及V\(_{ODBOT}\),则放大器输出电压幅值就很小了。可喜的是,现已开发出超低值V\(_{ODTOP}\)及V\(_{ODBOT}\)的运放及比较器了。
这里要指出的是,V\(_{ODTOP}\)及V\(_{ODBOT}\)的值是与V\(_{DD}\)及R\(_{L}\)值有关,并且与共模电压有关。例如某典型满幅值输出运放在V\(_{DD}\)=5V,V\(_{CM}\)=2.5V,R\(_{L}\)=100kΩ(TA在-40℃~+125℃间),VODTOP的典型值为4mV(最大输出电压4.996V),V\(_{ODBOT}\)的典型值为1mV。当R\(_{L}\)为10kΩ时,V\(_{ODTOP}\)的典型值为20mV,V\(_{ODBOT}\)的典型值为2mV。当工作电压为2.7V,R\(_{L}\)=100kΩ时,V\(_{ODTOP}\)典型值为5mV,VODBOT典型值1mV。值得指出,这典型的满幅值输出运算放大器在低电压工作时有较大的输出电压幅值:在V\(_{DD}\)=2.7V、R\(_{L}\)=100kΩ时,输出电压可达2.695V。
(方佩敏)