同学:
我曾见到不少语音电子产品:我家的电子报时闹钟,它不但可以整点报时,而且每按一下按键就会用普通话报出当时的时刻;同学家一个“生日礼品盒”,只要掀开盒盖,就能听到“生日快乐”的祝词,接着播送“祝你生日快乐”的乐曲;汽车倒车时发出的“倒车,请注意,……”的提示语等。过去总感觉它们很神秘,今天自己动手制作,特别高兴。请问老师,语音集成电路是怎么构成的?有哪几种类型呢?
老师:
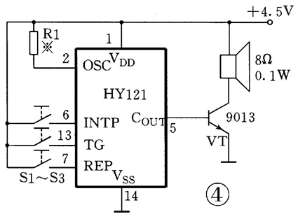
随着微电子技术的发展而出现的语音集成电路,其核心是大规模和超大规模集成电路存储器,在这个基础上产生了固体录音技术,它不用磁头和磁带就能实现录音、放音和语音合成。语音集成电路品种繁多,琳琅满目,大体上分成三大类:语音合成电路、一次性可编程语音电路和语音录放电路。今天制作用的就是语音合成集成电路。它把模拟语音信号转换成数字信号,以二进制数码的形式存于只读存储器ROM中。ROM中的内容在制造时已经用掩膜板固定,不能更改,所以ROM又叫固定存储器,不怕掉电,数据可以永久保存,应用时即可读出。由ROM构成的语音电路适于大批量生产,所以成本低,外围电路简单,只需外接一个触发按键和一个扬声器,通电就能工作。
同学:
有没有可以更改语音内容的语音集成电路呢?
老师:
现在已经有了可擦除式存储器,称为EPROM,改写数据时,只要用紫外线灯照射先擦除原数据,然后再写入新内容,不过这些操作通常由制造厂来完成,用户提出要写入的语音内容向厂家订做。含有EPROM的语音IC,叫一次性可编程语音电路,用编辑烧结器采用盒式磁带或对着话筒直接录入。它不要求批量生产,即使是一片也能现场现做。
同学:
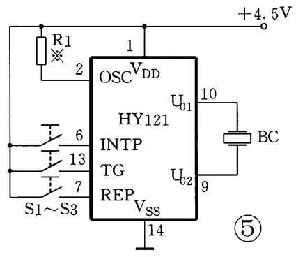
请您给我们介绍一下一次性可编程语音电路的应用电路好吗?
同学:
用压电蜂鸣器能够放音吗?
同学:
“电子留言器”所用的语音录放集成电路BA9902(图2)有什么特点呢?
老师:
BA9902是一种高音质、低价位、直接存储语音的录放模块。录音时,语音信号经话筒BM转换成电信号进入模块①脚,将模拟信号转换成数字信号(A/D),存入存储器,放音时,语音录放模块将存储器中的数据取出,进行数字信号到模拟信号的转换(D/A),转换成的模拟信号经功率放大后推动扬声器放音。BA9002可以录取20秒的语音,内部有自动增益控制电路,可以输出12mW的音频功率。录音时,按下SB1,发光二极管VD点亮;放音时,按下SB2,扬声器重放录入的语音。
同学:
如果不用话筒,用扬声器录音兼放音行吗?
老师:
行!把话筒BM和由三极管VT组成的电压并联负反馈放大器去掉,①脚悬空,由扬声器BL兼作录音和放音也能正常工作,只是音质差一些。
同学:
语音门铃,只能发出:“您好!主人不在,请简短留言”的话语,客人只能在门口的留言簿上留言。能否将客人的留言用录音机自动录下来,主人回来后打开录音机就能知道客人来访的目的,这不是更方便吗?
老师:
现给大家介绍一个自动录音电路(图6),语音IC(TP1106K)有一个引脚OUT,当语音IC播放完毕时,会输出一个正脉冲(高电平),触发由或非门Ⅰ、Ⅱ组成的单稳态电路。静态时,门Ⅰ输出低电平,三极管VT截止,继电器K不吸合,外接的小型录音机电源被K-1切断。OUT输出高电平时,VT导通,继电器K吸合,录入客人的简短留言,单稳定时结束时,门Ⅰ又输出低电平,录音机关闭。但是,录音机的微型话筒BM应露在门外;主人外出时,要按下录音键;S为门铃/留言转换开关,主人在家时,S扳到1端,主人外出时,将S扳到2端,为语音门铃做好准备。
(宋东生)




