无线比例遥控常用在中高档玩具和模型中,国外现有的比例遥控电路通常使用专用集成电路设计,国内很难买到。分立元器件设计的电路较复杂,调试也不方便。现介绍一款国内生产的专用集成电路设计的无线调幅比例遥控收发装置,供车模爱好者制作。本文介绍遥控接收和发射两部分电路。
遥控发射电路
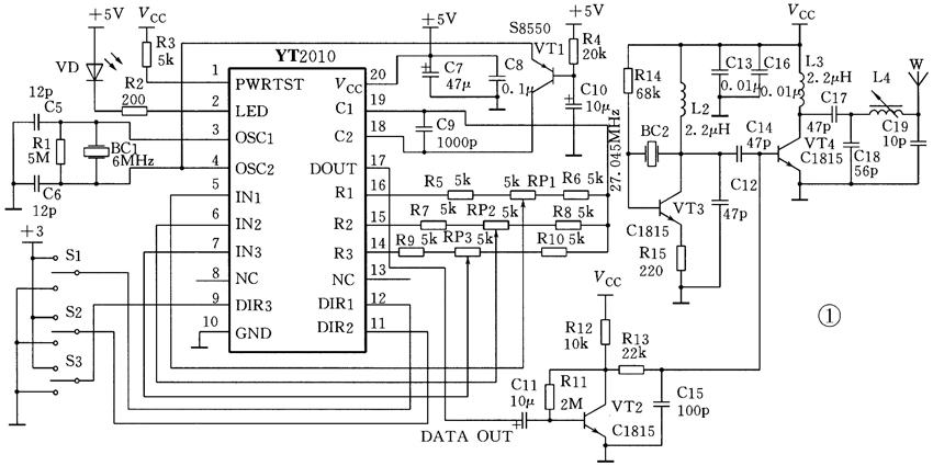
YT2010是专为比例遥控设计的CMOS编码器,可同时发送三个通道的可变占空比的编码信号,且各通道之间的编码信号相互独立。该芯片的优点是外围元件少、编码精度高、功耗低,并且具备电池欠压报警功能。
YT2010①脚为电源测试输入端,调节R3可设定欠压报警阈值。②脚为电源欠压指示端,③、④脚外接6MHz晶振。⑤~⑦脚为1~3输出通道的电位器RP1~RP3中端,⑧脚为空、⑨脚为通道3的换向开关、⑩脚为GND、通道2换向开关、通道1换向开关、空、第3通道外接RP3端、第2通道外接RP2端、第1通道外接RP1端、编码输出、2外接定时电容C9、V\(_{CC}\)。C9和外接的电阻组成了RC振荡电路。通道3输出端T3的周期由C9、R9、RP3、R10的时间常数决定,其它通道的周期与通道3的确定方式相同。
YT2010具有换向功能。如向前的遥控推杆不必回到中间位置,拨动换向开关,模型车则由向前运动改为向后运动。
编码信号经过倒相电路后去调制VT3、BC2组成的27.045MHz载频信号,经VT4放大的调幅信号向空间发送。C18、L4、C19组成天线匹配网络,L4通过实验调整来确定。L4用0.3的漆包线在30的塑料中周骨架上密绕28.5匝。
遥控器电源采用8节1.2V的镍铬、镍氢电池供电,由LM7805稳压后输出5V(此处电路从略)提供给YT2010,9.6V的V\(_{CC}\)系统电压供调幅发射电路。当系统电压降低到8V时,②脚VD发光管会闪亮警示,应及时充电。调整R3可设置报警阈值,R3=(V\(_{设}\)-2.5)×5k/2.5(kΩ)
印制板设计时最好将编码部分的地线和调幅发射部分的地线分开,并在一点接地;与遥控杆接的电位器RP1~RP3引出的导线要用三芯屏蔽线连接到印制板上,减少由于导线引起的寄生电容对输出编码信号脉宽的影响。
接收电路
该电路是超外差调幅接收机,中频为455kHz。电路中③④脚外接晶振(比载波频率27.045MHz低455kHz),由片内的振荡电路产生一个稳定的本振信号和接收到的高频调幅信号通过混频器由输出455kHz的中频信号,经外接陶瓷滤波器FBP滤除杂波后,由进入片内的具有自动增益控制的中频放大器,经检波电路后由输出解调后的数据信号,再经时钟形成电路,经译码电路,输出脉宽与发射机各电位器RP位置相关的三通道驱动信号。这三路驱动信号接舵机控制电路或电子调速电路完成车模的转弯、加速、减速等动作。现在市场上用的较多的舵机控制器如Futabas3003;电子调速器也有现成的模块,制作时根据实际驱动能力的大小选择不同的型号。
电路中为内部基准电压,为混频后的信号强度指示端,采样得到的直流电压经放大后在输出作为高频信号强弱控制。当接收到的信号强度正常时为低电平;当信号强度较强时电压为3.4V,二极管VD1导通,使高频变压器T1的耦合效率下降,衰减了一部分信号,加之后端中放AGC电路的作用,可避免接收强信号阻塞现象的发生。
外接的R2决定AGC电路控制的深度,R2越大,中频放大器的增益越小;反之,增益越大。
在车模竞赛中,邻频干扰的问题时常会引起车体的误动作。实际调试中,邻频干扰与455kHz的陶瓷滤波器的性能有很大关系,应选用带宽较窄的滤波器或再串接一个滤波器构成两级滤波。
滤波器指标:中心频率:f\(_{0}\)=455kHz;带宽Δf\(_{6dB}\)(上)=4.4kHz、Δf\(_{6dB}\)(下)=4.3kHz;
阻带带宽:Δf\(_{3}\)0dB(上)=6.7kHz、Δf\(_{3}\)0dB(下)=6.5kHz;
远阻带:BZ(f\(_{0}\)±100kHz)\(_{上}\)=40dB、BZ(f\(_{0}\)±100kHz)\(_{下}\)=42dB;
R\(_{入}\)=R\(_{出}\)=1.5kΩ(串入串出)
用此方案制作的样品和国外知名品牌Futabas ATTACK 2DR(DIGITAL PRO-PORTIONAL)的二通道调幅发射接收系统进行对比实验,毫不逊色,可用于竞赛级别的车模玩具。
(王鸿龙)

