1. 传感器结构和原理
传感器结构(图1):包括探头、管座和电路板、防雨帽。探头由导电电极、软管、温度二极管、引线组成。导电电极用5节不锈钢管件制成,电极间绝缘部分用5节医用硅橡胶软管裁制,导电电极和软管以及传感器管座插接在一起。传感器电路板1~5输入端分别和导电电极1~5用塑铜软线对应相连,塑铜软线一端和电路板输入端子焊接在一起,另外一端焊到弹性磷铜涨接片上,各装入不锈钢电极管内和电极撑接连通在一起。

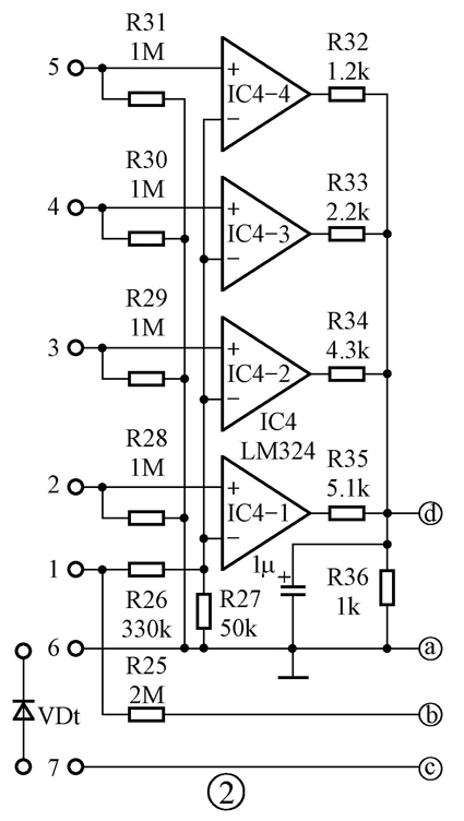
传感器电路工作原理(图2):
水位传感部分由IC4四运放LM324和分压及取样电阻组成。运放正向输入端子2~5和导电电极2~5分别对应连接,取样电压端子1和导电电极1连接,取样电压经R25、R26、R27分压得到,选择低的取样电压,在使用中电极间不会引起水电解和水中阳离子的沉积。工作时,探头浸没在热水器水箱中,当水位达到某一电极(比如电极2)时,1端经过水电阻和2端连通,使IC4-1同相输入端电压高于反相输入端电压,输出端呈高电位,此电压经R35和R36分压后,d端输出对应电极2、水位1的固定电压。又如当水位达到电极5时,1端经过水电阻和2、3、4、5端连通,使IC4-1到IC4-4同相输入端电压都高于反相输入端电压,各输出端均呈高电位,这些输出电压分别经R32~R36分压后,d端则输出对应电极5、水位4的固定电压。选择阻值合适的R32~R36,可使水箱中水位分别达到电极1~5时,d端分别输出固定电压:0V、0.7V、1.3V、1.9V、2.6V,这些系列电压就是仪表电路对传感器在不同水位时的参照电压。

温度传感部分使用VDt(温度二极管82TA)感温,将其用硅胶封装在探头顶端电极管1内,正负极引出线分别接到电路板端子的7和6。当探头浸没在水中,二极管PN结压降将随水温而变化,这个变化的电压提供给仪表电路作为水温传感信号。
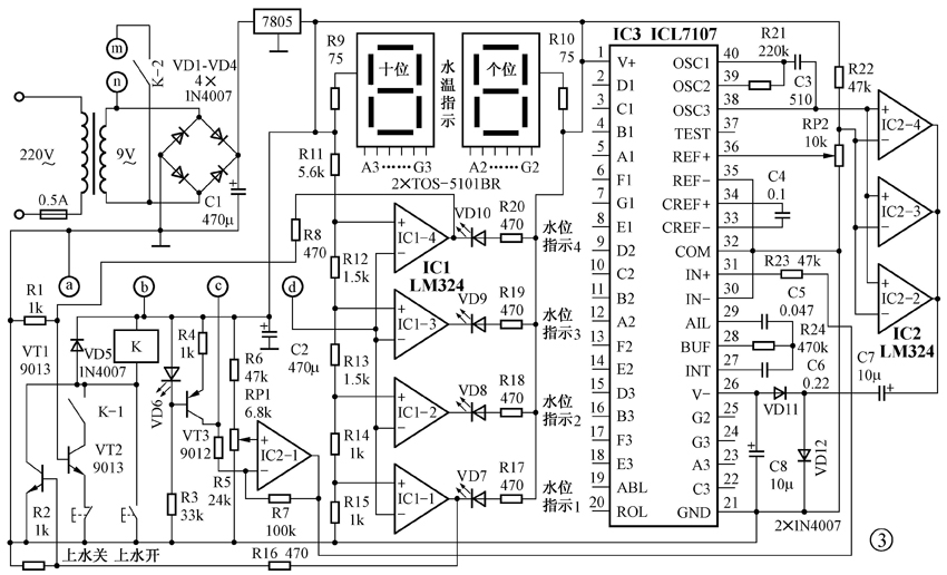
2. 仪表电路工作原理(图3)

水温指示电路:
VD6、R3、R4、VT3组成恒流源,通过端子a和c为传感器温度二极管VDt提供稳定的工作电流,保证管子温度变化和结电压变化的线性关系和测温精度。结电压随水温的变化通过IC2-1放大后,送到双积分式A/D转换器ICL7107模拟量输入端IN+,经A/D转换后驱动LED数码管显示2位测量温度,测温范围0°C~99℃。R21、C3和IC3内电路组成时钟振荡器。RP1、R6和RP2、R22分别是0℃和90℃校准电路。C4是基准电容,C5是自动调零电容、C6是积分电容。的V-电压由IC2-2、IC2-3、IC2-4并联后和C7、C8、VD11、VD12将IC3的振荡信号经驱动倍压整流得到。
水位指示电路:
传感器电路的d端电压送入IC1-1到IC1-4反相输入端。由于IC1-1到IC1-4的正相输入端电压被R11~R15分别设定为0.5V、1V、1.6V、2.3V四段,因此当水箱水位分别达到电极2~5,d端分别输出固定电压为:0.7V、1.3V、1.9V、2.6V时,IC1各反相输入端分别高于各段同相输入端电压时,则相应各运放输出低电位,对应发光二极管被点亮,指示相应的水位。如水箱水位达到电极2时,d端输出0.7V,比IC1-1同相输入端电压(0.5V)高,IC1-1输出低电位,VD7发光二极管被点亮,指示水位1,水箱有1个水位。依此当水位达到电极3、4或5时,VD8、VD9或VD10点亮,指示水箱分别有2个、3个或4个水位。
自动上水电路:
当水箱水位下降到电极2后时,d端电压为0V,IC1-1输出端呈高电位,电压通过R16加到VT1基极,VT1导通,继电器K吸合,开关K-1闭合;此时由于IC1-4输出高电压,所以VT2导通使得继电器自锁保持;同时K-2闭合后,接电磁水阀的端子m、n即获得9V交流电压,电磁水阀得电打开,自来水通过阀为水箱上水。当水位达到电极5时,IC1-4输出转为低电位,VT2基极呈低电位,VT2截止,继电器断开、K-2断开,电磁水阀失电关闭,停止上水。
手动上水电路:
当水箱水位低于电极4而高于电极2时,VT2导通,VT1截止,此时按下上水开,继电器K吸合,电磁水阀打开,水箱上水。按下上水关,继电器K断开,电磁水阀关闭,上水停止。或水位达到电极4时,VT2截止,电磁水阀关闭,上水自动停止。
3. 调试和安装
探头放入0°C冰水混合物中,温度平衡后,调电位器RP1使数码管显示00°C;将探头放入90°C以上水中,用标准水银温度表监测水温,温度平衡后,调RP2使数码管显示的数值和温度表指示温度一致,调试后的测量误差在0°C~99°C范围内不超过±1.5°C。安装时参照图1进行。
编者注:有关ICL7107的原厂英文资料可上网查询:pdfserv.maxim-ic.com/arpdf/ICL7106-IC7107.pdf。
(张伟)