大喜大庆的中国传统节日——春节即将来临,现将《红外线式能鞠躬会讲“恭喜发财”的挂画》的制作方法介绍给广大读者。
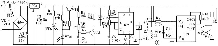
C1、VD1~VD4、C2、IC1及C3组成电容降压、整流、滤波和稳压电路,向红外线发射控制等电路提供6V直流工作电源。红外线发射管VD7、红外线接收管VD8、VT2、时基电路IC2及继电器K等组成控制电路,其中RP1、C4及IC2等组成多谐振荡器。IC3、VT4、VT3和BL等组成语言发声及音频功率放大电路。
电源接通后,由于画前一定距离内无人靠近观看,VD8收不到VD7被人体反射回来的红外信号,VT1截止,右边电路电源不通,挂画无动作无声音发出。
当有人走近挂画时,VD8收到被人体反射回来的红外信号,VT1导通,IC2产生振荡,继电器K便按着一定的时间间隔断续地将右边电路电源接通与断开,使右边电路的电磁线圈L1、L2及发声电路间断地工作。右边电路电源接通时,电磁线圈L1、L2得电,其磁场与控制童男童女(示于图3)鞠躬机构的永久磁铁相斥(或相吸),使童男童女鞠躬,与此同时,扬声器发出“恭喜发财”祝福语。当振荡器输出的第一个脉冲结束时,继电器释放,断开右边电路电源,电磁线圈断电,童男童女在细弹簧或橡皮筋的作用下复位,扬声器停止发声。当振荡器输出第二个脉冲时,童男童女再次鞠躬并发出“恭喜发财”祝福语。

为了防止上述电路在人体未离开画前红外线控制范围内时,电路断续不停地鞠躬祝福,时间稍长令人有厌烦的感觉,RP1、C4、VT2等组成延时控制电路,控制鞠躬祝福次数在三四次。当人体接近画前红外线控制范围时,VT1导通,接通右边电路电源,在IC2振荡的同时,电源经R5、RP1向C4充电,鞠躬祝福延时开始。待C4上电压充至一定值时,VT2导通,经VD5将IC2的复位端④脚拉为低电平,强迫IC2复位,鞠躬祝福停止。人体离开画前时,挂画电路又处于守候状态。因此,本挂画实现了全自控,新颖实用。
元件选择:
IC1为三端集成稳压电路7806;IC2为555时基集成电路;IC3为KD56010,内存“恭喜发财”语言;VT1为9012或9015,β≥80;VT2~VT4为9013或8085,β≥100;VD1~VD5为1N4004;VD6为3V、0.5W型稳压管;K为6V、双组触点直流继电器;BL为0.1~0.25W、小型8Ω电动型扬声器;L1、L2为电磁铁线圈。用M4×27的平头螺钉作电磁铁,两块15胶木(或硬质塑料、有机玻璃)板作挡板,两挡板间距20mm,一板紧靠螺钉头,另一挡板用螺母固定。之后在螺钉上缠绕几层绝缘纸,再用0.11漆包线乱绕2000~2500圈,直流电阻在130~150Ω。
永久磁铁的直径在9~10mm,高12~15mm,亦可用其他小型磁铁代用。
VD7为红外发光二极管LD271;VD8为一体化红外接收头。目前市售的一体化红外接收头有两种封装,引脚排列及形状如图2所示。工作电压VCC为5V,接收角度±55°,静态电流为0.5mA,工作频率fo=30~38kHz。平时待工作状态电路耗电极微。
挂画的制作:
童男童女硬纸画片为彩色,按图3示意部位将其剪断,下半身身后附上带有彩色的薄板(或硬纸壳或支撑架)固定在镜框板上不动,在上半身后面如图4,装上可动机构,这样电磁线圈通、断电即可完成断续的鞠躬动作。童男童女两画片要面对面的放置,间距依据画幅的大小适中,以防鞠躬时碰在一起。


安装时,应根据画幅大小选择镜框尺寸及厚度,左、右及上方要留出一定的空间,给人以舒适感。画面不要紧靠箱体玻璃。电子控制部分安装在一盒体中,之后固定在箱体内部的底部中间位置。红外线发射管及红外线接收管在盒体前面开有窗孔,为保证发射的红外光不向四周辐射而影响红外接收管正常工作,应装有聚光罩,将红外光聚在画前一定范围。画幅大,控制距离在1.5~2m;画幅小,控制距离在0.5~1m。
电路主要调整多谐振荡电路IC2的频率、鞠躬祝福次数及控制距离。改变RP2或C5的数值,使其IC2的③脚每输出一个脉冲时间恰好等于发出一句“恭喜发财”的时间。调整RP1或C4的数值,使其延时时间等于三四次鞠躬祝福断续时间。改变R2的阻值调整红外发射光的强弱,调节红外线控制距离。因此,这三项调整要耐心反复进行,使其恰到好处。
在挂画前控制距离范围内不得有其他物体,以防红外光束被反射回导致电路误动作或不能正常工作。
如画幅小,本电路可采用4节5号电池直接供电。
(杨国治)
