受电脑显示屏尺寸的限制,对电脑操作进行演示,显得很不方便。如果能够将电脑输出的图像在大屏幕电视机中显示出来,效果要好得多。电脑显卡输出的视频信号是数字信号,而大屏幕电视机则需要输入模拟信号,它们之间是不能直接相连的。必须加装一个转换电路才能将计算机输出的图像信号在电视机上显示出来。目前有许多高档显卡带有电视输出功能,不过据笔者试验,直接使用显卡的视频输出端子与电视机连接,效果并不令人满意:在29英寸的大屏幕彩电中画面很不稳定且四周有一个黑框。通过查阅资料,笔者设计制作了一个VGA-TV转换器,试用后效果不错,下面介绍给广大读者。
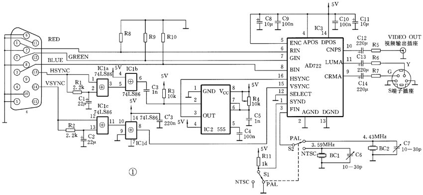
该转换器电路原理图如图1所示。其中的解码芯片采用AD公司生产的AD722。AD722是专用RGB to NTSC/PAL制式视频编解码处理芯片,该芯片采用16脚微型封装,各引脚功能如下:

① 脚:制式选择设定端,该脚悬空时输出视频信号为NTSC制,接地时,输出视频信号为PAL制。
② 脚:模拟电路接地端。
③ 脚:制式时钟输入端,需要输出NTSC制式的视频信号时,该脚外接4.43MHz的晶振;若将晶振改为3.58MHz的,则输出PAL制式视频信号。
④ 脚:模拟电路电源端。
⑤ 脚:使能控制端,当该脚接高电平,接低电平时,AD722正常工作。当该脚接低电平,接高电平时,其R、G、B输入端可以并联一个AD722作为双路输出。
⑥ 脚:R信号输入端。
⑦ 脚:G信号输入端。
⑧ 脚:B信号输入端。
⑨ 脚:S端子色度信号输出端。
⑩ 脚:模拟视频信号输出端。
:S端子亮度信号输出端。
:模式控制端,通常与⑤脚配合使用。
:数字电路接地端。
:数字电路电源。
:场同步信号输入端。
:行同步信号输入端。
关于该芯片的具体工作原理,请上网查询
http://www.analog.com/prod-uctSelection/pdf/ad722.pdf。

由于不同的显卡输出的行场同步脉冲极性可能不同,故在该电路中加入了由异或门电路IC1,时基电路NE555组成的同步信号处理电路。从显卡的D形15针插座输出的行场同步脉冲经过异或门电路IC1处理后送到AD722的,从而使⑩脚输出视频信号的行场扫描频率与计算机显卡输出的行场同步信号完全同步,以保证电视机显示图像的稳定。从显卡输出的红绿蓝基色信号通过D型插座送到AD722的⑥、⑦、⑧脚,在AD722内部与行场扫描信号混合后从⑩脚输出全电视视频信号。AD722的⑩脚、是模拟视频信号、S端子亮度信号输出端。可以在外接S端子插座以单独输出高质量的亮色信号。S1、S2是制式选择开关,当将它们都拨在RAL挡时,输出信号为PAL制式;将它们都拨在NTSC挡时,输出信号为NTSC制式。S1、S2要同步操作,因此要用双联开关。
由于该电路工作电压为5V,且电流小于50mA,因此可以直接通过主板的USB接口供电,若主板没有USB接口时,可以按照图2制作一个5V稳压电源。图1的印板图如图3所示。
另外,如果学校中需要用多个大屏幕电视机对计算机图像进行演示时,可以在AD722的视频输出插座上接一个小功率射频发射机,然后再用多部电视机接收即可。
注:图1中电阻参数除注明阻值外,其他电阻都是75Ω,精度1%的五色环电阻。将电脑显示器分辨率设置为800×600。
(广文)