本文介绍的HT-988P电话机广泛应用于部队、监狱、旅馆、酒吧和工矿企业,具有以下普通电话机所不具备的功能:(1)二总线无极性传输话音和控制信号,接线简单方便,不需屏蔽,传距达几十千米,无任何噪杂音。(2)主机可按号选呼任一分机,分机响铃,摘机后双工通话。(3)分机按“呼叫钮”,主机响铃,摘机后双工通话,显号器显示分机的号码。(4)当出现盗警、火警等异常情况时,主机按“群呼键”,全部分机响起报警音乐,且报警声与单呼每台分机时的铃声不同,易于分清“群呼”或“单呼”,便于采取相应措施。(5)根据需要可加设一台或多台副机,主机和副机可按号互相选呼通话,副机也可选呼任一分机通话;但分机不能呼叫副机,分机和分机也不能相互呼叫通话。(6)加配电器、遥控器和微音监测器可进行各种控制。
系统接线(见图1):HT-2001主电源(配带显号器)输入220V交流市电,稳压后变为24V,内串低内阻的2H大电感,输出为两条线。HT-968B主机、副机和988P报警电话分机均不分正负,全部并联在这两条线上。主机、副机和分机一般编“000~999”任意三位数号,也可编“00~99”任意两位数号,分机设置数量不受限制。每台分机均设有占用检测电路,占用指示灯熄灭时按“呼叫钮”可呼叫主机,通话保密。分机挂机时耗电8~10mA,振铃和通话电流约40mA。分机电原理图见图2。


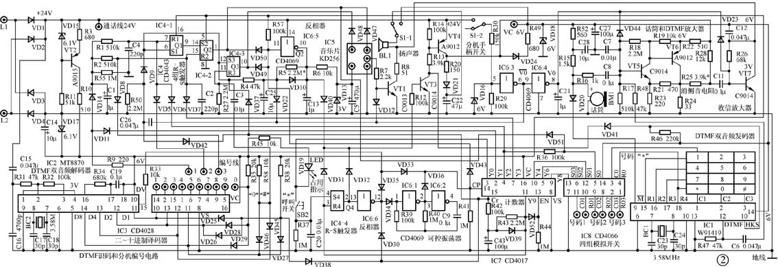
1.供电电源及相关电路:
VD1~VD4桥式连接用作电源极性校正,实现L1和L2的二总线无极性输入。恒流源VT2提供集成电路IC2等的工作电流,其交流阻抗大,接入后对信号影响小。VT3和VT4是电源控制管,通过R12受控于三只或门二极管VD40、VD31和VD32。反相器IC6:3输出脚V0——为本机重要的逻辑控制端:电话挂机时手柄开关S1-2空接,IC6:3输入为低电平0、输出V0——为高电平1;电话摘机时S1-2接24V电源,IC6:3输入为1(由VD16稳压为6V)、输出V0——为0。
2. DIMF双音频解码、编号和振铃电路:
主机发送到线路上的呼叫信号由C15输入DTMF双音频解码器IC2(MT8870)解为8421二进制码,再由译码器IC3(CD4028)将二进制码解为十进制码。IC3不能译码的“0”(二进制为1010)、“9葚”(1011)和“#”(1100)三位码分别由R35和VD25等译出。收码时本机的编号电路由四组R-S触发器IC4(CD4043)中的两组IC4-1和IC4-2配合计数器IC7(CD4017)等组成:设本机编号为“186”,当主机摘机按电话键盘第一位数“1”时,IC2第数据确认端DV由低电平0变为高电平1(6V),R33经VD33控制IC7计数输入端CP,IC7进位,Y0由1变0,Y1由0变1,VD11截止;IC3第及编号线“1”由0变1,6V电压经R9和VD14为储能电解电容器C1充电;此时VD5~VD8均因负端为低电平而导通,短路R1和R2,IC4-1和IC4-2均不翻转,其输出端Q1和Q2均为1,反相器IC6:5输出Q2为0。当主机按第二个号码“8”时,IC3第⑨脚及编号线“2”由0变1,计数器Y1由1变0、Y2由0变1,VD5和VD6截止,C1上存储的电荷经R1使IC4-1翻转,Q1为0。主机按第三个号码“6”时,IC3第⑦脚及编码线“3”由0变1,计数器Y2由1变0、Y3由0变1,VD7和VD8截止,R2使IC4-2翻转、Q2由1变0,Q2——由0变1,VD40使电源控制管VT3/VT4导通,R20和VD21通过电话手柄开关S1-1静接点为扬声器BL1供电,VD47接通仿大哥大八声音乐片IC5(KD256)的第⑤脚,使VT1推动BL1发出电话铃声。倘响铃后未摘机,V0——为1、VD8截止,R5为C25充电至电源电压的一半时,R—S触发器IC4-1置①脚S1为高电平,Q1复位为1,S2使Q2复位为1,Q2——为0,VT3/VT4关断,电话铃音响8~12下自动关闭。如响铃时摘机,V0——为0,VD22短路R5,使C25充不上电;VD12短路R7,使VT1截止;S1-1动接点使BL1改接收讯放大管VT7和6V通话电源VC;V0——经IC6:4反相为1,VD44和VD23截止,通话电路VT5/VT6工作;与主机实现双工对讲。通话完毕分机挂机时,V0——由0变1,C26输出正脉冲经VD9关闭IC4触发器。
3.群呼报警电路:
主机按“#”键时,所有分机的“#”识码端(VD45/VD46正极),由0变1,C3使R—S触发器IC4-3翻转,Q3为0,IC6:5反相Q2为1,电源控制管VT3等导通,VD28接通IC5第⑥脚,BL1发出警报声,摘机可听到主机的喊话。由于所有分机群呼振铃时消耗电源电流较大,在设备配置时所选电源应留有较大余量。
4.分机呼叫发码和编号电路:
系统占用状态时,计数器IC7的Y0脚为低电平0,指示灯VD19点亮,按呼叫开关SB2不起作用。系统空闲状态时,Y0为高电平1,VD19熄灭,允许呼叫:按呼叫开关SB2,R—S触发器IC4-4翻转,Q4由0变1,VD32使电源控制管VT3等导通;反相器IC6F输出为0,VD34截止,IC6A/IC6B可控振荡器起振,VD36输出进位脉冲到IC7计数输入端CP,输出脚Y1~Y9依次出现高电平,其Y2、Y4、Y6和Y8依次控制IC8四组模拟开关(CD4066)分别接通DTMF发码电路IC1相应的行列码控制脚,由IC1第发出本机编号的DTMF信号,经C6和R48去VT5/VT6放大后输送到通话线驱动主机响铃和显号器显号。Y9进位为1时,VD52使IC7控制端EN为1,IC7停止进位;IC4-4因置0输入端为1而复位,Q4为0,IC6:6反相为1,VD34导通使IC6A/IC6B振荡器停振。VD31使电源管VT3继续维持导通,主机摘机后可双工通话。分机挂机时V0——通过C26和VD42控制计数器“清零”输入端Cr使IC7复位,Y9为0、Y0为1,电路恢复空闲状态,IC1电话发码块第为行控制脚R1~R4,第①~③脚为列控制脚C1~C3。行脚和列脚交叉组合可发出“0~9”和“#”、“9葚”这12个十进制码(见图2)。如R1接C1时发“1”,R2接C1时发“4”,R4接C3时发“#”等。IC8模拟开关的第一组控制脚S0接Y2,接点R0接IC1的R4、C0接C1,故所有分机的第一组码均发“9葚”信号,用于显号器的消隐,进位和系统的清零。IC8的第二至第四组可任意选择编为“000~999”共1000个号。如要求的编号为“379”时:C01接C3/R01接R1,C02接C1/R02接R3,C03接C3/R03接R3即可;余类推。
5.相关逻辑元件的作用:
“9葚”信号解码电路(VD25~VD27正极):主机挂机时自动发“9葚”,分机VD38使计数器IC7清零;VD37使各R—S触发器关闭。VD35和VD38的作用:按开关S2使分机启动发本机号码时,IC6:6输出为0,VD35和VD38导通,短路DTMF收码块IC2自收自发输出的CP进位信号和Cr清零信号,避免干扰IC7和IC8的发码程序。VD43和VD51的作用是:当收讯识码时VD43使IC7的CP脚短路,不使其继续进位;VD51短路Y2输出到S0的电压,不使IC8发码。VD20的作用是:IC1发码时,M-脚由1变0,VD20短路R15,使话筒BM1失电不工作以免环境噪音影响发码。
(王梅 刘永华)